Добавить в корзинуПозвонить
Найти в Дзене
Инженер ПГС

Деревянный каркасный дом

Проект выполнен маркой основного комплекта рабочих чертежей - АС (архитектурно-строительные решения) согласно ГОСТ Р 21.101-2020. Фрагмент рабочих чертежей марки - АС Уважаемая аудитория Заказчиков! Проект фундамента можно скорректировать под Ваши пожелания с учетом инженерных изысканий (Инженерно-Геологические). У Вас есть вопросы по проектированию - задавайте их прямо в комментариях! С уважением, руководитель проектов, Виталий Дельдекин!

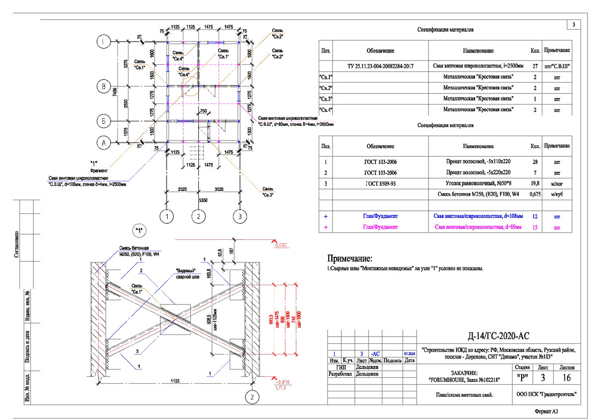
Проект выполнен маркой основного комплекта рабочих чертежей - АС (архитектурно-строительные решения) согласно ГОСТ Р 21.101-2020.

Фрагмент рабочих чертежей марки - АС

Уважаемая аудитория Заказчиков!

Проект фундамента можно скорректировать под Ваши пожелания с учетом инженерных изысканий (Инженерно-Геологические). У Вас есть вопросы по проектированию - задавайте их прямо в комментариях!

С уважением, руководитель проектов, Виталий Дельдекин!