Найти в Дзене
Все в 3D в SolidWorks

Сборочный чертеж табурет из дерева в SolidWorks

Приветствую всех! Сегодня я выполню сборочный чертеж табурета в SolidWorks с 3д модели которую я создал в уроке: Табурет из дерева в SolidWorks. Для начала открываем сбору самого табурета. Сборка табурета, назначение обозначений деталям. Начнем с назначения обозначения деталям и сборке. Это можно удобнее сделать сразу в сборке в дереве конструирования. Для этого нажимаем правой кнопкой мыши по имени сборки в дереве конструирования и нажимаем переименовать. После чего присваиваю имя сборке начинающееся с обозначения: «3ДДД.002.00.000 СБ Табурет». Затем таким же способом присваиваю имена деталям данной сборки: Далее указываем обозначение и наименования в свойствах сборки. Переходим непосредственно к созданию чертежа. Создание сборочного чертежа табурета Создаем чертеж из выбрав формат чертежа как на картинке ниже. После выбора формата в качестве главного вида в палитре видов выбираем вид «Спереди», затем создаем проекционный от него вид сверху. Далее на главном виде я делаю вырыв до плос
Оглавление

Приветствую всех! Сегодня я выполню сборочный чертеж табурета в SolidWorks с 3д модели которую я создал в уроке: Табурет из дерева в SolidWorks.

Для начала открываем сбору самого табурета.

Сборка табурета из дерева в SolidWorks.
Сборка табурета из дерева в SolidWorks.

Сборка табурета, назначение обозначений деталям.

Начнем с назначения обозначения деталям и сборке. Это можно удобнее сделать сразу в сборке в дереве конструирования.

Для этого нажимаем правой кнопкой мыши по имени сборки в дереве конструирования и нажимаем переименовать.

Переименования в сборки в дереве конструирования в SolidWorks
Переименования в сборки в дереве конструирования в SolidWorks

После чего присваиваю имя сборке начинающееся с обозначения: «3ДДД.002.00.000 СБ Табурет». Затем таким же способом присваиваю имена деталям данной сборки:

  1. «3ДДД.002.00.001 Ножка»,
  2. «3ДДД.002.00.002 Царга»,
  3. «3ДДД.002.00.003 Проножка»,
  4. «3ДДД.002.00.004 Сиденье»,
  5. «3ДДД.002.00.005 Сиденье».
Переименованные детали сборки в SolidWorks
Переименованные детали сборки в SolidWorks

Далее указываем обозначение и наименования в свойствах сборки.

Свойства сборки в SolidWorks
Свойства сборки в SolidWorks

Переходим непосредственно к созданию чертежа.

Создание сборочного чертежа табурета

Создаем чертеж из выбрав формат чертежа как на картинке ниже.

Выбор формата сборочного чертежа в SolidWorks
Выбор формата сборочного чертежа в SolidWorks

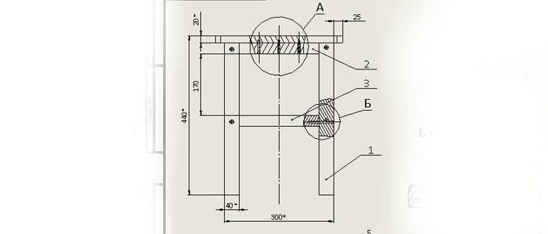
После выбора формата в качестве главного вида в палитре видов выбираем вид «Спереди», затем создаем проекционный от него вид сверху.

Далее на главном виде я делаю вырыв до плоскости оси саморезов крепящих сиденье в царге.

И создаю вспомогательный вид А данного вырыва. Затем для наглядности с палитры видов добавляю еще вид Триметрии.

Чертеж сборки табурета в SolidWorks после добавления видов
Чертеж сборки табурета в SolidWorks после добавления видов

Далее проставим размеры на чертеже.

Размеры на сборочном чертеже табурета в SolidWorks

Сначала добавим габаритные размеры. Данные размеры будут является справочными.

Далее проставим еще пару справочных размеров, подробнее на видео приложенном к уроку.

Затем поставим размер расстояния между проножкой и царгой. Данный размер равен 170мм.

И размер на сколько выступают детали сиденья от царги. Он будет 25мм.

Итого после простановки размеров чертеж имеет данный вид.

Чертеж сборочный в SolidWorks табурета из дерева после простановки размеров.
Чертеж сборочный в SolidWorks табурета из дерева после простановки размеров.

Далее проставим номера позиций деталей и добавим спецификацию.

Номера позиций и спецификация на сборочном чертеже табурета из дерева в SolidWorks.

Номера позиций на сборке добавляются командой находящейся на вкладке примечания «Позиции».

Выбираем ее и в настройках в строке «Текст позиции» выбираем «Позиция» и начинаем проставление номеров позиций деталей.

Для того чтобы проставить номер позиции самореза который крепит ножки к проножкам под номером 7. Я добавил еще один вырыв детали и местный вид Б.

Далее добавим таблицу спецификации и адаптируем ее к нашему шаблону чертежа. Подробнее на этом останавливаться не буду, так рассказывал уже об этом в уроках: Сборочный чертеж кривошипно-коромыслового механизма в SolidWorks часть 2., Сборочный чертеж металлоконструкции в SolidWorks.

Также подробнее можно посмотреть на видео приложенному к этому уроку.

В итоге у меня получилась данная спецификация.

Спецификация на сборочном чертеже табурета из дерева в SolidWorks
Спецификация на сборочном чертеже табурета из дерева в SolidWorks

Как распечатать данную спецификацию и вывести в ее формат ПДФ смотрим в конце урока: Сборочный чертеж кривошипно-коромыслового механизма в SolidWorks часть 2.

Видео урок

Ну и в принципе сборочный чертеж табурета из дерева в SolidWorks на этом готов.

Чертеж сборочный табурета из дерева в SolidWorks
Чертеж сборочный табурета из дерева в SolidWorks

В следующей статье я начну выполнять чертежи деталей данного табурета.

А в завершающей статье можно будет скачать все чертежи данного табурета для создания его своими руками.

Также в комплекте будет файл в формате  3D PDF.

До встречи!