Найти в Дзене
Сергей Гайдук

SSB БЕЗ МЕТРОЛОГИИ, ЧТО КОНЬ БЕЗ УЗДЕЧКИ – КУДА ХОЧЕТ, ТУДА И ИДЁТ!!!

Здравствуйте мои уважаемые читатели! Как Вы поняли из заглавия темы, SSB аппаратуру без метрологии, а это совместный комплекс измерительных приборов и собственно самих измерений, создать практически нереально! Для работы потребуются: частотомер, генератор сигналов, осциллограф и ВЧ-вольтметр. Очень даже дорогие приборы!!! Как поступить в самом начале изучения электроники? Надо решить какую часть электроники изучать… В нашем конкретном случае – это SSB-аппаратура и надо обязательно добавить САМОДЕЛЬНАЯ!!! Кое-что из приборов придется купить, но не сразу. А определённые приборы можно сделать собственными руками… В заглавии темы схема, а в центре контур. И посмотрим, что к контуру подключено Рис. 1. Определение резонансной частоты параллельного контура. Схема так же позволяет произвести настройку контура при помощи подстроечного конденсатора С2 и перемещением сердечника в контурной индуктивности. Так же можно заменить конденсатор С1 если регулировочных пределов не хватает. Технология изме

Здравствуйте мои уважаемые читатели!

Как Вы поняли из заглавия темы, SSB аппаратуру без метрологии, а это совместный комплекс измерительных приборов и собственно самих измерений, создать практически нереально!

Для работы потребуются: частотомер, генератор сигналов, осциллограф и ВЧ-вольтметр.

Очень даже дорогие приборы!!! Как поступить в самом начале изучения электроники? Надо решить какую часть электроники изучать… В нашем конкретном случае – это SSB-аппаратура и надо обязательно добавить САМОДЕЛЬНАЯ!!!

Кое-что из приборов придется купить, но не сразу. А определённые приборы можно сделать собственными руками…

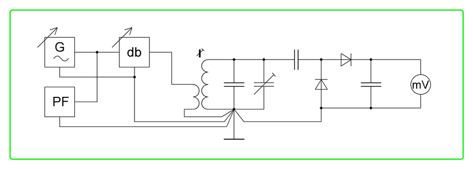
В заглавии темы схема, а в центре контур. И посмотрим, что к контуру подключено

-2

Рис. 1. Определение резонансной частоты параллельного контура.

Схема так же позволяет произвести настройку контура при помощи подстроечного конденсатора С2 и перемещением сердечника в контурной индуктивности. Так же можно заменить конденсатор С1 если регулировочных пределов не хватает.

Технология измерения простая, но для уменьшения погрешностей требует соблюдения одного простого правила – это подключение «земли» всех «участников» измерения в одну общую точку. Она может быть образована и общей шиной. Можно генератор с аттенюатором и частотомер просто подключить к витку связи, а измерительную часть подключить к контуру, но это будет неправильно!

Итак, какой же из приборов на схеме главный? Все три!

Частотомер на данном этапе изготовления SSB-аппаратуры самый дорогой прибор! Но здесь есть возможность купить простой частотомер-конструктор и спаять его своими руками. Стоит такой набор чуть меньше 400 рублей и его можно заказать. Доставка приблизительно 30 дней. Есть возможность там же купить более крутой и уже готовый частотомер меньше чем за 700 рублей, но если у первого диапазон измеряемых частот 1 Гц – 50 МГц, то у второго 100 кГц – 65 МГц. Первый позволяет измерять и звуковые частоты, а вот второй работает от 100 кГц и выше.

Заказал себе такой, получил, но вот уже несколько месяцев не соберусь его спаять. И причина не во времени, а в его применении. Задумал встроить его в комплексный генератор звуковых и радиочастот, чтобы не возиться с градуировками шкал…

Как определюсь с корпусом и именно с передней панелью, так сразу и сделаю, вот только плату придётся делать другую.

Но продолжим о схеме. Для создания генератора именно первоначального опять же потребуется частотомер… Придется его Вам заказывать и собирать. Потом будем думать, как быть с генератором сигналов, а пока нет частотомера и генератора надо делать ВЧ-вольтметр. Не совсем простое это устройство!!!

-3

Рис. 2. Измеритель, он же ВЧ-вольтметр.

Очень простая схема, но чтобы она качественно работала, надо определиться с измерительным прибором. Практически у всех радиолюбителей есть мультиметры. Качество и параметры у этих приборов разные. Точность измерения ( процент погрешности ) для данного вида измерений большого значения не имеет, так как все измерения будут производиться в относительных единицах. Вспоминаем мультик, когда удава измеряют в мартышках и попугаях. В попугаях получается лучше. В нашем случае – это количество делений на аналоговом вольтметре или предел измерения на мультиметре. Если в Вашем мультиметре есть предел измерения «200mV» - очень хорошо! Но надо знать какое входное сопротивление прибора на этом приборе. В паспорте на прибор очень трудно разобраться в китайской грамоте, поэтому собираем простую схему, для определения входного сопротивления

-4

Рис. 3. Схема для определения входного сопротивления мультиметра на пределе измерения напряжения «200mV».

Очень простая схема, но она позволит определить входное сопротивление именно Вашего мультиметра на данном пределе. Весь смысл определяется подачей заведомо известного напряжения от низкоомного источника на цепочку, состоящую из последовательно, включенных вольтметра ( мультиметра ) и добавочного резистора.

Если резистор R4 взять с номиналом 200 Ом и регулируя напряжение на базе транзистора, получаем напряжение 200 мВ. Для транзистора режим очень лёгкий – ток всего 1 мА.

Закорачиваем добавочный резистор и выставляем напряжение 200 мВ именно по мультиметру, После этого, увеличиваем сопротивление добавочного резистора, пока показание мильтиметра не станет 100 мВ. Измеряем сопротивление добавочного резистора – это и есть входное сопротивление мультиметра на данном пределе. Возможно, придётся в качестве добавочного резистора взять переменный резистор 500 кОм. И если входное сопротивление прибора получилось от 100 кОм и более – это хороший показатель для применения в ВЧ-вольтметре.

Теперь о элементах, входящих в состав щупа данного прибора

-5

Рис. 4. Щуп для измерения ВЧ напряжений.

Конденсатор С1 – разделительный и одновременно зарядно-разрядный. Во время положительной полуволны конденсатор заряжается через диод VD2 и конденсатор С2, при этом конденсатор С2 также заряжается, но значительно меньше, так как его ёмкость во много раз превышает ёмкость конденсатора С1. Во время отрицательной полуволны конденсатор перезаряжается до величины отрицательной полуволны через диод VD1. В следующую полуволну конденсатор разряжается на С2, уже удвоенным напряжением. В течении нескольких периодов конденсатор С2 заряжается до удвоенного напряжения, подаваемого на вход щупа. Такая схема получила название: детектор сигнала с удвоением напряжения.

Величина ёмкости конденсатора С1 зависит от частоты измеряемого напряжения и может находиться в пределах от 2,2 пФ до 1 нФ и более. Ёмкость конденсатора С2 зависит от необходимого времени «запоминания» входного напряжения, совместно с резистором R1 они обеспечивают требуемое время запоминания. Если постоянная времени будет большой, то при быстром изменении напряжения на входе, показания мультиметра будут «запаздывать», что затруднит настройку. Можно изменять время памяти, если в щупе R1 заменить потенциометром, включенного реостатом. Диоды применять только германиевые. Диоды Д9Б вполне подойдут. В большинстве таких щупов устанавливают Д18, но их в настоящее время очень трудно найти. Хорошо так же будут работать диоды ГД507 и им подобные.

И как Вы поняли вся конструкция заключена в экран ( показан красным цветом ). Конструкция экрана может быть любой ( круглой или прямоугольной ) главное, чтобы это был металл. Размеры экрана зависят от печатной платы, на которой расположены радиоэлементы. Если резистор R1 переменный, следовательно, и габариты увеличатся, но незначительно. Кабель от щупа до мультиметра должен быть гибким, но экранированным до самого прибора.

Вывод конденсатора С1 подключен к острию щупа, проходящего через изолятор из любого материала ( фторопласт, текстолит, полистирол, полиэтилен ). Длина острия должна быть удобной для касания к элементам на плате, но только самое начало иголки ложно быть открыто, а всё остальное надо изолировать, чтобы при измерении не замкнуть что-то.

Такой прибор надо сделать обязательно, он поможет производить настройку не только SSB-аппаратуры, но и при наладке других любительских конструкций.

В следующем материале продолжим рассмотрение генератора или генераторов для настройки SSB-аппаратуры.

Не забываем писать комментарии, ставить лайки и подписываться на канал!

Всем желаю прекрасного настроения, здоровья и успехов во всех делах и начинаниях!!!

И особо желаю чистого неба над головой!!!