Найти в Дзене
Сергей Гайдук

ЭЛЕКТРОНИКА – ЭТО ПРОСТО! ТЕОРИЯ + ПРАКТИКА

Здравствуйте мои читатели! И особенно начинающие электронщики!!! Продолжаем знакомиться с генераторами на микросхемах NE555. Готовил материал по ждущим мультивибраторам, но читатель Александр в своём комментарии написал: «Уважаемый автор, а статья про способ регулирования скважности по 5-ой ноге микросхемы планируется? Спасибо.» Вот по просьбе Александра сделал внеочередной материал, как влияет управляющее напряжение на выводе 5 микросхемы на длительность и частоту ( период ) вырабатываемых импульсов при неизменных параметрах RC-цепи. Сама идея управления порогом срабатывания очень хорошая, но есть одна тонкость: управление происходит не одним, а двумя порогами одновременно. Смотрим фрагмент функциональной схемы таймера NE555. Если вывод 5 не задействован в схеме, напряжения U2 и U1 зависят от напряжения питания. U2 = 2/3Uпит , а U1 = 1/3Uпит. И эта привязка аппаратная «железная»! На Рис. 1 б) в более упрощённом варианте показан вариант подачи управляющего напряжения на вывод 5 от схем

Здравствуйте мои читатели! И особенно начинающие электронщики!!!

Продолжаем знакомиться с генераторами на микросхемах NE555.

Готовил материал по ждущим мультивибраторам, но читатель Александр в своём комментарии написал: «Уважаемый автор, а статья про способ регулирования скважности по 5-ой ноге микросхемы планируется? Спасибо.»

Вот по просьбе Александра сделал внеочередной материал, как влияет управляющее напряжение на выводе 5 микросхемы на длительность и частоту ( период ) вырабатываемых импульсов при неизменных параметрах RC-цепи.

Сама идея управления порогом срабатывания очень хорошая, но есть одна тонкость: управление происходит не одним, а двумя порогами одновременно. Смотрим фрагмент функциональной схемы таймера NE555.

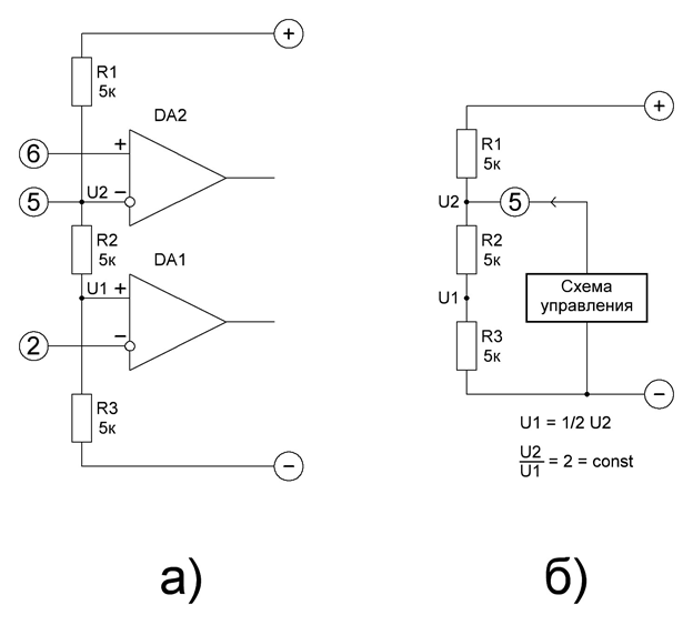
Рис. 1. Подключение компараторов к выводам микросхемы и к резисторам, обеспечивающих стандартные пороги срабатывания компараторов.
Рис. 1. Подключение компараторов к выводам микросхемы и к резисторам, обеспечивающих стандартные пороги срабатывания компараторов.

Если вывод 5 не задействован в схеме, напряжения U2 и U1 зависят от напряжения питания. U2 = 2/3Uпит , а U1 = 1/3Uпит. И эта привязка аппаратная «железная»!

На Рис. 1 б) в более упрощённом варианте показан вариант подачи управляющего напряжения на вывод 5 от схемы управления. Что собой представляет схема управления, решает разработчик устройства. Только при этом надо учитывать, что устройство управления не просто подключается к выводу компаратора, к этому же выводу подключен делитель напряжения из резисторов R1, R2, R3. Вот этот делитель и будет являться нагрузкой для схемы управления. Расчет нагрузки простой: это параллельное соединение резистора R1 и двух резисторов R2 + R3. И величина этой нагрузки равна 3,33 кОм. Не очень большая нагрузка и её надо обязательно учитывать.

Для рассмотрения как влияет вывод 5 на параметры сигнала будем подавать ( условно ) на вывод 5 треугольный сигнал от источника достаточной мощности и искажения отсутствуют.

Теперь об амплитуде сигнала. Учитывая, что напряжения U2 и U1 отличаются друг от друга в два раза, максимальная амплитуда сигнала должна быть меньше напряжения питания приблизительно на 10%, а минимальное должно быть выше минимального напряжения срабатывания компаратора DA1.

Рис. 2. Генератор на микросхеме NE555 с сигналом управления. Цепи заряда и разряда конденсатора С одинаковы.
Рис. 2. Генератор на микросхеме NE555 с сигналом управления. Цепи заряда и разряда конденсатора С одинаковы.
Рис. 3. Влияние сигнала управления на работу компараторов.
Рис. 3. Влияние сигнала управления на работу компараторов.

Из графиков видно, что заряд и разряд конденсатора С ( они показаны красным цветом ) как и в обычном варианте без сигнала управления находятся в интервале между напряжениями U2 и U1. И изменение управляющего напряжения: его нарастание и спад, практически не влияют на скважность импульсом ( она приблизительна равна 2 ), но существенно изменяют период следования импульсов ( или на частоту повторения импульсов ). А хотелось бы получить ШИМ. НЕ ПОЛУЧИЛОСЬ!!!

Попробуем уменьшить время разряда. Для этого исключаем из схемы диод, а резистор R1 уменьшаем до минимального значения обусловленного допустимым разрядным током транзистора VT1 ( вывод 7 микросхемы ). И заново строим графики…

Рис. 4. Влияние сигнала управления на работу компараторов с уменьшенным временем разряда конденсатора С.
Рис. 4. Влияние сигнала управления на работу компараторов с уменьшенным временем разряда конденсатора С.

Как видно из графиков, так же как и на Рис. 3, частота следования импульсов изменяется очень заметно, но ШИМ в том виде как его принято описывать не наблюдается! В чём же причина? А причина – наличие первого порогового напряжения U1!!! Если его исключить из работы попробуем получить ШИМ. Но микросхему переделать невозможно! Следовательно, надо изменить схему и исключить из работы нижний порог срабатывания, но после срабатывания компаратора DA2, RS-триггер устанавливается в ноль и вернуть его в единичное состояние может только компаратор DA1. Делаем схему.

Рис. 5. Вводим импульс синхронизации для установки RS-триггера в единичное состояние. Величина времени разряда  выбрана самая минимальная, как и во втором случае.
Рис. 5. Вводим импульс синхронизации для установки RS-триггера в единичное состояние. Величина времени разряда выбрана самая минимальная, как и во втором случае.

До прихода синхроимпульса напряжение на конденсаторе С минимальное – транзистор VT1, подключенный к выводу 7 открыт. При поступлении на вывод 2 синхроимпульса, компаратор DA1 переключает RS-триггер в единичное состояние. На выходе микросхемы ( вывод 3 ) устанавливается высокий уровень, транзистор VT1 закрывается и конденсатор С начинает заряжаться через резисторы R1 и R2 до напряжения U2. И как только напряжение на конденсаторе С станет равным U2, компаратор DA2 переключит RS-триггер в нулевое состояние и схема переходит в режим ожидания следующего синхроимпульса. Посмотрим как это выглядит на графиках и как сигнал управления влияет на параметры импульса…

Рис. 6. Зависимость параметров импульсов в схеме синхронизацией.
Рис. 6. Зависимость параметров импульсов в схеме синхронизацией.

А вот это уже ШИМ – Широтно-Импульсная Модуляция! А для чего она нужна? Интересный вопрос!

Всё дело в том, что напряжение на нагрузке ( любого типа ) можно регулировать плавно – это как в лабораторном БП. И если нагрузка достаточно мощная или мощная, а регулировать напряжение надо в широких пределах, то регулятору напряжения приходится рассеивать на регулирующем элементе значительную мощность в виде тепла. И можно регулировать напряжение на нагрузке импульсами напряжения. Если длительность импульса напряжения равна длительности паузы – это скважность равная 2, то на нагрузке будет действовать усреднённое напряжение равное половине напряжения импульса. Следовательно, с увеличением длительности импульса напряжения действующее напряжение на нагрузке увеличивается, а при уменьшении длительности – уменьшается. Меняется скважность – ШИМ работает. Все очень просто! И энергетические потери в регулирующем элементе очень и очень не велики. Вот только надо найти, где взять этот СИНХРОИМПУС!!! И это одна из будущих тем. Материал готовится, всему своё время и черёд. То, что Вы сейчас прочитали – сделано на один урок раньше, но надеюсь, что это будет полезно.

В следующем материале рассмотрим схемы, работающие в ждущем режиме и которые так же нуждаются в запускающих синхроимпульсах.

Если материал понравился, и Вы нашли в нём полезное для себя не посчитайте за труд и оставьте свой отзыв! Очень буду рад прочитать Ваши комментарии.

Чаще заходите на мой канал, подписывайтесь! Информация учебного и познавательного характера будет регулярно пополняться!

Желаю Всем читателям здоровья и успехов в творчестве!!!