Добавить в корзинуПозвонить
Найти в Дзене
Паяльник

Вторая жизнь фонарика. Вариант 8

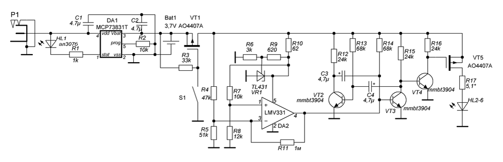
На этот раз у меня на восстановлении простой китайский фонарик в алюминиевом корпусе. Конечно, можно было бы и не восстанавливать его, а пойти и купить новый, благо они достаточно дёшевы, но из любопытства и спортивного интереса, решил попробовать его восстановить. Да и к тому же очень нужен компактный фонарик для походов в магазин по вечерам. Плюс ко всему банальную тему экономии на батарейках никто не отменял, ведь хорошие батарейки ААА формата стоят таки недёшево. Выглядит это чудо так. Типичный простой фонарик из Китая. Корпус фонарики диктовал условия при разработке схемы и печатной платы устройства, а именно: Электрическая принципиальная схема фонарика. Принцип работы устройства Чрезвычайно прост. Компаратор DA2 управляет работой мультивибратора, собранного на транзисторах VT2 и VT3. Опорное напряжение, создаваемое микросхемой VR1 (TL431) с делителя, образованного резисторами R7, R8 поступает на вывод 1 и сравнивается с напряжением на выводе 3. Если не третьем вывод напряжение бо

На этот раз у меня на восстановлении простой китайский фонарик в алюминиевом корпусе. Конечно, можно было бы и не восстанавливать его, а пойти и купить новый, благо они достаточно дёшевы, но из любопытства и спортивного интереса, решил попробовать его восстановить. Да и к тому же очень нужен компактный фонарик для походов в магазин по вечерам. Плюс ко всему банальную тему экономии на батарейках никто не отменял, ведь хорошие батарейки ААА формата стоят таки недёшево.

Выглядит это чудо так. Типичный простой фонарик из Китая.

Корпус фонарики диктовал условия при разработке схемы и печатной платы устройства, а именно:

  1. В отличии от всех моих предыдущих фонариков, где можно было вывести светодиод индикации процесса зарядки аккумулятора, то здесь это не получится сделать. Светодиод спрятан внутри фонарика и зарядку можно произвести после извлечения устройства из корпуса.
  2. Гнездо для подключения провода от зарядного устройства также не вывести наружу, не нарушив целостности корпуса фонарика, оно также внутри.
  3. Почи все фонарики, которые собирал были оснащены индикаторами разряда аккумулятора, но из-за особенности корпуса его также не вывести наружу. Поэтому здесь применено другое решение. Индикацией разряда является моргание светодиодов.

Электрическая принципиальная схема фонарика.

-2

Принцип работы устройства

Чрезвычайно прост. Компаратор DA2 управляет работой мультивибратора, собранного на транзисторах VT2 и VT3. Опорное напряжение, создаваемое микросхемой VR1 (TL431) с делителя, образованного резисторами R7, R8 поступает на вывод 1 и сравнивается с напряжением на выводе 3. Если не третьем вывод напряжение больше чем на первом, то выходной транзистор компаратора открыт и садит базу транзистора VT3 на минус, закрывая его, отчего VT4 открывается, замыкая затвор полевика VT5 на минус питания, приводя к его открытию и свечению светодиодов. Как только напряжение на третьем выводе становится меньше, чем на первом, выходной транзистор компаратора закрывается, VT3 также открывается и мультивибратор начинает работать, вызывая моргание светодиодов. Питание на схему подаётся через полевой транзистор VT1 замыканием его затвора на минус питания через родную кнопку фонарика S1.

Настройка устройства.

Очень проста. Подбором резисторов R4 и R5 устанавливают порог срабатывания компаратора и включения индикации разряда. Подбором резистора R17 устанавливают ток, проходящий через светодиоды. Резистором R2 задают ток зарядки аккумулятора, при таком значении он равен 100 ма.

Расположение деталей на плате.

-3

Вид на монтаж устройства. Кругляшки припаянные с обоих концов платы образуют держатель аккумулятора.

-4

Вид со стороны немногочисленных выводных компонентов устройства. Оставшиеся с этой стороны платы фольга служит для увеличения прочности мест припаивания платы к кругляшкам.

-5

Вид на кругляшки.

-6

Только один кругляшков был разведён в программе, да и то только с одной стороны, всё остальное вырезалось дремелем по месту, так сказать. Кругляшки выполнены из двухстороннего фольгированного стеклотекстолита.

Крепление аккумулятора. Большая пружина на одном из кругляшков обеспечивает соединение светодиодов с минусом питания схемы, упирается в плату со светодиодами.

-7

И вид окончательно собранного фонарика в котором была заменена уплотнительная резинка на большую по размерам.

-8

Скачать список элементов (PDF)

Прикрепленные файлы:

Автор: cxema112