Добавить в корзину
Позвонить
Найти в Дзене
Войти
Николай Попов
2 подписчика
Подписаться
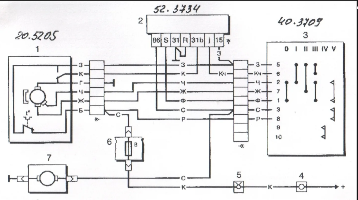
Схема дворников уаз буханка. уаз 469!
27 октября 2021
27 окт 2021
256
...
Читать далее
2429680946.1009.1779879979840.20256