Найти в Дзене
Руки делают

Простейший индикатор тока зарядки для Li-ion аккумулятора

Многие радиолюбители используют в своих поделках Li-ion аккумуляторы от устаревших мобильников, планшетов, MP3 плееров. Такие батареи уже имеют в своем составе контроллер зарядки. Заряжать их как правило не совсем удобно, так как визуально не понятно: идет ли зарядка или аккумулятор уже полностью заряжен.
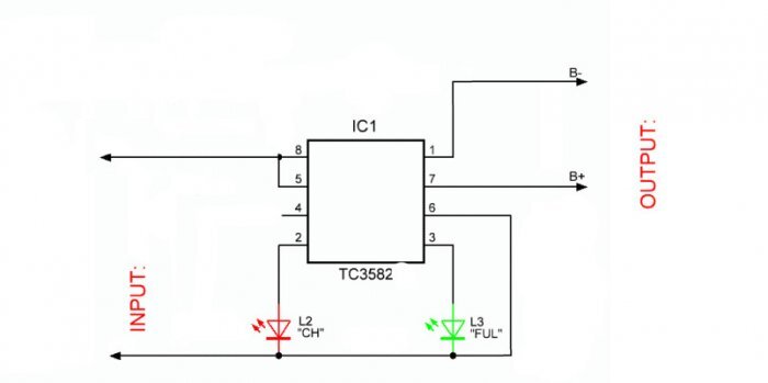
Чтобы решить данную проблему, можно собрать простой индикатор протекания тока зарядки всего на 3-х деталях Для сборки понадобится: Микросхема TC3582DA,пара светодиодов, монтажная плата универсальная. Микросхема является датчиком тока и отображает его наличие и отсутствие при помощи светодиодов. Данная схема включения не требует гасящих резисторов в цепи светодиодов, что очень удобно.
Подключается схема в разрыв АКБ и зарядника. При протекании тока зарядки мигает LED1, а как только зарядка будет завершена, то будет гореть LED2. Все элементарно просто.
Берем универсальную плату для монтажа, устанавливаем микросхему в отверстия платы, устанавливаем 2 светодиода разного цвета, чтобы визу

Многие радиолюбители используют в своих поделках Li-ion аккумуляторы от устаревших мобильников, планшетов, MP3 плееров. Такие батареи уже имеют в своем составе контроллер зарядки. Заряжать их как правило не совсем удобно, так как визуально не понятно: идет ли зарядка или аккумулятор уже полностью заряжен.
Чтобы решить данную проблему, можно собрать простой индикатор протекания тока зарядки всего на 3-х деталях

Для сборки понадобится: Микросхема TC3582DA,пара светодиодов, монтажная плата универсальная.

Схема сборки
Схема сборки

Микросхема является датчиком тока и отображает его наличие и отсутствие при помощи светодиодов. Данная схема включения не требует гасящих резисторов в цепи светодиодов, что очень удобно.
Подключается схема в разрыв АКБ и зарядника. При протекании тока зарядки мигает LED1, а как только зарядка будет завершена, то будет гореть LED2. Все элементарно просто.
Берем универсальную плату для монтажа, устанавливаем микросхему в отверстия платы, устанавливаем 2 светодиода разного цвета, чтобы визуально четче отличать процесс.

-2

Вставляем залуженные провода, запаиваем дорожки припоем по контактам платы.

-3

Подключаем индикатор между источником питания 5 В и батареей. Во время протекания зарядки красный светодиод мигает. Как только зарядка завершилась, и через микросхему перестал течь ток, горит зеленый светодиод. Данный микросхемы используются обычно в универсальных зарядных устройствах, в простонародье называемых «Лягушка».