Добавить в корзинуПозвонить
Найти в Дзене
Меандр Радиолюбитель

Гибридный усилитель. Часть первая - симуляция.

Собрав простейший усилитель и читая комментарии стало очевидно, что "легко" и дешево не получится, если с пассивными и активными компонентами проблем нет, то с выходными трансформаторами все сложнее. В данный момент на примете нет вообще ни чего, даже стандартных ТВЗ от старых телевизоров. Имейся у меня 4шт одинаковых ТВЗ от телека можно бы было из них собрать два относительно больших, объединив Ш пластины в один длинный пакет на котором размещались бы два каркаса с обмотками. Увы и ах, в свое время всё нажитое бездарно утрачено.
Трансформаторов нет, а интерес к "теплому" и "мягкому" еще не угас.
В связи с озвученными выше проблемами было решено пойти чуть иным путем. Собрать и послушать гибридную схему.
В сети имеется несколько вариантов но вызывают они множество вопросов.
В одной схеме вакуумный прибор используется в качестве динамической нагрузки транзистора - читай источник тока, в другой на двойном триоде запилен дифференциальный каскад, а всё основное усиление напряжения обеспеч

Всем доброго, в этой и этой статьях мы говорили о ламповых УМЗЧ.
Собрав простейший усилитель и читая комментарии стало очевидно, что "легко" и дешево не получится, если с пассивными и активными компонентами проблем нет, то с выходными трансформаторами все сложнее. В данный момент на примете нет вообще ни чего, даже стандартных ТВЗ от старых телевизоров. Имейся у меня 4шт одинаковых ТВЗ от телека можно бы было из них собрать два относительно больших, объединив Ш пластины в один длинный пакет на котором размещались бы два каркаса с обмотками. Увы и ах, в свое время всё нажитое бездарно утрачено.
Трансформаторов нет, а интерес к "теплому" и "мягкому" еще не угас.
В связи с озвученными выше проблемами было решено пойти чуть иным путем. Собрать и послушать гибридную схему.
В сети имеется несколько вариантов но вызывают они множество вопросов.
В одной схеме вакуумный прибор используется в качестве динамической нагрузки транзистора - читай источник тока, в другой на двойном триоде запилен дифференциальный каскад, а всё основное усиление напряжения обеспечивают транзисторы, в третьей одна половинка триода нагружена на вторую включенную так же нагрузкой, и вроде бы основное усиление происходит в "вакууме" но схема без обратной связи. В симуляторе она показала что-то невнятное, а при попытке подкорректировать номиналы, сим. и вовсе выбивал ошибку.

Более менее что-то приемлемое нашел на каком-то буржуйском сайте.
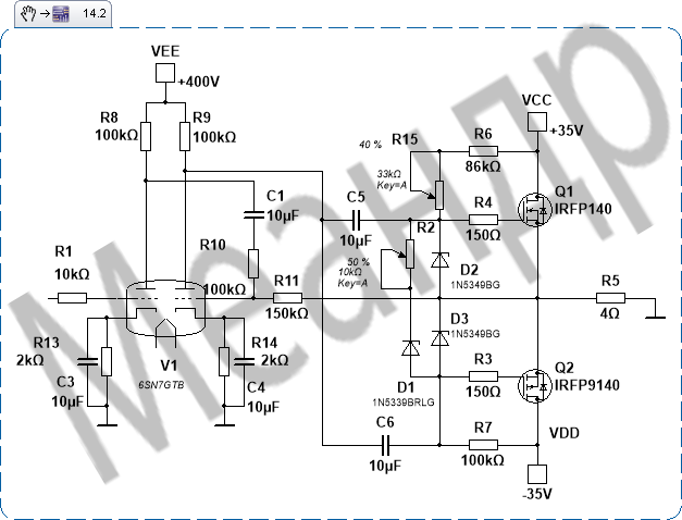
Ниже иллюстрация с того сайта и ссылка на оный.

Ссылка на первоисточник. https://www.la6nca.net/homebrew/amp_6sn7/index.htm

Благо в симуляторе именно этот триод имеется и можно симулировать схему.
Сама схема немного изменена - добавлен регулятор "нуля" на выходе, удалён ненужный "проходной" конденсатор на выходе второго триода и немного изменены номиналы резисторов и емкостей.

-2

Нумерация элементов пока, что "от Балды", в финальной схеме все будет перенумеровано по правилам - схема в процессе обсуждения будет изменяться.
Вот, что удалось получить в симуляторе.

-3

КНИ 0,15% на 1кГц, и пол процента на 20ти кГц. Есть небольшой завал на высоких, но по вольтметру малозаметный, в дБ не переводил.
И тут мне будет нужна помощь опытных - таковые среди моих подписчиков есть и довольно много. Нужно пересчитать катодные резисторы для лампы 6Н9С, именно их у меня много и быть им в этом усилителе. Сам я пока, что не могу понять, от чего отталкиваться, чтобы их, номиналы, правильно вычислить.
Питать всю эту кухню планирую не стабилизированными источниками, при чем выходной каскад и усилитель напряжения будут иметь отдельные трансформаторы. С корпусом пока, что еще не определился, но имеются кандидаты.
Пока всё, жду в комментариях.
Всем спасибо и до скорого.