Добавить в корзинуПозвонить
Найти в Дзене

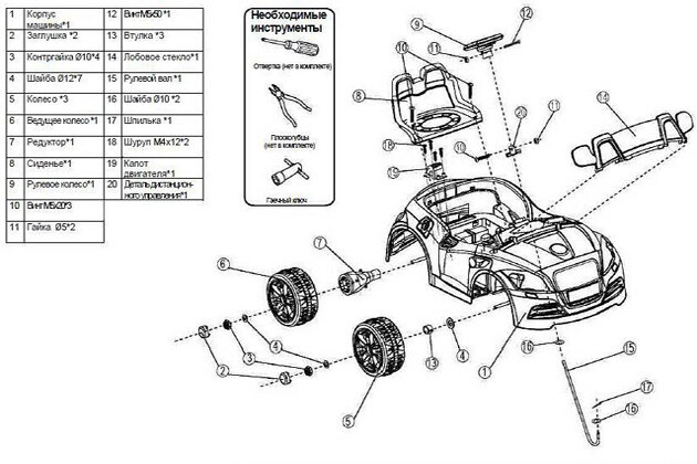
Сборка детского электромобиля

После покупки детской машины 12 вольт на пульте управления, перед взрослыми стоит важная задача — собрать транспортное средство. Делать это следует внимательно и качественно, ведь неверная сборка автомобиля может привести к поломке и снизить срок его эксплуатации. Если вы не уверены в своих силах, лучше обратитесь к специалистам, которые сделают эту работу быстро и с гарантией качества. В случае, когда вы приняли решение сделать это самостоятельно, предлагаем вашему вниманию подробную инструкцию. Перед началом сборки убедитесь, что все детали присутствуют и находятся в целости и сохранности, без повреждений и заводского брака. Если все в порядке, смело приступайте к делу. ЭТАПЫ СБОРКИ ЭЛЕКТРОМОБИЛЯ: Для того чтобы ребенок мог вдоволь кататься на машине, вам следует купить сменный аккумулятор, который есть у нас в наличии в нашем магазине детских электромобилей в СПб, как и другие дополнительные детали для детских электрокаров. Поспешите заказать машину на аккумуляторе и подарить своему

После покупки детской машины 12 вольт на пульте управления, перед взрослыми стоит важная задача — собрать транспортное средство. Делать это следует внимательно и качественно, ведь неверная сборка автомобиля может привести к поломке и снизить срок его эксплуатации. Если вы не уверены в своих силах, лучше обратитесь к специалистам, которые сделают эту работу быстро и с гарантией качества. В случае, когда вы приняли решение сделать это самостоятельно, предлагаем вашему вниманию подробную инструкцию.

-2

Перед началом сборки убедитесь, что все детали присутствуют и находятся в целости и сохранности, без повреждений и заводского брака. Если все в порядке, смело приступайте к делу.

ЭТАПЫ СБОРКИ ЭЛЕКТРОМОБИЛЯ:

  1. Переверните детский автомобиль дном к верху и аккуратно установите усиления бамперов, и боковых порогов( если они не были установлены на заводе).
  2. Соберите заднюю и переднюю ось, вставьте редуктора и присоедините колеса.
  3. Поставьте машину на колеса. Присоедините клемы, идущие от редукторов, к соответствующим уже установленными в модели. Клемы руля также требуют установки. Подсоедините плюсовой провод к аккумулятору и проверьте: работают ли фары, кнопки сигнала, крутятся колеса, играет ли музыка.
  4. Установите лобовое стекло.
  5. Зафиксируйте заднюю часть с задним стеклом (если там есть световые приборы, соедините провода клемами).
  6. Прикрутите капот.
  7. Установите верхние части боковых дверей.
  8. Прикрепите сиденье, боковые стёкла, запасное колесо, колпаки на колёса, значки марки автомобиля и прочие декоративные элементы.
-3

Для того чтобы ребенок мог вдоволь кататься на машине, вам следует купить сменный аккумулятор, который есть у нас в наличии в нашем магазине детских электромобилей в СПб, как и другие дополнительные детали для детских электрокаров.

Поспешите заказать машину на аккумуляторе и подарить своему чаду положительные эмоции. Не сомневайтесь, ребенок будет в восторге.

Источник: статья подготовлена специалистами интернет-магазина детских электромобилей Cars12volt.ru