Найти в Дзене
Electric-Blogger

Ремонт микроволновки

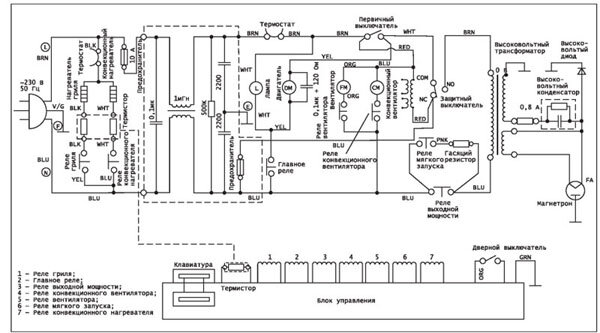
В этой статье расскажу об одной неисправности, связанной с  микроволновыми печами. Проблема  хоть и небольшая, но довольно распространенная — при открытии либо закрытии дверцы микроволновой печи перегорает сетевой предохранитель. Причем после замены предохранителя, микроволновка может  работать нормально какое-то время, а затем снова все повторяется. Связано это в подавляющем большинстве случаев  с системой блокировки двери, которая обеспечивает защиту пользователя от микроволновых излучений в случае работы печи с открытой дверью. Система блокировки состоит из микропереключателей и механической части, основным элементом которой является ригель. При закрытии двери ригель своими защелками воздействует на кнопки переключателей, что приводит к их срабатыванию и запуску системы. Микропереключателей  в печи обычно три — первичный PRIMARY SWITCH, защитный MONITOR SWITCH, вторичный SECONDARY SWITCH, но может встречаться и четвертый — дверной  DOOR SWITCH. Первичный и вторичный имеют два конта

В этой статье расскажу об одной неисправности, связанной с  микроволновыми печами. Проблема  хоть и небольшая, но довольно распространенная — при открытии либо закрытии дверцы микроволновой печи перегорает сетевой предохранитель.

Причем после замены предохранителя, микроволновка может  работать нормально какое-то время, а затем снова все повторяется.

Связано это в подавляющем большинстве случаев  с системой блокировки двери, которая обеспечивает защиту пользователя от микроволновых излучений в случае работы печи с открытой дверью.

Система блокировки состоит из микропереключателей и механической части, основным элементом которой является ригель. При закрытии двери ригель своими защелками воздействует на кнопки переключателей, что приводит к их срабатыванию и запуску системы. Микропереключателей  в печи обычно три — первичный PRIMARY SWITCH, защитный MONITOR SWITCH, вторичный SECONDARY SWITCH, но может встречаться и четвертый — дверной  DOOR SWITCH. Первичный и вторичный имеют два контакта — нормально-разомкнутых, дверной также имеет два контакта, но нормально-замкнутых, у защитных три контакта.

Хотя у разных моделей микроволновых печей могут быть свои схемотехнические решения, но в целом принцип действия примерно похож — при корректной работе системы блокировки при закрытии дверцы печи микропереключатели замыкаются  и сетевое напряжение поступает на первичную обмотку высоковольтного трансформатора питания магнетрона. При этом ток будет протекать через сетевой фильтр, термопредохранитель, замкнутые контакты микропереключателей , первичную обмотку трансформатора, контакты реле магнетрона – КМ, контакты главного реле, термопредохранитель магнетрона, сетевой фильтр, сеть.

Электрическая схема печи SAMSUNG
Электрическая схема печи SAMSUNG

При открытии двери во время работы сработает первичный переключатель, который разомкнет цепь питания высоковольтного трансформатора, , вторичный переключатель  сигнализирует контроллеру платы управления об открытии двери. При этом контроллер даст сигнал на отключение реле магнетрона, контакт КМ размыкается, обесточивая цепь. Микроволновка прекращает работу, кнопки панели управления блокируются. При закрытии двери контакты переключателей вновь замкнутся, дается команда контроллеру о том, что дверь закрыта. При нажатии кнопки Старт контроллер даст команду на включение реле, цепь замыкается и работа печи возобновляется.

Так работает включение СВЧ нагрева при нормальной работе всех элементов цепи. При этом микропереключатели срабатывают не одновременно, а в строгой очередности. Первым при закрытии двери должен сработать защитный переключатель. Он же должен сработать последним при открывании дверцы. Если последовательность срабатывания нарушается и защитный переключатель сработает раньше, чем разомкнулись контакты первичного и вторичного переключателей, то возникает короткое замыкание в цепи, что приводит к выходу предохранителя из строя. Таким образом реализована защита от опасных СВЧ излучений при работе микроволновки с открытой дверцей.

Рассогласование в работе микропереключателей может быть связано как с самими переключателями, так и с механической частью.

В первую очередь необходимо проверить микропереключатели, возможно происходит залипание контактов, либо контакты окажутся подгоревшими. Если необходимо заменить микрики, то лучше менять их все одновременно.

Также проблема может быть чисто механической. Например, сломан пластиковый упор, в который вставляется микропереключатель и соответственно он будет не плотно сидеть на своем посадочном месте, что приводит к неправильной работе блокирующего устройства. Либо может сломаться сам рычаг, который воздействует на кнопку переключателя при закрывании двери.