Добавить в корзинуПозвонить
Найти в Дзене
Endrus Рукожоп ТВ

Как просто поднять напряжение блока питания ATX, от компьютера

Ни для кого не секрет, что блоки питания компьютеров очень часто используются для совершенно разных целей. При небольшой доделке они прекрасно зарекомендовали себя, как самодельные зарядки для автомобильных АКБ и т.п. Как известно при переделке в зарядное устройство на блоке питания необходимо поднять выходное напряжение с 12 В до 14 — 14,5 В, но бывают случаи, что люди сталкиваются с проблемой, что не могут с лету поднять напряжение выше 13 В, т.к. дальше блок уходит в защиту, хотя делают все по инструкциях. Сегодня мы постараемся ответить на вопрос, как поднять напряжение блока питания компьютера. Как поднять напряжение блока питания компьютера? Вскрываем наш блок питания, Codegen 250XA. ШИМ – КА7500В (аналог TL494) + AD393. Изменяя номинал этих резисторов, мы можем менять режим работы ШИМ и соответственно выходное напряжение блока питания. Это резисторы R33 и R34. Выпаиваем один из них, например тот, который соединен из линией +5 В — R33. Вы только посмотрите на это: Цифровой му
Оглавление

Ни для кого не секрет, что блоки питания компьютеров очень часто используются для совершенно разных целей. При небольшой доделке они прекрасно зарекомендовали себя, как самодельные зарядки для автомобильных АКБ и т.п. Как известно при переделке в зарядное устройство на блоке питания необходимо поднять выходное напряжение с 12 В до 14 — 14,5 В, но бывают случаи, что люди сталкиваются с проблемой, что не могут с лету поднять напряжение выше 13 В, т.к. дальше блок уходит в защиту, хотя делают все по инструкциях. Сегодня мы постараемся ответить на вопрос, как поднять напряжение блока питания компьютера.

Как поднять напряжение блока питания компьютера?

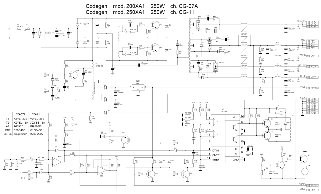
Вскрываем наш блок питания, Codegen 250XA. ШИМ – КА7500В (аналог TL494) + AD393.

Для удобства прикрепляем схему Codegen 250W.
Для удобства прикрепляем схему Codegen 250W.
Первым делом ищем резисторы, которые соединяют первую ножку КА7500В с шиной +5 и +12 В.
Первым делом ищем резисторы, которые соединяют первую ножку КА7500В с шиной +5 и +12 В.
-4

Изменяя номинал этих резисторов, мы можем менять режим работы ШИМ и соответственно выходное напряжение блока питания.

Это резисторы R33 и R34. Выпаиваем один из них, например тот, который соединен из линией +5 ВR33.

Измеряем его сопротивление – 4,7 кОм.
Измеряем его сопротивление – 4,7 кОм.
Далее ищем переменный резистор на 22 кОм и настраиваем его на сопротивление близкое к 4,7 кОм.
Далее ищем переменный резистор на 22 кОм и настраиваем его на сопротивление близкое к 4,7 кОм.
Подпаиваем его на место, стоявшего на плате резистора и включаем блок питания. На выходе должно быть 12 В.
Подпаиваем его на место, стоявшего на плате резистора и включаем блок питания. На выходе должно быть 12 В.
Уменьшая сопротивление переменного резистора можно изменить выходное напряжение примерно до 12,8 — 13 В, дальше блок питания уйдет в защиту и отключится.
Уменьшая сопротивление переменного резистора можно изменить выходное напряжение примерно до 12,8 — 13 В, дальше блок питания уйдет в защиту и отключится.
Что бы иметь возможность поднять его еще выше – просто убираем с платы стабилитрон ZD1.
Что бы иметь возможность поднять его еще выше – просто убираем с платы стабилитрон ZD1.
После удаления стабилитрона напряжение можно подымать дальше 14,5 В.
После удаления стабилитрона напряжение можно подымать дальше 14,5 В.
Или при необходимости 15 В. Без замены выходных конденсаторов выше 16 В подымать не стоит, они рассчитаны на максимальное напряжение в 16 В.
Или при необходимости 15 В. Без замены выходных конденсаторов выше 16 В подымать не стоит, они рассчитаны на максимальное напряжение в 16 В.
Надеемся, эта небольшая заметка поможет начинающим радиолюбителям в их переделках, а вопрос, как поднять напряжение блока питания компьютера больше не будет их тревожить.
Надеемся, эта небольшая заметка поможет начинающим радиолюбителям в их переделках, а вопрос, как поднять напряжение блока питания компьютера больше не будет их тревожить.
-13

Вы только посмотрите на это: Цифровой мультиметр + осциллограф muchair MT8206, усовершенствованный 2-в-1