Добавить в корзинуПозвонить
Найти в Дзене

Простой индикатор окончания заряда для 8,4в Li-Ion батареи ( с BMSом)

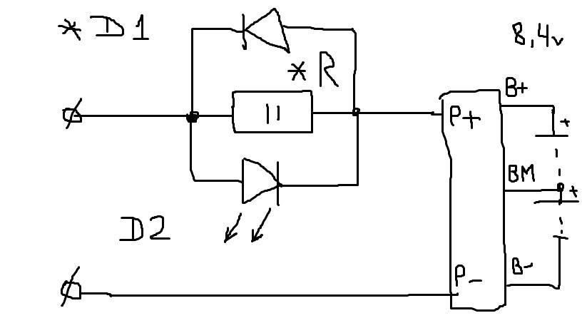
Про хрень из литиевых банок нынче только ленивый не пишет.Ну и меня не обошло : Купил давеча платы кЕтайские BMS для 8,4 вольтОв (узенькие) - типа и защита и баллансировка и даже сама минет делает. Замерятельным путем выяснил,что защита от перезаряда в этой плате таки присуйствует - при достижении одной из банок 4,3 в - оно отключает батарею от источника питания (правда то,что на второй банке до сих пор еще 3,9 - ее конечно не колышет ).Задумался - как индицировать окончание заряда,дабы раньше времени из розетки не выдернуть.Инет показывает кучу схемов - и на транзисторах,и на мелкосхемах.Да вот нюанс - у меня хреновина,куда все это впердолено - по двум проводам и заряжает,и потребляет.Стал пытаться думать и вот чего из думы испражнилось : Вроде все просто,но снова нюанс : рЭзыстор - мощностью и сопротивлением должен быть на ток заряда,для этого его (ток) нужно замерить.Диод D1 - так же должен быть подобран на ток потребления устройством (который тоже нужно замерить,до того как городи

Про хрень из литиевых банок нынче только ленивый не пишет.Ну и меня не обошло : Купил давеча платы кЕтайские BMS для 8,4 вольтОв (узенькие) - типа и защита и баллансировка и даже сама минет делает.

Замерятельным путем выяснил,что защита от перезаряда в этой плате таки присуйствует - при достижении одной из банок 4,3 в - оно отключает батарею от источника питания (правда то,что на второй банке до сих пор еще 3,9 - ее конечно не колышет ).Задумался - как индицировать окончание заряда,дабы раньше времени из розетки не выдернуть.Инет показывает кучу схемов - и на транзисторах,и на мелкосхемах.Да вот нюанс - у меня хреновина,куда все это впердолено - по двум проводам и заряжает,и потребляет.Стал пытаться думать и вот чего из думы испражнилось :

Сумрачный высер.
Сумрачный высер.

Вроде все просто,но снова нюанс : рЭзыстор - мощностью и сопротивлением должен быть на ток заряда,для этого его (ток) нужно замерить.Диод D1 - так же должен быть подобран на ток потребления устройством (который тоже нужно замерить,до того как городить огород).В моем варианте это половинка трехлапой диодной сборки от старого компового бляка пихания.Светодиод - зелененький слева красный,АЛ-чего-то-там.После сборки гоняем на обоих режимах и лапаем на предмет "чтобы сильно не грелось".