Добавить в корзинуПозвонить
Найти в Дзене

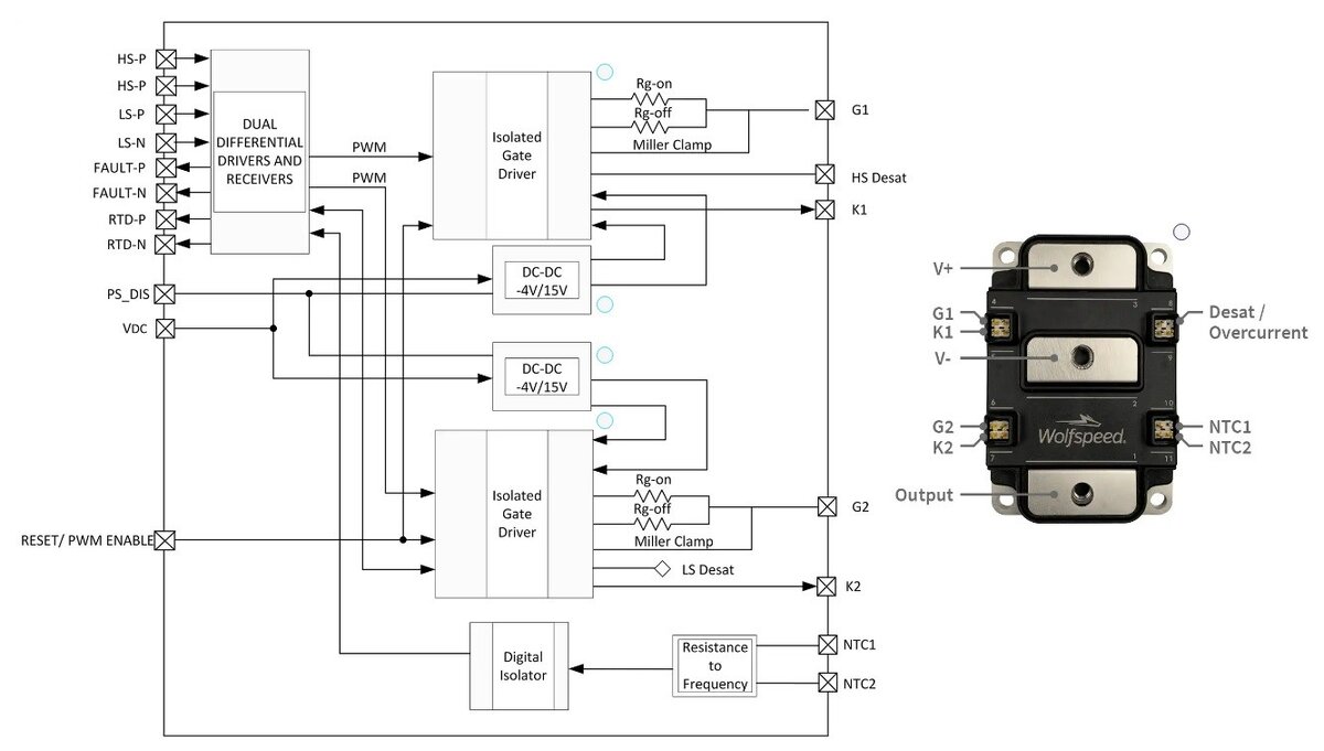
Драйвер для SiC MOSFET силовых модулей платформы XM3 от Wolfspeed

Компания Wolfspeed (A Cree Company) выпустила плату драйвера SiC MOSFET силовых полумостовых модулей 12 класса платформы XM3 – CGD12HBXMP. Особенности CGD12HBXMP: Дифференциальный трансивер CGD12HB00D доступен для заказа. Соответствующие SiC силовые модули платформы XM3: Применение драйвера CGD12HBXMP: Компания Макро Групп является официальным дистрибьютором Wolfspeed в России и странах СНГ.

Компания Wolfspeed (A Cree Company) выпустила плату драйвера SiC MOSFET силовых полумостовых модулей 12 класса платформы XM3 – CGD12HBXMP.

Драйвер для SiC MOSFET силовых модулей платформы XM3 от Wolfspeed
Драйвер для SiC MOSFET силовых модулей платформы XM3 от Wolfspeed

Особенности CGD12HBXMP:

  • оптимизирован для полумостовых силовых модулей платформы XM3 от Wolfspeed
  • напряжение DC шины до 1000 В
  • встроенные изолированные блоки питания мощностью 2 Вт поддерживают частоту коммутации 80 кГц
  • настраиваемые пользователем резисторы включения и выключения затвора, позволяющие оптимизировать коммутационные потери
  • встроенные перегрузки по току, предупреждение пробоя и защита от обратной полярности
  • дифференциальные входы для повышения помехоустойчивости
  • очень низкая изоляционная ёмкость (<5 пФ) и устойчивость к синфазным переходным процессам (CMTI) 100 кВ/мкс
  • светодиодные индикаторы ошибок для мгновенной визуальной обратной связи
  • доступность
  • отладка доступна для заказа «в железе»
  • отладка доступна как файлы референс-дизайна
Дифференциальный трансивер CGD12HB00D
Дифференциальный трансивер CGD12HB00D

Дифференциальный трансивер CGD12HB00D доступен для заказа.

Соответствующие SiC силовые модули платформы XM3:

  • CAB450M12XM3
  • CAB425M12XM3
  • CAB400M12XM3

Применение драйвера CGD12HBXMP:

  • быстрая зарядка электромобилей
  • промышленная энергетика
  • источники бесперебойного питания (ИБП)
  • индукционный нагрев и сварка
  • промышленные моторные двигатели
  • солнечная и другая возобновляемая энергетика
  • электрические сети

Компания Макро Групп является официальным дистрибьютором Wolfspeed в России и странах СНГ.