Найти в Дзене
Ruslan Tarasevich

VEF 216 отсутствует звук (ремонт)

Здравствуй уважаемый читатель! В одной из недавних статей я описал устройство приемника ВЕФ-216. Помимо сгоревшего предохранителя, в приемнике была обнаружена еще одна серьезная неисправность. Блок переключателей диапазонов и тембра радиоприемника ВЭФ Проявилась она при включении приемника нажатием на кнопку. Напрочь отсутствовал звук. Слышен был только фон переменного тока, а перестройка приемника не давала никаких шумов на всех диапазонах. При регулировке громкости и тембра отсутствовали характерные для старой аппаратуры хрипы. Я просмотрел схему скачанную из интернета и выяснил что сигнал теряется на входе в блок тембров. Сигнал приходит на вывод 1 разъема около ключа (на фото слева) Соседний справа контакт - это выход сигнала с блока , при положении движка регулировки на максимум сигнала на контакте не наблюдалось. Было принято решение демонтировать блок и проверить его компоненты. Для этого я отсоединил разъем и открутил 3 шурупа. Я доставал модуль из корпуса приемника перем
Оглавление

Здравствуй уважаемый читатель!

В одной из недавних статей я описал устройство приемника ВЕФ-216. Помимо сгоревшего предохранителя, в приемнике была обнаружена еще одна серьезная неисправность.

Блок переключателей диапазонов и тембра радиоприемника ВЭФ

Проявилась она при включении приемника нажатием на кнопку. Напрочь отсутствовал звук. Слышен был только фон переменного тока, а перестройка приемника не давала никаких шумов на всех диапазонах.

Блок переключателей диапазонов и тембров
Блок переключателей диапазонов и тембров

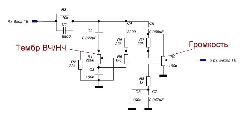
При регулировке громкости и тембра отсутствовали характерные для старой аппаратуры хрипы. Я просмотрел схему скачанную из интернета и выяснил что сигнал теряется на входе в блок тембров.

Схема темброблока радиоприемника ВЭФ
Схема темброблока радиоприемника ВЭФ

Сигнал приходит на вывод 1 разъема около ключа (на фото слева)

Вход сигнала с материнской платы приемника
Вход сигнала с материнской платы приемника

Соседний справа контакт - это выход сигнала с блока , при положении движка регулировки на максимум сигнала на контакте не наблюдалось.

Было принято решение демонтировать блок и проверить его компоненты. Для этого я отсоединил разъем и открутил 3 шурупа.

Демонтаж модуля тембров приемника ВЭФ
Демонтаж модуля тембров приемника ВЭФ

Я доставал модуль из корпуса приемника перемещая плату вниз. Когда же кнопки вышли из пазов, поднял ее вверх и вперед, выводя из под канатика.

Пропаиваем блок тембров радиоприемника

Далее я увидел такую картину...

Отвал пятака в разъеме
Отвал пятака в разъеме

Разрушилась пайка в разъеме платы с 1-го по 4 вывод. Один пятак с куском дорожки отвалился.

Пятак восстановлен при помощи проволочки
Пятак восстановлен при помощи проволочки

Я устранил дефект, припаяв первый вывод к дорожке при помощи проволочки. Предварительно я зачистил лак защищающий дорожку.

Пропайка выполнена
Пропайка выполнена

Все остальные выводы я пропаял используя паяльный жир.

Подсоединив разъем, я проверил приемник снова - наконец-то появились знакомые хрипы при регулировке громкости, а также шумы при настройке и переключении диапазонов :)

Всем спасибо за то что прочитали статью!

Читайте также материалы по теме:

Замена дисплея блока климата иномарки

Не включается ноутбук? Восстанавливаем Acer ES15

Что делать, если залили клавиатуру в ноутбуке

Сгорел зарядник для макбука? Есть выход из положения

Делаем своими руками микрофонный усилитель

Сломался шуруповерт? Продлеваем жизнь старому шуруповерту для дома (личный опыт)

Эквивалент нагрузки для усилителя мощности звука

Устройство импульсного блока питания

Дефектуем плохие конденсаторе на плате приемника (видео)

Тестируем OSA103 Осциллограф

настройка УМЗЧ при помощи осциллографа OSA103

Цифровой Осциллограф / Генератор/ Проверка трансформатора

Как правильно проверять радиостанции

Маломощные высокочастотные разъемы

А вам часто попадаются дефекты связанные с разрушением пайки?

Пишите в комментариях, с удовольствием пообщаемся.

Ставьте лайк, подписывайтесь на канал , будет много интересных публикаций.

#ретро #усилитель #аудио #электроника #принципиальный схема