Найти в Дзене
Александр Юренин

Электростатики. Выбираем усилитель 2. Схемотехника

Ниже представлю несколько схемотехнических решений   основных ЭС усилителей, о которых была речь в первой части статьи. В частности, KGDT: KGSSHV CARBON KGBHV6 STAX T8000 Из схем, размещенных выше, очевидно, что усилители  KG имеют 2 основных  отличия, принципиально обеспечивающих более качественное звучание:
1.Использование источников тока в качестве нагрузки выходного каскада.
2. Видоизмененные выходные каскады, введение новых типов пп деталей в качестве выходных (например SiC транзисторов в усилителе CARBON)
Иначе говоря, если  бы легендарный  STAX T2 проектировался в настоящее время, его схема могла бы быть очень сильно упрощена. Например, благодаря наличию более современных деталей, не было бы нужды в соединении транзисторов последовательно для получения более высоких значений выходных напряжений, а для получения больших токов не было бы нужды в параллельном включении некоторых транзисторов.  В дополнение, усилители от KG предлагают набор раздельных стабилизированных источн

Ниже представлю несколько схемотехнических решений   основных ЭС усилителей, о которых была речь в первой части статьи.

В частности, KGDT:

KGDT. Типичная схемотехника STAX + ИТ в нагрузке выходного каскада.
KGDT. Типичная схемотехника STAX + ИТ в нагрузке выходного каскада.

KGSSHV CARBON

KGSSHV Carbon.  SiC транзисторы в качестве силовых элементов выходного каскада.
KGSSHV Carbon. SiC транзисторы в качестве силовых элементов выходного каскада.

KGBHV6

KGBH. Пентод EL34 на выходе
KGBH. Пентод EL34 на выходе

STAX T8000

Новейший   усилитель от STAX, модель T8000.  Лампы и транзисторы поменяны местами. Вход на лампах, выход на транзисторах. Для улучшения демпфирования на выходе введены каскады ОЭ.
Новейший усилитель от STAX, модель T8000. Лампы и транзисторы поменяны местами. Вход на лампах, выход на транзисторах. Для улучшения демпфирования на выходе введены каскады ОЭ.

Из схем, размещенных выше, очевидно, что усилители  KG имеют 2 основных  отличия, принципиально обеспечивающих более качественное звучание:
1.Использование источников тока в качестве нагрузки выходного каскада.
2. Видоизмененные выходные каскады, введение новых типов пп деталей в качестве выходных (например SiC транзисторов в усилителе
CARBON)
Иначе говоря, если  бы легендарный 
STAX T2 проектировался в настоящее время, его схема могла бы быть очень сильно упрощена. Например, благодаря наличию более современных деталей, не было бы нужды в соединении транзисторов последовательно для получения более высоких значений выходных напряжений, а для получения больших токов не было бы нужды в параллельном включении некоторых транзисторов. 

В дополнение, усилители от KG предлагают набор раздельных стабилизированных источников питания практически для всех цепей усилителя. Что тоже, безусловно, влияет на окончательное качество звучания этих моделей, поскольку БП большинства STAX усилителей (за исключением "монстроидального" STAX T2) совершенно примитивны.

Классическая структура усилителя  STAX является двухкаскадным дифференциальным усилителем. Входные и выходные сигналы инвертированы. Поскольку подобная схема не очень известна, зачастую ее ошибочно считают трехкаскадной. На самом деле, эта схемотехника очень часто применяется в операционных усилителях, посмотрите например на известный чип AD797.

Схема операционного усилителя AD797
Схема операционного усилителя AD797

Входные каскады практически всех ЭС усилителей реализованы на полевых транзисторах. Старые модели использовали сдвоенные транзисторы (в едином корпусе), более свежие - раздельные, но соединенные вместе на радиаторе для обеспечения термической связи. Самый свежий усилитель STAX T8000 вместо "полевиков" использует лампу 6922. Принцип работы тот же, необходимо лишь увеличение питающего напряжения каскада и выбор оптимальной рабочей точки лампы. TVR1 служит для балансировки средней точки.  Схема балансируется для достижения равенства токов, протекающих через оба плеча дифференциальной цепи.

Несмотря на то что качество входного каскада на полевых транзисторах может вызывать вопросы (особенно в случае непосредственного подключения к источнику), добиться его улучшения довольно сложно. Это обусловлено посредственными качественными характеристиками самих транзисторов,  низким усилением и высокими шумами. По сути, "полевики" просто шунтируют собой входные регуляторы чувствительности. В идеале, для улучшения качества, было бы правильно буферизировать сигналы после регуляторов громкости более качественными элементами. Например супер-бета транзисторами.

Выходной каскад является традиционным дифференциальным усилителем с общим катодом. Причем, в качестве нагрузки у
STAX постоянно используют резисторы, а модели KG используют полупроводниковые источники тока. Принципальный плюс такого решения у KG показан на графике ниже.

Режимы работы лампы с нагрузкой  виде резисторов и ИТ.
Режимы работы лампы с нагрузкой виде резисторов и ИТ.

Из картинки видно, насколько значительно лучше использование полупроводникового ИТ в качестве нагрузки, в сравнении с обычным резистором. При том же самом напряжении питания (БП), и правильном выборе рабочей точки легко получить бОльший запас по размаху напряжения на выходе. Следует лишь следить за симметричностью положительного и отрицательного уровня сигнала на выходе. Элегантное и простое решение для повышения качества ЭС усилителей.  


  У модели 
KGSSHV CARBON. в качестве выходного усилительного каскада использована часть каскодного дифференциального усилителя, а в качестве элементов усиления использованы редкие твердотельные триоды C2M1000170D в ОЗ включении (MOS-FET транзисторы на основе  карбида кремния SiC (отсюда, собственно и название - CARBON

Усилитель GG по схеме практически точно такой же, только на выходе использованы ламповые триоды EL34 вместо C2M1000170D.
 Насколько хороша каскодная схема на выходе - вопрос открытый. С точки зрения возможного снижения выходного сопротивления, схемы с выходом ОЭ, как это сделано в старых моделях
KGSSHV или новейшем усилке STAX T8000, кажутся мне более перспективными.

Вместо послесловия

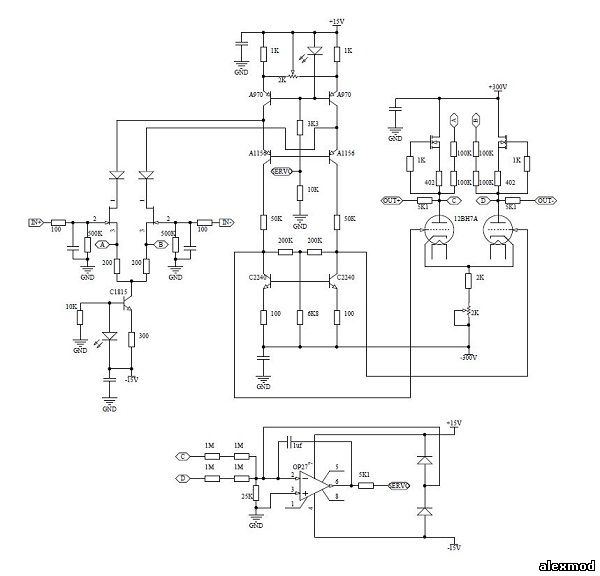
Предлагаемая ниже схема-прототип усилителя для ЭС наушников считается мной оптимальной со всех сторон.
Усилитель представляет собой входной каскад на сложенном каскоде и выходной каскад на ламповом триоде по схеме с общим катодом и нагрузкой в виде ИТ.

Прототип гибридного усилителя для ЭС наушников для обеспечения максимально качественного  звучания.
Прототип гибридного усилителя для ЭС наушников для обеспечения максимально качественного звучания.

Особенности схемы:

1. В качестве входных использованы биполярные низкошумящие транзисторы с высокой бэтой (т.н "супер-бэта транзисторы"). Причем входные пары должны тщательно подбираться и быть термически соединены в пары. В качестве эмиттерных и коллекторных нагрузок использованы источники тока, эмиттерные резисторы в парах должны быть точно подобраны по сопротивлению и иметь низкотемпературный дрифт.

2. В качестве транзисторов в каскоде, включенных по схеме  ОБ должны быть использованы достаточно высоковольтные устройства с максимально  низкой межвыводной емкостью и высоким Hfe. Необходим аккуратный подбор рабочей точки и теплоотвод (при необходимости). В качестве коллекторной нагрузки использован ИТ специального вида. Его опорное напряжение одновременно является напряжением смещения для лампового выходного каскада.

3. Выходной каскад собран по типовой схеме, однако, с точки зрения снижения выходного сопротивления и улучшения демпфирования нагрузки - это не самый лучший вариант. Возможно, именно для улучшения этих параметров, в STAX Т8000  на выходе добавлен каскад ОЭ. Однако и такой выход - не панацея. Чем больше каскадов, тем больше фазовый сдвиг и искажения. Вполне возможно что именно по этим соображениям в схеме KGSSHV эмитерный каскад присутствует, а в дальнейшем развитии, в схеме  CARBON его уже нет.

Однозначных решений тут нет, единственно что можно сказать, если ваши требования к динамическим переходным характеристикам максимально высоки, будет не лишним ввести этот дополнительный каскад...