Добавить в корзинуПозвонить
Найти в Дзене
MOTOGUIDE

Один из лучших мопедов. Альфа 72сс

Начнем, прежде всего, с сердца любой техники, ее мотора. Двигатель на Альфа 72 куб четырехтактный, что уже преимущество, а охлаждение его происходит путем попадания воздуха на поверхность или другими словами, воздушным путем. Что касается объема двигателя, которым может «похвастаться» мопед Альфа, то он составляет, как и понятно по названию, 72 куб. см. Несмотря на такой малый объем, эта модель развивает огромную скорость и невероятную мощность. В процессе, подразумевающем ремонт, направленный на модернизацию силового агрегата, есть возможность значительно добавить мощность. Если перевести штатную мощность, на которую потянет мопед Альфа в л.с., то это будет 5 лошадям. Да и максимальное количество оборотов у него не превышает 7,5-8 тысяч об/мин. Особенности мопеда Альфа У Альфа 72 куб есть свои особенности. В частности, они следующего свойства. Амортизаторы Среди особенностей Альфа можно выделить и амортизаторы. Они у него гидравлические. Это дает возможность быстрого маневрирования в
Оглавление

Начнем, прежде всего, с сердца любой техники, ее мотора. Двигатель на Альфа 72 куб четырехтактный, что уже преимущество, а охлаждение его происходит путем попадания воздуха на поверхность или другими словами, воздушным путем. Что касается объема двигателя, которым может «похвастаться» мопед Альфа, то он составляет, как и понятно по названию, 72 куб. см. Несмотря на такой малый объем, эта модель развивает огромную скорость и невероятную мощность. В процессе, подразумевающем ремонт, направленный на модернизацию силового агрегата, есть возможность значительно добавить мощность.

Если перевести штатную мощность, на которую потянет мопед Альфа в л.с., то это будет 5 лошадям. Да и максимальное количество оборотов у него не превышает 7,5-8 тысяч об/мин.

Особенности мопеда Альфа

У Альфа 72 куб есть свои особенности. В частности, они следующего свойства.

  • К колесу идет не кардан, а цепь. Ремонт априори проводить становится легче;
  • Длина мопеда 1,8 м;
  • Ширина – 50 см;
  • Вес Альфа – 81 кг. Считается для мопедов небольшим и опять же, эта характеристика незаменима при таком процессе, как ремонт;
  • 17 дюймов составляет переднее колесо, столько же – заднее. С другой стороны объем заднего колеса больше;
  • Тормоза приводятся в действие вручную. Рычаг находится наподобие велосипедных конструкций на руле. Тормоза барабанного типа, что опять же, облегчает ремонт.

Амортизаторы

Среди особенностей Альфа можно выделить и амортизаторы. Они у него гидравлические. Это дает возможность быстрого маневрирования в сложных условиях, не боясь за последствия. Отличные амортизаторы, которыми обладает эта модель, а также крепкая рама, правильный диаметр колес и многое другое – это приспособленность проходить ямы и колдобины, к примеру, на сельских дачных дорогах. Ремонт, даже после прохождения самого страшного бездорожья, потребуется разве что, только для декоративных вставок.

Интересно, что мопед Альфа дает еще одну уникальную возможность. Она ценится многими умельцами на все руки. Мастерам «самоделкиным» удается ставить на этот мопед, когда проводится ремонт, даже амортизаторы от российских мотоциклов Минск или Восход. Понятно, что так можно будет сэкономить неплохо на запчастях, а в некоторых случаях и увеличить проходимость мопеда Альфа.

Топливный бак

Топливный бак у Альфа не такой большой, зато это можно легко объяснить. Дело в том, что этих 4-х литров хватает на 200 км и поэтому не нужно было оснащать легкий мопед большим по объему баком.

Что касается содержимого бака, то сюда можно заливать обычный российский 95-й бензин.

Грузоподъемность этой модели Альфа тоже вызывает восхищение. 120 кг спокойно тянет этот мопед. Другими словами, если на мопед сядут двое взрослых мужчин, поедет без проблем. По словам некоторых сельских жителей, владельцев мопеда этой модели, он отлично справляется даже с жижей и грязными дорогами.

Одним словом, проходимость Альфа 72 куб на самом высоком уровне. Мопед этот идеален для поездок на дачу или на озеро.

Дизайн

Представляет собой пример для подражания и дизайн этого детища китайского мотопрома. Мопедом любуешься так, будто это настоящий мотоцикл. Кроме того, особую красоту представляет глушитель Альфа 72, выполненный в особой форме и издающий приятные спортивные нотки. Ноги владельца Альфа 72 куб встанут на блестящие подставки. Одним словом, настоящая классика жанра, только вместо настоящего байка — мопед.

Хороша собой и панель приборов. Она включает в себя спидометр и различные оповестительные лампочки. Они очень полезны при движении, так как оповещают водителя о том, какой свет сейчас горит – дальний или ближний, какой поворотник задействован и так дальний.

Зеркала заднего вида – особая черта дизайна. Они красивы и подчеркивают красоту нашего мопеда.

За спиной у водителя, как и полагается, наличествует место под кофр. Невероятно удобная спинка для пассажира, стильная и практичная.

Безопасность

Что касается безопасности во время езды, то и здесь одни плюсы. Боковые дуги, не деформирующиеся во время падения мопеда при аварии (ремонт для них практически не нужен). Они полностью металлические, изготовленные из прочных труб.

Инструкция

Руководство по эксплуатации скутера Alpha Sabur состоит из следующих разделов:

  1. Общий вид;
  2. Расположение органов управления;
  3. Проверка технического состояния перед началом движения;
  4. Заправочные емкости и жидкости;
  5. Основы управления;
  6. Проверка технического состояния;
  7. Обкатка двигателя;
  8. Виды неисправностей и их устранение;
  9. Мойка, процедура консервирования и хранение;
  10. Технические характеристики;
  11. Принципиальная электросхема;
  12. Положение о гарантии качества;

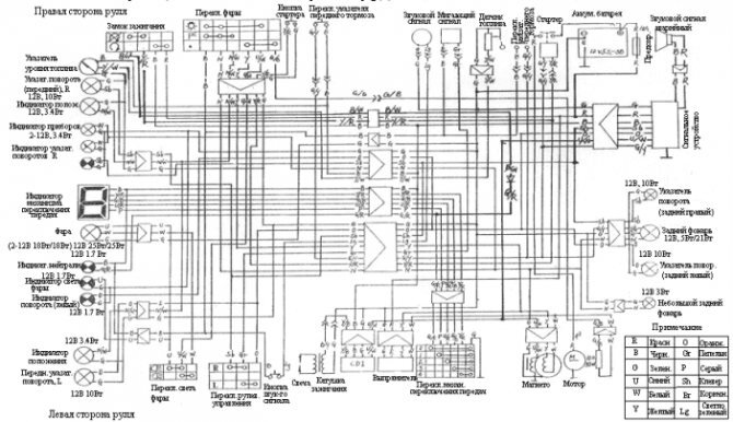
Схема проводки (электросхема)


Электрическая схема проводки мопеда
Электрическая схема проводки мопеда

Как выставить зажигание и отрегулировать клапана

Ремонт клапанов мопеда Сабур sb50q производится следующим образом:

-3
  1. Открутить пластиковую крышку на двигателе;
  2. Снять верхнюю крышку;
  3. Открутить две гайки на головке – верхнюю и нижнюю (используется ключ на 17);
  4. Прокрутить коленвал с помощью головки на воротке через отверстие после пластиковой крышки, до тех пор, пока в верхнем окошке не появится метка (Т);
  5. Проверить нахождение поршня в верхней мертвой точке по толкателю на впускном клапане;
  6. Открутить гайку на верхнем клапане и выставить зазор 0.05, с помощью щупа;
  7. На нижнем клапане выставляется зазор 0.1;
  8. После регулировки нужно закрутить все крышки в обратном порядке.

Где купить и сколько стоит

Купить мотороллер сабур 110 можно новый или б/у. Цена подержанного мопеда составляет от 200 до 400 долларов. Новый обойдется в 550 условных единиц. Официальные магазины предоставляют гарантию на 1 год, продают технику в рассрочку и занимаются доставкой по всей территории Российской Федерации.

В Украине цена мотороллера не отличается. Кредиты на мототехнику выдаются популярными банковскими учреждениями, а перевозка осуществляется транспортными компаниями (Новая Почта, Интайм и другие).

Продажа в Беларуси через магазины . Стоимость б/у модели Sabur SB выпущен в 2009 году с пробегом 6000 км составляет 1160 белорусских рублей. Новый мопед с мотором 72 cc будет стоить около 1600 руб. с возможностью оформить рассрочку.

Фотоотчет: Замена задней цепи мопеда Альфа

Цепная передача крутящего момента — всегда проблема. Но дешевизна, простота обслуживания вкупе с малым весом, а для мотоцикла — вес — это очень существенный параметр — перевешивают все недостатки и цепной привод заднего колеса также как и много лет назад в мотостроении является главенствующим. И от этого в ближайшие десятилетия мы вряд ли уйдем.

Как уже было сказано: цепь — всегда проблема. Тянется она зараза и ничего с этим не поделаешь. И ладно бы только тянулась, так она начинает жрать зубья звезд и если вовремя ее не заменить на новую, то она буквально за один сезон сожрет звездочки.

Не вдаваясь в теорию — рассмотрим классический случай: цепь растянулась и требует срочной замены. Если внимательно присмотреться к картинке, то будет видно, что ролики цепи не попадают в зубья звездочки. Как следствие ролики цепи бьют по зубьям звездочки и сжирают ее буквально за один сезон.

-4

Некоторые, особо одаренные деятели умудряются нарезать «болгаркой» на таких звездочках свои, эксклюзивные зубья. Но мы такой фигней страдать сегодня не будем, а купим новую ведущею звезду (ведомая еще живая, пару сезонов походит), цепь и сделаем все по-человечески, а не по-колхозному.

-5

При выборе новой цепи отталкивайтесь от ширины и количества зубьев на звездочках вашего мопеда. Цепи для Альфы идут разной ширины и длины: есть широкие, есть узкие, есть длинные, есть короткие. Мы будем ставить широкую, 428 под звездочки Z13 Z41, а какую будите ставить вы зависит только от ваших звездочек и предпочтений.

-6

Снимаем кожухи, крышку ведущей звездочки, откручиваем гайку оси заднего колеса\задней звездочки, ослабляем с обоих сторон натяжные цепи.

-7

Ищем на цепи замок, расстегиваем его и снимаем старую цепь. У бивней цепь всегда заклепана наглухо и в этом плане мне не повезло: пришлось идти за болгаркой B-)…

-8

Толкаем колесо по заднему маятнику максимально вперед, накидываем новую цепь, застегиваем замок. Чтобы замок не расстегнулся на ходу — ставим защелку так, чтобы ее разрез смотрел в противоположную сторону от направления ее движения. Чтобы не запутаться сделайте так: проверните колесо так, чтобы замок был сверху маятника и застегните защелку разрезом к заднему колесу.

-9

Слегка подтягиваем гайки оси звездочки\задней оси, скидываем пырчик с подножки, прокачиваем несколько раз заднею подвеску и начинаем не спеша натягивать цепь примерно по такому принципу: чуть подтянули цепь — сразу промеряли линейкой как стало колесо.

Если расстояние от колеса до маятника с одной стороны будет существенно меньше или больше чем с другой — калибруем положение колеса нужным натяжным. Таким макаром, урывками тянем цепь до нужной кондиции.

-10

Тянем цепь до тех пор пока она не будет провисать на 1-1.5 см. Этого будет вполне достаточно. После всего проделанного затягиваем гайки осей и в обязательном порядке регулируем задние тормоза. За тормоза никогда не забываем, а то впечатаетесь на радостях в мусорный бак или в такого же оленя.

-11

Для тех кто еще с нами поведаю дедовский способ как легко и просто определить насколько сильно ушатана цепь: берем цепь, расправляем и вывешиваем ее в горизонтальном положении. Чем ушатанней будет цепь тем сильней она опишет дугу, чем новей тем она будет более ровной.

Для сравнения я взял две цепи: одна ушатанная, другая только что из магазина: ушатанная повисла соплей практически под углом 90 градусов, новая чуть провисла и все. Такой вот способ.

-12