Добавить в корзинуПозвонить
Найти в Дзене

Инженер-иллюзионист в военной приёмке: проверка герметичности контейнеров НУП. Стабкабель - stub cable - ват ис ит ?

Это история произошла очень много лет назад, когда Борис Яковлевич был просто Борей, и ещё не развил в себе в полной мере способности инженера-иллюзиониста. Проходите, товарищ Пегельмейстер – нам насчёт Вас уже позвонили. Инженер-иллюзионист и измеритель уровня. Даром рассказчика я не обладаю, поэтому передам общее содержание истории, рассказанной Борисом Яковлевичем, в том виде, который я запомнил, и дополню техническим комментарием. Военная приёмка Начало 70-х. После получения диплома ЛЭИС Борис Яковлевич оказался в военном представительстве. И как-то иногда получалось, что он, казалось бы, чисто случайно, находил «косяки», которые «промы» (так военные называли производственников, во всяком случае в конце 80-х) удачно скрывали от военпредов, а иногда даже сами о них не знали. Возникали неприятные ситуации – хорошие люди сильно огорчались. Поэтому Борис, отработав положенный по распределению срок, ушел из военной приемки – он не хотел никого огорчать, ему нравилось, когда у всех вокр
Оглавление

Это история произошла очень много лет назад, когда Борис Яковлевич был просто Борей, и ещё не развил в себе в полной мере способности инженера-иллюзиониста. Проходите, товарищ Пегельмейстер – нам насчёт Вас уже позвонили. Инженер-иллюзионист и измеритель уровня.

Даром рассказчика я не обладаю, поэтому передам общее содержание истории, рассказанной Борисом Яковлевичем, в том виде, который я запомнил, и дополню техническим комментарием.

Военная приёмка

Начало 70-х. После получения диплома ЛЭИС Борис Яковлевич оказался в военном представительстве. И как-то иногда получалось, что он, казалось бы, чисто случайно, находил «косяки», которые «промы» (так военные называли производственников, во всяком случае в конце 80-х) удачно скрывали от военпредов, а иногда даже сами о них не знали.

Возникали неприятные ситуации – хорошие люди сильно огорчались. Поэтому Борис, отработав положенный по распределению срок, ушел из военной приемки – он не хотел никого огорчать, ему нравилось, когда у всех вокруг хорошее настроение.

Проверка герметичности НУП.

На заводе, производившим аппаратуру дальней связи военпреды принимали НУПы (НУП – необслуживаемый усилительный пункт). Борису, среди прочего, досталась проверка герметичности контейнеров НУП.

Производилась она следующим образом: в корпус НУПа закачивался воздух под давлением выше атмосферного (P ± Δ). Через определенный промежуток времени (в начале следующего рабочего дня) измеряли давление – если оно находилось в пределах (P ± Δ), то НУП считался прошедшим испытание. Разработчики методики проверки были не звери какие-нибудь, а вполне гуманные люди – дельта включала в себя не только погрешность измерений, которая, как учит нас метрологическая наука, состоит из инструментальной, методической и субъективной, но и некоторую небольшую допустимую утечку воздуха. Кроме того, не исключался и творческий подход, т.е. можно было закачать воздух до давления (P + Δ), что давала теоретическую возможность снижения давления в пределах 2 Δ.

В графе «давление» протоколе испытаний для каждого НУПа делалась запись «соответствует» после закачки и такая же запись, через положенный срок, после проверки. Борис традицию нарушил и записал показания манометра в обеих случаях -– в некоторых НУП давление было больше, чем в предыдущий рабочий день , причем увеличение никак нельзя было списать на инструментальную погрешность. Объяснение могло быть только одно: перед началом рабочего дня воздух подкачивали и перекачали.

Пришлось процесс начать снова и помещение опечатать. В итоге проверку не прошла вся партия.

Переходим от НУП к НРП

Так как данных ни о том, какую систему передачи принимало военное представительство, где работал Борис, ни подробностей о НУПе история не сохранила, то для иллюстрации контейнера НУП под давлением рассмотрим контейнер НРП (необслуживаемый регенерационный пункт) НРП-12-4, входящий в состав линейного тракта системы ИКМ-30-4, а также НРП для системы ИКМ-120. Эти системы более близки нам по времени, и я с ними был немного знаком.

В свое время приходилось заниматься решением проблемы повреждений регенераторов систем ИКМ 15/30 при грозе. Некоторые моменты этой эпопеи отразил в статье АВАРИИ НА ОБЪЕКТАХ СВЯЗИ Причина – опасные электромагнитные влияния. Часть 6.

Контейнер НРП-12-4 (ИКМ-30-4)

Слева: НРП-12-4 в кабельном колодце.  Источник изображения: фотохостинг. https://radikal.ru  Справа: НРП-12-4 в чистом поле. Источник изображения  http://www.radioscanner.ru
Слева: НРП-12-4 в кабельном колодце. Источник изображения: фотохостинг. https://radikal.ru Справа: НРП-12-4 в чистом поле. Источник изображения http://www.radioscanner.ru

На рисунке справа мы видим НРП-12-4 в чистом поле, слева – в колодце, рядом с другими контейнерами. Обратим внимание на надпись «Внимание! открывать только при снятом избыточном давлении» Стрелка с подписью «Давление» указывает на крышку, под которой находится воздушный вентиль.

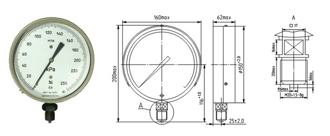
Компиляция из [1]: Следует также произвести проверку герметичности контейнера, измеряя давление манометром МТИ-1218-1,6´0,6 , подсоединенным к вентилю под крышкой «Давление». Контейнер считается герметичным, если внутреннее избыточное давление в нем не снизилось по сравнению со значением, указанном в заводском паспорте, более чем на 10 кПа (0,1 кгс/см2). При отсутствии избыточного давления внутри контейнера или при его снижении, а также при неудовлетворительных результатах внешнего осмотра оборудование НРП не принимается.
Манометр МТИ-1218. Источник изображения: www.avto-kip.ru
Манометр МТИ-1218. Источник изображения: www.avto-kip.ru

Манометр точных измерений МТИ-1218, выпускается в настоящее время предприятием «Теплоприбор». Диапазон измеряемого давления 0,1…160 МПа; класс точности - 0,6%; подключение - радиальный штуцер М20х1,5.

На снимке «НРП в колодце» на красных и зеленых контейнерах хорошо заметны герметичные вводы, в которые заводятся линейные кабели.

Контейнеры НРП ИКМ-120

Для ИКМ-120 используются несколько типов регенераторов, в зависимости от способа установки и условий эксплуатации – в кабельных колодцах, подвалах, нишах зданий, на железобетонных опорах.

Для них принцип герметизации кабельных вводов несколько другой, чем у НРП ИКМ-30. В контейнер вводятся стабкабели (попросту говоря, из контейнера торчат два куска кабеля с герметизированными концами).

Работы по оборудованию вводов сводятся к монтажу газонепрогицаемой соединительной соединительной или разветвительной муфты на стыке линейного кабеля со стабкабелем контейнера. Для иллюстрации добавил несколько рисунков.

Слева - контейнер НРП-К2 со стабкабелями. Справа: контейнер НРП-02, установленный на железобетонной опоре. Источник: [2].
Слева - контейнер НРП-К2 со стабкабелями. Справа: контейнер НРП-02, установленный на железобетонной опоре. Источник: [2].
Устройство вводно-кабельное (УВК) для НРП-Г8 системы ИКМ-120:  1 - вентиль; 2 - защитный хомут; 3 - битумная масса; 4 - изолирующая прокладка; 5 - корпус УВК; 6 - розетка; 7 - вилка закорачивающая; 8 - воздуховод. Источник: [2].
Устройство вводно-кабельное (УВК) для НРП-Г8 системы ИКМ-120: 1 - вентиль; 2 - защитный хомут; 3 - битумная масса; 4 - изолирующая прокладка; 5 - корпус УВК; 6 - розетка; 7 - вилка закорачивающая; 8 - воздуховод. Источник: [2].

А зачем разветвительные муфты ? Очень просто – предположим положен не одночетверочный кабель, а, например МКС-4х4х1,2 – то можно по нему подключить сразу несколько систем ИКМ-120, причем сначала одну систему, а потом увеличивать их количество при необходимости (и получить 480 каналов при полном использовании емкости кабеля).

Стабкабель / Stub Cable ват ис ит ?

Не только сейчас, но и в советское время и дореволюционное тоже иностранные термины в технический язык постоянно привносились – попробуй, например, дать короткое определение, что такое Stub Cable ?

Альтернатива такому заимствованию - применение русской универсальной терминологии, но она подходит исключительно для устных технических дискуссий. Поэтому применяем импортную – «стаб-кабель» - что же тут непонятного ? Эта такая длинная ….. которая торчит из этой …..

Учебное видео по технической терминологии: Владимир Винокур - Великий и могучий русский язык

Чтобы было еще понятнее, посмотрел определение stub cable в свободной энциклопедии the free dictionary

Short branch off a principal cable; the end is often sealed until it is used at a later date; pairs in the stub are referred to as stubbed-out pairs.

А так же толкование stub (electronics) в словаре https://en-academic.com

In electronic signaling, a stub is a section of transmission line with a calculated length. It is used for impedance matching or to obtain an exact capacitance or inductance.

Мне было интересно это писать - очень надеюсь, что моим читателям статья понравится.