Найти в Дзене

Красота надолго: как применяется в дизайне анодированный алюминий

Алюминиевые поверхности эффектно смотрятся во многих направлениях дизайна, но у материала есть недостаток: со временем на нем появляются точки коррозии. Поэтому там, где важен внешний вид изделий, используют анодированный алюминий. В этой статье расскажем, что такое анодированный алюминий и как он используется в промышленности и быту. Процедура анодирования алюминия Есть несколько способов защиты алюминия от коррозии: покраска, покрытие реагентами или анодирование. Анодирование — самый эффективный из них. На поверхности создается защитная оксидная пленка, которая препятствует окислению на поверхности сплава и, как следствие, постепенному разрушению металла. Пошаговая процедура процесса анодирования: Полученное покрытие износостойкое: алюминий, прошедший анодирование, становится прочным, невосприимчивым к большинству внешних раздражителей. А еще ему можно придать красивые оттенки. Где используется анодированный металл Анодированные алюминиевые изделия благодаря своим преимуществам вост
Оглавление

Алюминиевые поверхности эффектно смотрятся во многих направлениях дизайна, но у материала есть недостаток: со временем на нем появляются точки коррозии. Поэтому там, где важен внешний вид изделий, используют анодированный алюминий.

В этой статье расскажем, что такое анодированный алюминий и как он используется в промышленности и быту.

Без анодного покрытия коррозия быстро разрушит металл
Без анодного покрытия коррозия быстро разрушит металл

Процедура анодирования алюминия

Есть несколько способов защиты алюминия от коррозии: покраска, покрытие реагентами или анодирование.

Анодирование — самый эффективный из них. На поверхности создается защитная оксидная пленка, которая препятствует окислению на поверхности сплава и, как следствие, постепенному разрушению металла.

Пошаговая процедура процесса анодирования:

  1. Зачистка поверхности проката – шлифовкой или обработкой дробью.
  2. Обезжиривание поверхности – убирает масла и жиры, устраняет точки начальной коррозии.
  3. Анодирование. Защитная пленка образуется при окислении поверхности металла кислородом, полученным из воды, протекающей под током, – такой оксид слабо восприимчив к другим химическим соединениям и элементам.
  4. Травление кислотой. После обработки серной кислотой часть верхнего слоя удаляется, на поверхности образуются многочисленные поры, через которые кислота проникает глубже в материал. Получается толстый пористый защитный слой.
  5. Окрашивание. На последней стадии процесса эти поры запечатываются и получается прочная равномерная защита от коррозии, которая сохранит внешний вид алюминия надолго.
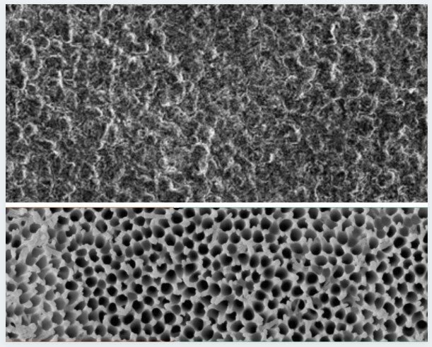
Так выглядят поры под микроскопом при разной степени увеличения
Так выглядят поры под микроскопом при разной степени увеличения

Полученное покрытие износостойкое: алюминий, прошедший анодирование, становится прочным, невосприимчивым к большинству внешних раздражителей. А еще ему можно придать красивые оттенки.

Где используется анодированный металл

Анодированные алюминиевые изделия благодаря своим преимуществам востребованы во многих отраслях промышленности.

Промышленность

Анодированный алюминий востребован в промышленности – из него делают детали для самолетов, автомобилей, судов. Эта обработка усиливает прочность деталей, их стойкость к истиранию и механическим воздействиям.

Анодированный металл востребован в промышленности
Анодированный металл востребован в промышленности

Товары повседневного потребления

С анодированным металлом люди сталкиваются ежедневно – из него делают множество привычных вещей:

  • Поручни, перила и рукоятки – обычный, необработанный алюминий может оставлять на руках следы. Это очень мягкий металл, и даже незначительные прикосновения могут как бы соскребать с поверхности верхний слой. Анодированный металл исключает подобное.
Поручни и ручки из анодированного алюминия не пачкают руки
Поручни и ручки из анодированного алюминия не пачкают руки

  • Корпуса мобильных телефонов и электронного оборудования. Материал прочный, легкий, стойкий к механическим воздействиям (ударам, падениям), немаркий, поэтому идеально подходит для этих целей.
Производители компьютеров, мобильных телефонов и аксессуаров к ним тоже используют анодированный алюминий
Производители компьютеров, мобильных телефонов и аксессуаров к ним тоже используют анодированный алюминий

Посуда из анодированного алюминия легко чистится и не склонна к пригоранию.

Посуда из алюминия используется как на домашней, так и на профессиональной кухне
Посуда из алюминия используется как на домашней, так и на профессиональной кухне

Дизайн помещений

Еще одна важная сфера применения анодированного алюминия − дизайн помещений. И вот почему:

  • Легкая обработка – из него можно сделать любые, даже самые сложные элементы.
  • Небольшой вес – любая конструкция не станет тяжелым грузом для стен или потолка.
  • Внешний вид – анодированный алюминий может быть окрашен как угодно: например, под золото, и тогда украшение дома приобретет совсем иной вид.

Фасады и навесы. Металлический декор придает зданию футуристичность. А еще такую отделку легко содержать в порядке: достаточно просто ополаскивать ее водой.

Фасады и навесы из анодированного алюминия практичны
Фасады и навесы из анодированного алюминия практичны

Кухня. Из металла может быть выполнена отделка кухонных гарнитуров, столешница, дверцы шкафов, столы. А некоторые предпочитают весь гарнитур из алюминия – это нестандартно, зато практично и стильно.

Кухонный гарнитур из металла – это необычно и красиво
Кухонный гарнитур из металла – это необычно и красиво

Спальня. На первый взгляд кажется, что металлу в спальне не место, ведь он «холодный», а комната отдыха – это место, где хочется тепла и уюта. На самом деле это не так. Если правильно обыграть обстановку, то можно получить невероятно красивое помещение.

Для спален отлично подойдут теплые золотые оттенки металла – на первый взгляд анодированный алюминий отличить от золота почти нереально, однако он может сделать комнату поистине роскошной.

Отделку из анодированного алюминия можно использовать и в спальне
Отделку из анодированного алюминия можно использовать и в спальне

Коридор. Первое, куда попадают гости, приходя в дом – это коридор. Уникальный, неизбитый декор – это то, что сможет удивить любого посетителя. Например, из алюминия можно сделать потолок – свет будет красиво отражаться от металлических поверхностей, делая их яркими или, наоборот, теплыми, матовыми.

Алюминием можно отделать и стены или их часть – металл легко чистить, ему не будут страшны влажные куртки, обувь или брызги с отряхивающегося после прогулки домашнего любимца.

Алюминиевые детали в оформлении входной зоны смотрятся органично
Алюминиевые детали в оформлении входной зоны смотрятся органично

Предметы декора. Благодаря своей податливости к обработке алюминий позволяет воплотить в жизнь любые дизайнерские решения. Столы, стулья, светильники, выполненные из металла, станут изюминкой любого дома или квартиры.

Предметы декора из анодированного алюминия – столы, стулья, светильники, вешалки – станут украшением дома
Предметы декора из анодированного алюминия – столы, стулья, светильники, вешалки – станут украшением дома

Анодирование – универсальная технология, которая не только делает металл более прочным и выносливым, но и придает красивые визуальные эффекты обработанным элементам.

Компания «Фортис Металл и Дизайн» – современное производство металлической мебели, предметов интерьера и других уникальных конструкций из стали.

Подписывайтесь на наш канал, если хотите знать, какие дизайнерские фантазии можно реализовать при помощи металла.

Наука
7 млн интересуются