Добавить в корзинуПозвонить
Найти в Дзене
ЕгорСлесарь

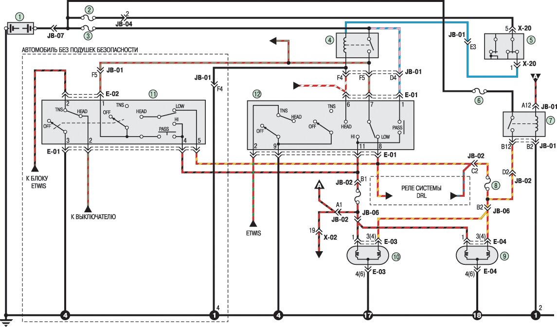
Схема фар головного света Kia Spectra 2000-2011

1 – аккумуляторная батарея; 2 – плавкая вставка IG2 (30 А); 3 – плавкая вставка HEAD (25 А); 4 – реле 1 фар головного света; 5 – выключатель (замок) зажигания; 6 – предохранитель HEAD 2 (15 А); 7 – реле 2 фар головного света; 8 – предохранитель HEAD LOW (15 А); 9 – правая фара; 10 – левая фара; 11 – переключатель света фар и указателей поворота; 12 – выключатель задних противотуманных фар

1 – аккумуляторная батарея;

2 – плавкая вставка IG2 (30 А);

3 – плавкая вставка HEAD (25 А);

4 – реле 1 фар головного света;

5 – выключатель (замок) зажигания;

6 – предохранитель HEAD 2 (15 А);

7 – реле 2 фар головного света;

8 – предохранитель HEAD LOW (15 А);

9 – правая фара;

10 – левая фара;

11 – переключатель света фар и указателей поворота;

12 – выключатель задних противотуманных фар