Добавить в корзинуПозвонить
Найти в Дзене
Разумный мир

Источники (генераторы) тока, стабилизаторы тока, токовые зеркала

В некоторых случаях требуется, что бы ток в некотором участке цепи был постоянным, причем сила тока должна быть равна заданной. Казалось бы, не самая сложная задача и легко решается обычным резистором, сопротивление которого не сложно рассчитать, и источником напряжения. Однако, все становится немного сложнее когда необходимо обеспечить стабильный ток при изменяющемся сопротивлении нагрузки, напряжения на нагрузке. Обычный резистор будет уже не в состоянии обеспечить стабильность тока, так падение напряжения на нем будет изменяться. А это, в полном соответствии с законом Ома приведет и к изменению протекающего через него тока. Проблему можно решить используя нелинейное сопротивление которое будет изменяться в зависимости от приложенного напряжения. Если характеристика зависимости сопротивления от напряжения будет подобрана верно, ток останется неизменным. Ну а само нелинейное сопротивление может быть и довольно сложным электронным узлом. Статья в большей степени ориентирована на начи
Оглавление

В некоторых случаях требуется, что бы ток в некотором участке цепи был постоянным, причем сила тока должна быть равна заданной. Казалось бы, не самая сложная задача и легко решается обычным резистором, сопротивление которого не сложно рассчитать, и источником напряжения. Однако, все становится немного сложнее когда необходимо обеспечить стабильный ток при изменяющемся сопротивлении нагрузки, напряжения на нагрузке.

Обычный резистор будет уже не в состоянии обеспечить стабильность тока, так падение напряжения на нем будет изменяться. А это, в полном соответствии с законом Ома приведет и к изменению протекающего через него тока.

Проблему можно решить используя нелинейное сопротивление которое будет изменяться в зависимости от приложенного напряжения. Если характеристика зависимости сопротивления от напряжения будет подобрана верно, ток останется неизменным. Ну а само нелинейное сопротивление может быть и довольно сложным электронным узлом.

Статья в большей степени ориентирована на начинающих любителей электроники. Поэтому сложных формул в статье не будет. Объяснение будет вестись на примерах, буквально "на пальцах". Однако все же предполагается, любители не совсем уж начинающие.
При этом, в конце мы получим весьма интересный результат, причем не теоретический, а практический. И вы увидите, что кажущаяся сложной и запутанной схема на самом деле проста и логична. А для ее использования совершенно не требуются точные расчеты. Дочитайте до конца, и вы сами все увидите.
P.S. Но внимательности, сосредоточенности, терпения от вас потребуется не мало ;)

Стабилизатор, источник, генератор, в чем разница?

В общем и целом, основное различие заключается в том, как создается ток. Источник тока, его иногда называют генератором тока, не требует для подключения нагрузки дополнительных источников питания. То есть, источник тока является самодостаточным. Стабилизатор тока использует дополнительный источник питания для формирования тока нагрузки. Он сам не создает ток, он лишь регулирует ток создаваемый отдельным независимым источником.

Разница между стабилизатором и источником тока. Обозначение источника тока на схемах. Иллюстрация моя
Разница между стабилизатором и источником тока. Обозначение источника тока на схемах. Иллюстрация моя

При этом наличие дополнительных внутренних источников питания, которые не используются для формирования тока нагрузки, не учитывается. То есть, встроенный в стабилизатор тока блок питания, если этот источник используется для управления током нагрузки, но не для формирования его создания, не превращает стабилизатор тока в источник тока.

Поэтому, если говорить строго, все рассматриваемые сегодня схемы являются стабилизаторами тока, а не источниками. Однако, реальность, как всегда, немного сложнее чистых случаев из учебников.

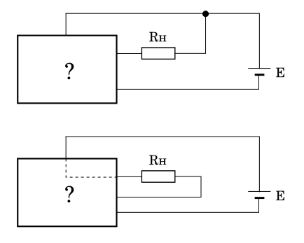
Стабилизатор тока или источник тока? Иллюстрация моя
Стабилизатор тока или источник тока? Иллюстрация моя

Если верхняя схема выглядит именно как стабилизатор тока, то с нижней все сложнее. Источник тока? А вы уверены? Я показал пунктиром внутреннее соединение. И становится очевидным, что обе схемы абсолютно идентичны. Просто в одном случае соединение вывода нагрузки с источником питания сделано в явном виде, а во втором оно скрыто от глаз.

Для питания стабилизатора используется тот же самый источник питания, что и для создания тока нагрузки. И можно считать, что стабилизатор вместе с источником питания являются единым "функциональным" блоком. И этот блок сам создает ток в нагрузке.

Источник тока, в общем случае, может быть заменен источником напряжения и последовательно включенным резистором, с сопротивлением равным внутреннему сопротивлению источника тока, или стабилизатором тока.

Идеальный источник тока и его замещение на источник напряжения с последовательно включенными резистором или стабилизатором тока. Иллюстрация моя
Идеальный источник тока и его замещение на источник напряжения с последовательно включенными резистором или стабилизатором тока. Иллюстрация моя

Параметры стабилизаторов тока и источников тока мы рассмотрим чуть позднее.

Поэтому в случае, когда источник питания стабилизатора/источника тот же самый, что и для питания нагрузки, с некоторой долей условности, мы можем считать стабилизатор тока и источник тока примерно эквивалентными.

Поэтому часто можно услышать что то вроде "ток эмиттеров дифференциального каскада задается источником тока", хотя, строго говоря, там используется именно стабилизатор тока, что хорошо видно на схеме.

Однако считать стабилизатор тока, даже условно, эквивалентным источнику тока можно не всегда. Например, электронная нагрузка ("Немного об электронных нагрузках и их особенностях") является стабилизатором тока, но не является источником. По той простой причине, что ток в цепи нагрузки создается внешним, тестируемым, источником питания.

Характеристики источника/стабилизатора тока

Идеальный источник тока обеспечивает протекание между своими зажимами тока заданной силы при любом сопротивлении нагрузки. Включая короткое замыкание и обрыв.

Короткое замыкание соответствует нулевому сопротивлению. А значит, любой протекающий ток будет создавать на нем нулевое падение напряжения. Но идеальный источник тока будет все равно поддерживать заданный ток.

Обрыв представляет собой бесконечно большое сопротивление нагрузки. А это подразумевает, что любой ток будет создавать бесконечное большое падение напряжения. Но идеальный источник тока все равно будет поддерживать протекание заданного тока.

По этим причинам существование идеального источника тока невозможно. ВАХ идеального источника тока представляет собой прямую линию

I = const

которая параллельна оси напряжений. То есть, ток не зависит от напряжения (сопротивления нагрузки). Что соответствует бесконечному внутреннему (дифференциальному) сопротивлению идеального источника тока

ri = ∆u / ∆i

Идеальный источник тока и его ВАХ. Иллюстрация моя
Идеальный источник тока и его ВАХ. Иллюстрация моя

Если мы заменяем источник тока на источник напряжения с последовательно включенным резистором, то почти неизбежно получаем неидеальный источник тока. По той причине, что бесконечное внутреннее сопротивление означало бы обрыв цепи. А конечное автоматически вносит неидеальность.

При этом у нас появляются две функциональные зависимости, так как изменяться могут и напряжение источника напряжения, и сопротивление нагрузки

Неидеальный источник тока эквивалентный источнику тока с конечным внутренним сопротивлением. Иллюстрация моя
Неидеальный источник тока эквивалентный источнику тока с конечным внутренним сопротивлением. Иллюстрация моя

В данном случае считаем, что ri является константой. При постоянном сопротивлении нагрузки мы получаем ВАХ соответствующую обычному резистору - прямую линию. Увеличение напряжения источника E приводит к линейному увеличению тока в цепи. При постоянном напряжении E вид ВАХ меняется. Теперь с увеличением сопротивления нагрузки ток в цепи снижается, причем нелинейно.

Для идеального источника тока был лишь один дестабилизирующий фактор - изменение сопротивления нагрузки. В случае эквивалента дестабилизирующих факторов два - изменение входного напряжения и изменение сопротивления нагрузки. Поэтому и две функциональные зависимости.

Для минимизации влияния изменения сопротивления нагрузки Rн необходимо, что бы внутреннее сопротивление ri было намного больше Rн. При этом слагаемое Rн в знаменателе можно не учитывать, а ток в цепи будет практически полностью определяться величиной ri.

Чем больше ri/Rн, тем меньше влияние Rн и тем ближе эквивалент к идеальному источнику тока. Однако, для больших Rн требуется и большое ri, что создает проблемы, так как требуется и повышать напряжение источника Е для создания требуемого тока.

Однако, условие ri>>Rн не устраняет, и даже не уменьшает, влияние нестабильности напряжения источника Е. Ток в цепи все равно будет прямопропорционально, и линейно, зависеть от Е.

Таким образом, постоянный резистор в качестве ri является не лучшим вариантом. Хотя может использоваться в некоторых случаях. Например, при небольших сопротивлениях нагрузки, небольших токах, стабильном напряжении источника напряжения.

Нам нужен нелинейный ri

Абстрагируемся от нагрузки и источника питания. Стабилизатор тока это двухполюсник

При этом Rн не всегда присутствует в явном виде. Классическим примером является заряд конденсатора через резистор

Заряд конденсатора от источника напряжения через резистор. В данном случае Rн в явном виде отсутствует. Иллюстрация моя
Заряд конденсатора от источника напряжения через резистор. В данном случае Rн в явном виде отсутствует. Иллюстрация моя

Однако, и в случае Rн, и в случае конденсатора, ток в цепи определяется одинаково.

Ток в цепи определяется падением напряжения на ri, разностью напряжения источника напряжения и напряжением на нагрузке. Иллюстрация моя
Ток в цепи определяется падением напряжения на ri, разностью напряжения источника напряжения и напряжением на нагрузке. Иллюстрация моя

То есть, мы можем абстрагироваться от сопротивления нагрузки и учитывать лишь величину падения напряжения на нагрузке. Или просто напряжение на нагрузке, которое может, в общем случае, зависеть и от величины протекающего тока, и от дополнительных источников тока/напряжения, если нагрузка имеет сложную внутреннюю структуру.

Нам вообще не важно, что именно представляет из себя нагрузка. И это очень важный момент! Более того, для нас даже не важно напряжение источника Е и напряжение на нагрузке u. Мы можем рассматривать стабилизатор тока как двухполюсник через который протекает ток i, а падение напряжения на двухполюснике равно u.

Простейший стабилизатор тока на полевом транзисторе с p-n переходом

Одним из самых простых способов построения маломощных стабилизаторов тока является использование полевых транзисторов с p-n переходом у которых выводы затвора и истока соединены. Описание работы полевых транзисторов не является целью статьи, предполагается, что читатели с этим уже знакомы.

Полевой транзистор с p-n переходом работает, в основном, при запирающих напряжениях на затворе. При этом переход затвор-канал закрыт и можно считать, что ток затвора отсутствует. При нулевом напряжении на затворе относительно истока влияние затвора на канал отсутствует. При приложении между истоком и стоком напряжения ток в цепи определяется омическим сопротивлением канала. Ток стока (исток-сток) при Uзи=0 (выводы затвора и истока замкнуты) называется начальным током стока Iснач.

Поскольку ток затвора мы считаем равным 0, ток стока всегда будет равен току истока, если на затворе запирающее или равное 0 напряжение

Ic = Iи

Iснач это максимальная величина тока стока, если не считать работы при отпирающем напряжении на затворе (мы это не рассматриваем). И при использовании полевого транзистора с p-n переходом в качестве стабилизатора тока мы не можем получить ток выше Iснач. Если же требуется больший ток, придется выбирать другой транзистор.

Однако, сопротивление канала зависит не только от напряжения на затворе, но и от тока через канал. В результате зависимость тока стока от напряжения сток-исток получается нелинейной

Простейший двухполюсник стабилизатор тока на полевом транзисторе с p-n переходом и его характеристика. Иллюстрация моя
Простейший двухполюсник стабилизатор тока на полевом транзисторе с p-n переходом и его характеристика. Иллюстрация моя

В данном случае, для примера, я взял транзистор с n-каналом BF245A. Это высокочастотный транзистор и он не очень подходит для использования как стабилизатор тока, но для примера подходит.

Начальный ток стока при напряжении сток-исток 15 В у этого транзистора может быть от 2 до 6.5 мА. Разброс между отдельными экземплярами довольно значительный. Попавшийся мне под руку транзистор имеет начальный ток стока 4.3 мА (при 15 В).

Как видно, ВАХ стабилизатора тока на этом транзисторе весьма нелинейна. Линейный участок соответствует работе транзистора в области насыщения. В данном случае, область насыщения начинается с напряжения 1.8 В (напряжение отсечки) и заканчивается при 20 В. При этом максимальное напряжение сток-исток транзистора 30 В. Просто я ограничился 20 В.

Внутреннее сопротивление нашего стабилизатора тока

ri = ∆u / ∆i = (20 - 1.8) / (0.0045 - 0.0035) = 18.2 кОм

Не очень высокое. А падение напряжения на стабилизаторе не должно быть менее 1.8 В. Для других транзисторов параметры стабилизатора могут получиться другими, как лучше, так и хуже.

Однако, подбирать транзисторы для получения требуемого тока не лучший вариант. Если в цепь истока включить резистор, мы сможем регулировать ток изменяя сопротивление этого резистора. Но этот ток не сможет превысить Iснач.

Двухполюсник стабилизатор тока на полевом транзисторе с p-n переходом с резистором в цепи истока и его характеристика. Иллюстрация моя
Двухполюсник стабилизатор тока на полевом транзисторе с p-n переходом с резистором в цепи истока и его характеристика. Иллюстрация моя

Резистор в цепи истока вводит в схему обратную связь по току. Теперь напряжение на затворе уже будет именно запирающим, а не равным нулю. Если ток стока, а значит, и ток через резистор, возрастет (Iс=Iи, как вы помните) запирающее напряжение на затворе увеличится и ток стока уменьшится.

Как видно, ток стабилизации нашего стабилизатора действительно уменьшился. Но самое главное, теперь этот ток гораздо меньше зависит от напряжения сток-исток. Внутреннее сопротивление стабилизатора возросло за счет обратной связи. И теперь оно

ri = ∆u / ∆i = (20 - 1.8) / (0.0015 - 0.0013) = 94 кОм

В 5.2 раза выше. Кроме того, минимальное падение напряжения на нашем стабилизаторе тоже снизилось, хоть и не на много. Однако, сопротивление истокового резистора придется подбирать (или использовать подстроечный резистор), так как разброс параметров тра нзисторов довольно большой.

В таком двухполюснике стабилизаторе тока можно использовать и полевые транзисторы с встроенным каналом (с индуцированным нельзя). Я не буду рассматривать пример с таким транзистором, оставлю это вам в качестве упражнения.

Стабилизатор тока на биполярном транзисторе

Разумеется, в стабилизаторе тока можно использовать и биполярный транзистор. Причем схема такого стабилизатора будет очень похожа на схему с полевым транзистором

Простейший стабилизатор тока на биполярном транзисторе и его характеристика. Иллюстрация моя
Простейший стабилизатор тока на биполярном транзисторе и его характеристика. Иллюстрация моя

В данном случае нам уже потребуется отдельный источник напряжения база-эмиттер, так как при нулевом напряжении на базе транзистор будет закрыт. Что это за источник пока оставим в стороне.

Как и в случае с полевым транзистором, описание работы биполярного транзистора не является целью статьи. Предполагается, что читатели это уже знают. Переход база-эмиттер транзистора смещен в прямом направлении и ток через него уже нельзя считать равным 0. Более того, именно этот ток базы и определяет тока коллектора.

Поскольку переход база-коллектор смещен в прямом направлении, малому приращению напряжения соответствует большое приращение тока. Поэтому я и задал напряжение база-эмиттер с такой точностью.

Напряжение коллектор-эмиттер влияет на ток коллектора (при неизменном токе базы), так как изменяется поле коллектора, которое вытягивает носители заряда из области базы. Поэтому ВАХ нашего стабилизатора будет нелинейной, как и в случае полевого транзистора. Но линейный участок будет начинаться с более низкого напряжения.

Я взял транзистор BC847A, весьма распространенный и дешевый. Для него линейный участок начинается с 0.3 В. Верхняя граница так же 20 В, как и в случае полевого транзистора, хотя транзистор позволяет использовать и большие напряжения. Внутреннее сопротивление нашего стабилизатора получилось

ri = ∆u / ∆i = (20 - 0.3) / (0.0078 - 0.007) = 24.6 кОм

Это лучше, чем у полевого транзистора, но в целом сравнимо. Однако, давайте добавим в цепь эмиттера резистор, что создаст обратную связь по току

Стабилизатор тока на биполярном транзисторе с резистором в цепи эмиттера и его характеристика. Иллюстрация моя
Стабилизатор тока на биполярном транзисторе с резистором в цепи эмиттера и его характеристика. Иллюстрация моя

А вот тут уже все стало гораздо интереснее! Да, минимальное напряжение подросло и теперь составляет 0.6 В. Однако, обратите внимание, насколько выросло внутреннее сопротивление.

ri = ∆u / ∆i = (20 - 0.6) / (0.00398 - 0.00396) = 970 кОм

Это гораздо выше, чем у стабилизатора на полевом транзисторе. Причина проста, как я уже говорил, переход база-эммитер смещен в прямом направлении и небольшому изменению напряжения соответствует большое изменение тока базы. А значит, и тока коллектора. ОС более глубокая.

Поэтому стабилизатор тока на биполярном транзисторе имеет лучшее параметры, чем на полевом. Хоть и немного сложнее. И теперь пришло время разобраться с источником напряжения на базе. А с ним все не так просто. Мы не можем использовать резистивный делитель, так как результат будет ужасен

Некорректный способ задания напряжения на базе при использовании транзистора для стабилизации тока коллектора. Иллюстрация моя
Некорректный способ задания напряжения на базе при использовании транзистора для стабилизации тока коллектора. Иллюстрация моя

В чем же дело, ведь в усилительных каскадах такой способ установки рабочей точки применяется успешно? А дело в том, что в усилительных каскадах базовый делитель питается от источника стабильного напряжения. А у нас напряжение как раз и является одним из дестабилизирующих факторов. Поэтому такой способ использовать нельзя.

Может попробуем использовать способ, который часто применяется для ограничения тока мощных выходных каскадов?

Попытка стабилизации тока использованием метода ограничения тока мощных выходных каскадов. Иллюстрация моя
Попытка стабилизации тока использованием метода ограничения тока мощных выходных каскадов. Иллюстрация моя

Как то не очень хорошо получилось, правда? И линейного участка нет, и минимальное напряжение большое. В чем же дело?

А дело в том, что ранее у нас напряжение на базе было задано стабильным источником с нулевым выходным сопротивлением. То есть, напряжение было и стабильным, и от тока базы не зависело. А мы в двух последних случаях этого не обеспечивали. А значит, нам все таки нужно использовать отдельный источник напряжения для питания нашего стабилизатора.

Да, это уже будет не двухполюсник, Но у нас же все равно есть относительно стабильный источник питания нашего устройства. И мы можем питать цепь базы от него, используя обычный резистивный делитель, а не от напряжения на нагрузке, которое является фактором нестабильности.

Стабилизатор тока с резистором в цепи эмиттера, заданием потенциала базы с помощью резистивного делителя и отдельным источником питания цепи базы. и его характеристика. Иллюстрация моя
Стабилизатор тока с резистором в цепи эмиттера, заданием потенциала базы с помощью резистивного делителя и отдельным источником питания цепи базы. и его характеристика. Иллюстрация моя

Может показаться, что эта схема полностью идентична ранее рассмотренному варианту с резистором в цепи эмиттера и заданием напряжения на базе с помощью источника напряжения без использования делителя. Однако, это не совсем так. В данном случае у нас сопротивление источника питания базы отлично от нуля, а значит, на напряжение на базе оказывает и ток базы.

А это сразу привело к ухудшению параметров стабилизации. Во первых, возросли минимальное напряжение, при котором обеспечивается стабилизация. Теперь это 1.6 В. Во вторых, снизилось выходное сопротивление. Теперь оно всего 184 кОм. Заметное ухудшение.

Мы можем попытаться улучшить параметры нашего стабилизатора двумя способами. Во первых, добавить усилитель в цепь обратной связи. То есть, опять использовать схему ограничения тока. Во вторых, как то попытаться снизить влияние напряжения на коллекторе. Давайте начнем с первого способа.

Стабилизатор тока с дополнительным усилением в цепи обратной связи (способ ограничения тока мощных выходных каскадов). Иллюстрация моя
Стабилизатор тока с дополнительным усилением в цепи обратной связи (способ ограничения тока мощных выходных каскадов). Иллюстрация моя

Значительное улучшение! У нас заметно снизилось минимальное напряжение, при котором обеспечивается стабилизация. И очень сильно возросла внутреннее сопротивление (и стабильность тока, как следствие). Причем настолько, что разница на границах диапазона измерялась прецизионным мультиметром. У нас получилось внутреннее сопротивление 7.7 МОм! В большинстве случаем мы уже можем считать наш стабилизатор почти идеальным источником тока.

Регулировка тока стабилизации осуществляется резистором в цепи эмиттера основного транзистора стабилизатора. Резистор в цепи базы оказывает небольшое влияние на внутреннее сопротивление и ток стабилизации, но его точный подбор не требуется. Главное, что бы обеспечивался необходимы ток базы (с запасом!) основного транзистора.

Теперь посмотрим на второй способ улучшения параметров стабилизации. Попробуем уменьшить изменение коллекторного напряжения стабилизирующего ток транзистора, но так, что бы диапазон рабочих напряжений стабилизатора не изменился. Думаете, это невозможно? Возможно. Достаточно вспомнить про включение транзистора по схеме с общей базой.

Каскад с общей базой является по сути повторителем тока. В отличии от каскада с общем коллектором, который является повторителем напряжения. При этом потенциал эмиттера, который в каскаде с общей базой является входом, достаточно жестко связан с потенциалом базы. Тогда как потенциал коллектора может изменяться практически независимо. А значит, давайте построим каскод

Ограничение влияния изменения потенциала коллектора на стабилизируемый ток с помощью дополнительного каскада с ОБ (каскодное включение транзисторов). Иллюстрация моя
Ограничение влияния изменения потенциала коллектора на стабилизируемый ток с помощью дополнительного каскада с ОБ (каскодное включение транзисторов). Иллюстрация моя

Да, параметры немного хуже. Минимальное напряжение подросло до 2 В, так как транзисторы включены последовательно. Да и внутреннее сопротивление не очень высокое, всего 121 кОм. При этом для линейного участка ВАХ потенциал коллектора нижнего (регулирующего) транзистора равен 1.6 В.

А если изменить потенциал базы верхнего транзистора? Давайте заменим резистор 3 кОм на резистор 10 кОм. Это повысит потенциал коллектора регулирующего транзистора до 2.7 В. При этом минимальное напряжение, при котором осуществляется стабилизация тока тоже повысится, до 3 В. А диапазон стабилизируемого тока составит 4.2146-4.2562 мА. То есть, внутреннее сопротивление будет равно 168 кОм. Не самый впечатляющий результат.

Значит, этот способ негодный? Не спешите с выводами...

От стабилизатора тока к токовому зеркалу

Рассмотренные нами схемы стабилизаторов тока не просто работоспособны в реальных условиях, но и обеспечивают неплохие параметры стабилизации. Но есть пара моментов, которые требуют дополнительного рассмотрения.

Во первых, это температурная стабильность. Не секрет, что параметры транзисторов достаточно сильно зависят от температуры. В частности, с повышением температуры будет возрастать и ток коллектора. Компенсировать это можно введя диод в прямом включении в нижнее плечо делителя напряжения в цепи базы регулирующего транзистора. С повышением температуры ток через диод так же будет возрастать, что приведет к снижению напряжения на базе и уменьшению тока коллектора.

Однако, для точной компенсации влияния температуры требуется, что бы влияние температуры на диод и транзистор было одинаковым. А это не так просто. Кроме того, если стабилизатор тока изготавливается на кристалле микросхемы, в общем технологическом цикле, диод будет чужеродным элементом. И, в конечном итоге, все равно будет выполнен как транзистор. А вот включение этого транзистора может быть разным. Но наиболее целесообразным является соединение областей базы и коллектора. В итоге, получаем вот такое

Включение транзистора для температурной компенсации стабилизатора тока. Это и есть токовое зеркало. Иллюстрация моя
Включение транзистора для температурной компенсации стабилизатора тока. Это и есть токовое зеркало. Иллюстрация моя

Обратите внимание, что транзистор VT1 здесь нельзя заменить на диод без ухудшения параметров стабилизации. VT1 и VT2 должны быть идентичны и располагаться на кристалле рядом, что бы их температура была максимально близкой. Если стабилизатор собирается из дискретных элементов, то точность компенсации снижается. При возможности нужно использовать сборки из согласованных пар транзисторов.

Обратите внимание, что транзистор VT1 не перестает быть транзистором, хоть выводы базы и коллектора соединены! Более того, он работает в активном режиме! Его переход база-коллектор смещен в обратном направлении, так как имеется перепад напряжения на объемном сопротивлении базы. Это объемное сопротивление и связанные с ним эффекты часто игнорируют. Но не всегда такое игнорирование допустимо.

Параметры нашего стабилизатора получились не самые выдающиеся. Да, минимальное напряжение низкое, но вот внутреннее сопротивление всего 60 кОм. Однако, гораздо интереснее другое! Вы обратили внимание, насколько уменьшилось сопротивление резистора в цепи источника питания цепей базы? Всего 3 кОм.

А это и есть второе преимущество данной схемы. Точнее сразу два дополнительных преимущества, не считая температурной стабилизации. Резисторы большого сопротивления в микросхемах нежелательны, слишком много места занимают. Так что уменьшение сопротивления уже полезно. Но важнее не это. Дело в том, что теперь ток через этот резистор (на схеме обозначен как i0) равен току стабилизации нашего стабилизатора тока!

Это и есть то самое токовое зеркало. Ток стабилизации повторяет ток через резистор "как в зеркале". Отсюда и название.

Да, вот так просто, без необходимости производить сложные расчеты. Но почему? Смотрите, теперь ток через резистор, за вычетом тока через коллектор VT1, делится поровну между базами VT1 и VT2. У нас идентичные транзисторы, значит и токи баз будут равны. Но это означает и то, что будут равны токи коллекторов этих транзисторов! Более того, напряжения база-эмиттер транзисторов тоже равны.

Но коэффициент передачи тока базы современных транзисторов большой, поэтому токи базы будут гораздо меньше токов коллекторов. Таким образом получается, что ток через резистор определяется в основном током коллектора VT1. А ток коллектора VT2 равен току через коллектор VT1, как мы только что выяснили.

Не верите? Давайте посчитаем. Напряжение на прямосмещеном переходе примерно равно 0.7 В. Это напряжение будет на базах и VT1, и VT2. Значит, ток через резистор будет равен

i0 = (10 - 0.7) / 3000 = 3.1 мА

А среднее значение тока во всем диапазоне напряжений равно в нашем случае 3.2 мА. Цифры на графиках получены в результате реальных измерений прецизионным мультиметром. Разница между вычислениями и практикой всего 0.1 мА, что составляет чуть более 3%.

Изменим сопротивление резистора на, например, 1 кОм. Расчетное значение тока через резистор составит 9.3 мА. Ток стабилизации в начале диапазона напряжений получается 9.15 мА (измерено), в конце диапазона 10.03 мА. В среднем 9.6 мА. Разница между расчетом и измерениями 0.3 мА. Те же самые 3%.

При этом мы не измеряли реальное напряжение на базах транзисторов и не учитывали влияние тока базы. Не правда ли, такая вот возможность задавать ток стабилизации не прибегая к сложным расчетам схем с нелинейными компонентами весьма полезна!

Таким образом, мы небольшой модификацией схемы получили сразу три полезных свойства. Температурную стабилизацию, легкость задания тока стабилизации без необходимости сложных расчетов, уменьшение занимаемой площади на кристалле (важно только для микросхем).

Улучшаем параметры токового зеркала

Однако, параметры нашего токового зеркала можно еще улучшить, довольно значительно. Вспомним, как полезно было добавление резистора в цепь эмиттера, что обеспечивало ОС по току. Добавим резисторы в цепи эмиттеров транзисторов нашего токового зеркала.

Улучшенный вариант токового зеркала. Добавлены резисторы в цепях эмиттеров транзисторов. Иллюстрация моя
Улучшенный вариант токового зеркала. Добавлены резисторы в цепях эмиттеров транзисторов. Иллюстрация моя

Да, немного увеличилось минимальное напряжение. За счет падения напряжения на эмиттерных резисторах. Зато значительно выросло внутреннее сопротивление, до 676 кОм. При этом сохранилась температурная стабилизация и легкость задания тока стабилизации.

В данном случае я измерил напряжение на базах транзисторов - 0.992 В. Таким образом, ток через токозадающий резистор составляет 3.00 мА. А среднее значение тока стабилизации (измеренное) составляет 2.9835. Разница всего 16.5 мкА!

Но можно ли еще улучшить параметры токового зеркала? Можно! Давайте немного модифицируем схему ограничения тока, которую мы уже ранее использовали. Но теперь обойдемся без токоизмерительного резистора.

Токовое зеркало с температурной компенсацией и повышенным внутренним сопротивлением. Иллюстрация моя
Токовое зеркало с температурной компенсацией и повышенным внутренним сопротивлением. Иллюстрация моя

Схема ограничения тока, о которой мы уже не раз говорили, еще называется токовой двойкой. В данном случае ее образуют транзисторы VT1 и VT2. А вот резистора, который ранее и позволял измерять ток, здесь нет. Теперь это транзистор VT3, который одновременно и термокомпенсацией занимается.

Минимальное напряжение снова подросло, что и не удивительно, поскольку два транзистора включены последовательно. А вот внутреннее сопротивление теперь 5.2 МОм! Отличный результат! При этом все остальные достоинства схемы стабилизатора сохранились. И ток стабилизации по прежнему равен току через токозадающий резистор.

В данном случае напряжение на базе VT2 равно 1.66 В. Что дает ток через резистор 2.78 мА. Но ведь у нас и среднее значение тока стабилизации по всему диапазону 2.7802. Погрешность всего 0.2 мкА. Как получилась такая точность? Все просто, мы схемотехнически минимизировали все погрешности, которые раньше просто игнорировали. И теперь практика совпадает с теорией гораздо лучше.

Заключение

Вот так, легко и просто использовать токовое зеркало, которое весьма близко к идеальному источнику тока. Если не считать некоторых ограничений на максимальное и минимальное напряжение. При всей кажущейся сложности схемы ток стабилизации задавать очень легко, сложные расчеты не требуются.

Я постарался максимально подробно, но при этом и максимально просто, рассказать, как получилась та самая схема токового зеркала, которую многие видели на схемах или в учебниках. Там нет ничего сложного, все максимально логично. Хоть на первый взгляд и кажется запутанным.

Я надеюсь, что теперь вы понимаете, откуда что взялось, и как это работает. Даже если раньше это от вас ускользало.

Я не стал рассказывать, как можно строить токовые зеркала обеспечивающие несколько стабильных токов. Причем разных, но задающий ток будет единый для всех. Это интересная, но более сложная тема.

Если что то осталось непонятным, возникли вопросы, обнаружили ошибку, пишите в комментариях. Как всегда, отвечу на все вопросы.

До новых встреч!