Добавить в корзинуПозвонить
Найти в Дзене
RADIO INFO

Аналоговые микросхемы в конструкциях советских радиолюбителей

Здравствуйте уважаемые читатели. Сегодня перебирал свои старые запасы радиодеталей и нашел вот такую коробочку. Как видите в ней есть микросхемы 237 серии и 155. О цифровых микросхемах 155 серии мы побеседуем в следующий раз, а сегодня мы поговорим о микросхемах 237 серии. У меня их оказалось 3 разновидности: К237ХА1, К237ХА2 и К237УН2. К237ХА1 (К2ЖА371) представляет из себя усилитель ВЧ и преобразователь частоты в АМ трактах. Содержит 16 интегральных элементов. Корпус прямоугольный полимерный штырьковый «Кулон», масса не более 1,5г. Самая интересная радиолюбительская конструкция с микросхемой К237ХА1 это КВ конвертер с магнитной антенной. КВ конвертер позволяет принимать радиовещательные станции в растянутых КВ диапазонах 25 м 31 м 49 м и 75 м Прием осуществляется на СВ диапазон радиовещательного приемника Катушки намотаны проводом ПЭВ-1 —0,59 на картонной гильзе, надетой на ферритовом стержне М150ВЧ диаметром 8 и длиной 125 мм. L1-11 витков, а L2 1 виток Катушки L4 намотана в 2 п

Здравствуйте уважаемые читатели.

Сегодня перебирал свои старые запасы радиодеталей и нашел вот такую коробочку.

Как видите в ней есть микросхемы 237 серии и 155. О цифровых микросхемах 155 серии мы побеседуем в следующий раз, а сегодня мы поговорим о микросхемах 237 серии. У меня их оказалось 3 разновидности: К237ХА1, К237ХА2 и К237УН2. К237ХА1 (К2ЖА371) представляет из себя усилитель ВЧ и преобразователь частоты в АМ трактах. Содержит 16 интегральных элементов. Корпус прямоугольный полимерный штырьковый «Кулон», масса не более 1,5г.

-2
-3

Самая интересная радиолюбительская конструкция с микросхемой К237ХА1 это КВ конвертер с магнитной антенной. КВ конвертер позволяет принимать радиовещательные станции в растянутых КВ диапазонах 25 м 31 м 49 м и 75 м Прием осуществляется на СВ диапазон радиовещательного приемника

-4

Катушки намотаны проводом ПЭВ-1 —0,59 на картонной гильзе, надетой на ферритовом стержне М150ВЧ диаметром 8 и длиной 125 мм. L1-11 витков, а L2 1 виток Катушки L4 намотана в 2 провода 40 витков, а поверх нее L5 (300 витков) намотаны в навал проводом ПЭВ-1 —0,1 на унифицированном каркасе от длинноволнового контура приемника Дроссели L3 и L6 типа Д-0,1, но можно и китайские. Кварц применен на 5,3 МГц

Подробно этот КВ конвертер описан в книге Борноволоков Э. П., Фролов В. В. Радиолюбительские схемы.

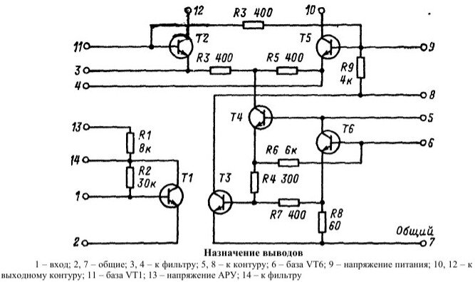
Далее мы рассмотрим еще более популярную у радиолюбителей микросхему К237ХА2

-5

-6

Первая схема приемника на микросхему К237ХА2, которая мне попалась, была опубликована в журнале Радио 1978 г. №8

-7
-8
-9

В сборнике «В помощь радиолюбителю №106» была описана схема еще одного приемника прямого усиления на микросхемах К237ХА2 и К174УН4, где ВЧ часть очень похожа на предыдущую схему

-10

Имея в наличие эти микросхемы я решил собрать подобный приемник, только в качестве усилителя буду использовать К237УН2.

Давайте немного подробней рассмотрим эту микросхему

-11

Вот типовая схема включения

-12

Но я хочу собрать усилитель на К237УН2 по хорошо отработанной схеме, которая применялась в бытовой радиоаппаратуре.

-13

И в заключении хочу сказать следующее. По всей видимости, мои читатели мне сразу скажут, а для чего нужно собирать средневолновый радиоприемник, если на средних волнах нет радиовещания. Отвечаю. У меня уже практически собран маломощный СВ передатчик и имитацией позывных радиостанции «Маяк» и возможностью подключения к нему MP3-плеера и микрофона. Я его буду использовать для демонстрации работы выше описанного приемника и множества других старых советских приемников типа Альпинист, Селга и тому подобное. Подробное описание этого передатчика выложу у себя на канале в ближайшее время.

Кроме этого к этому и подобному приемникам я соберу КВ и FM конвертеры, и их описания также опубликую у себя на канале.

Подписывайтесь и следите за моим каналом

Рекомендую посмотреть на моем канале еще публикации, которые могут быть Вам интересны.

Где начинающему радиолюбителю брать радиодетали

Зарубежные конструкторы для радиолюбителей - функциональный генератор

Что делать и чем заниматься радиолюбителям в наше время

Ставьте лайки, комментируйте и подписывайтесь на мой канал