Добавить в корзинуПозвонить
Найти в Дзене
ЕгорСлесарь

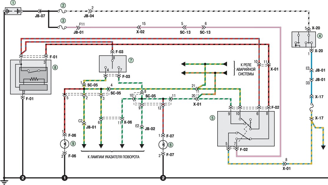
Схема указателей поворота и аварийной сигнализации Kia Spectra 2000-2011

1 – аккумуляторная батарея; 2 – плавкая вставка IG2 (30 А); 3 – предохранитель HAZARD (15 A); 4 – выключатель (замок) зажигания; 5 – выключатель аварийной сигнализации; 6 – правый повторитель; 7 – выключатель указателей поворота; 8 – реле указателей поворота; 9 – левый повторитель.

1 – аккумуляторная батарея; 2 – плавкая вставка IG2 (30 А); 3 – предохранитель HAZARD (15 A); 4 – выключатель (замок) зажигания; 5 – выключатель аварийной сигнализации; 6 – правый повторитель; 7 – выключатель указателей поворота; 8 – реле указателей поворота; 9 – левый повторитель.