Всем доброго. Уже давно задумал собрать "Шкритека" с усилителем тока на полевых транзисторах.
В оригинале схема выглядит так:
Как видно по схеме, (рис. 1) усилитель этот просит два источника питания.
Стабилизированное для усилителя напряжения и не стабилизированное для усилителя мощности.
Изучив множество форумов узнал, что еще лучше если УН (усилитель напряжения) будет питаться напряжением несколько выше чем УМ (усилитель мощности) или УТ (усилитель тока).
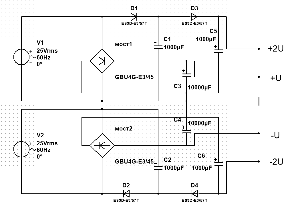
С учетом изложенного выше, мной был разработан выпрямитель (рис. 2) с двумя напряжениями на выходе. Одно для питания выходных транзисторов, второе (удвоенное) для питания УН, через два параметрических стабилизатора. (Стабилизаторы еще не обдумывал)
Для реализации данного устройства нужен трансформатор с двумя одинаковыми вторичными обмотками не соединенными вместе, то есть не с отводом, а именно две обмотки.
Кстати, даже если имеется трансформатор с отводом, как правило не составит большой проблемы переделать его в двух-обмоточный.
Схема представляет собой два мостовых выпрямителя и два однополупериодных выпрямителя с удвоением напряжения.
Поскольку УН потребляет считанные миллиамперы - диоды D1-D4 можно применить маломощные, на 1 ампер самое то.
Об усилителе:
В связи с конскими ценами на "усилительные" (латеральные) полевые транзисторы, решил применить силовые МОСФЕТ ключи, заточенные для работы в силовой электронике.
Вчера пришла посылочка (рис. 3) из Китая - данные транзисторы (от этого продавца) были ранее испытаны в "Хитачиусе" и показали не плохой результат - если они и подделка (что скорее всего истина) то подделка качественная, если к подделке вообще применимо это понятие.
О чем я? А, да - что бы запилить усилитель с силовыми мосфетами на выходе - его, усилитель, нужно оснастить температурной компенсацией тока покоя.
После доработки и прогона в симуляторе схема обрела вид как на рисунке №4
В затворные цепи выходных транзисторов введен дополнительный транзистор Q8. Данный транзистор устанавливается на общий радиатор с выходными транзисторами и нагреваясь от последних изменяет смещение на затворах снижая ТП (ток покоя).
Почему этого нет в оригинальной схеме?
Все просто - примененные в оригинале транзисторы "латеральные" - что значит это слово не в курсе, однако знаю, что при прогреве кристалла этих ключей, сопротивление канала Сток-Исток растет, что приводит к автоматическому снижению тока через транзистор.
С силовыми "вертикальными" транзисторами (серии IRF, IRFP, IRFZ и так далее) такое не прокатывает по тому, что с ростом температуры у них как и у латеральных растет сопротивление между стоком и истоком НО!!! Вместе с этим растет и ширина управляющего канала, который "открывает" транзистор и увеличивает ток через него.
Так как во время работы транзистор греется, его ток начинает увеличиваться, и чем сильнее он нагревается, тем сильнее его "открывает" управляющий канал (из за теплового расширения) и если не принять дополнительные меры - ток будет расти как снежный ком, что в свою очередь ведет к еще большему разогреву и так по кругу. Рано или поздно этот ток выйдет за пределы возможностей прибора и произойдет электрический пробой. Судя по проведенным ранее испытаниям именно электрический, а не тепловой, ибо уже при 90 градусах ток возрастает в несколько раз, - то есть до теплового пробоя (выше 120гр) транзистор скорее всего не доживёт.
Прошу прощение за такой ликбез и предлагаю вернуться к теме статьи.
Сначала по поводу выпрямителя - если кто-то подобное собирал - отпишитесь как там с пульсациями дополнительного (повышающего) выпрямителя? (в симуляторе все классно)
По поводу усилителя.
По сути это упрощенный "Хитачиус" и работать должен он как и обещает его создатель, не вижу причин для неверия заявленным параметрам.
Свой вариант я разумеется не планирую питать такими напряжениями и снимать с него такую мощность как в оригинальной схеме. Мне достаточно 20-30Вт но с действительно низким КНИ. В симуляторе удалось получить очень даже впечатляющие результаты. На рисунке №5 представлен скриншот симуляции усилителя. Опираясь на предыдущий опыт - уверен в том, что и в железе должно быть очень близко к симуляции.
0,003% при 25Вт и при таком относительно низком напряжении питания УТ, впечатляет!!!!
На частоте 20кГц он выдал мне 0,04% что тоже очень даже по Хай-Файски!
(даже круче)
Да-да, по науке диффкаскад надо бы запитать токовым зеркалом или источникам тока (в чем разница не пойму), но у нас в планах стабилизированное питание, что как-бы облегчает задачу. Да, согласен - избавиться от одного P-N перехода в усилителе и добавить два штуки в блок питания ни разу не экономия, но тут дело не в экономии, а в здоровом интересе к самой схеме - с ТИ (источником тока) в цепи дифференциального каскада у меня усилитель уже есть - охота понюхать эту схему. По сути можно отказаться и от термокомпенсации, но для этого с такими транзисторами нужны просто гигантские радиаторы, которые просто физически не дадут ключам нагреться до лавинного роста тока.
С другой стороны - этот транзистор в тракт прохождения полезного сигнала не "лезет" а значит на него можно не обращать внимание.
Теперь нужно присматривать корпус для нового усилителя, радиаторы и прочее. Об этом в следующих статьях, кое, что уже приметил.
Ладно, всем пока и до встречи в комментариях!!!
