Добавить в корзинуПозвонить
Найти в Дзене
Вариос∀

Ремонт импульсного блока питания PS-65-R16vai, Интересная неисправность

Попал в ремонт блок питания на 12 Вольт без корпуса на плате надпись ps-65-r16vai заявления неисправность заниженное напряжение на выходе, Включил естественно через лампочку, проварил занижено да и скачет от 2 до 9 вольт, померил напряжение на конденсаторе питания ШИМ, тоже скачет , Выпаял и померил Конденсатор 100 мкф х 35 в он в порядке esr=0,1 ом куда лучше все равно поставил новый, а он все скачет. Попробовал свой лайфхак, подал на выходные клеммы блока 12 Вольт с лабораторника, все норм, ничего н загорелось, оптопары срабатывают. Тогда следующий лайхак , надо лезть к тому кто все знает , искать схему и опыт предыдущих мастеров. Все нашлось. Путем рассуждений и замеров, пришел к выводу неисправен диод Зенера по русски стабилитрон на схеме он отмечен звездочкой октябрятской. В моем случае он Z16C 16 вольт напряжение стабилизации. Измерения показали 30 Ом в прямом и обратном направлении. При его пробое и будут наблюдаться такие скачки а при обрыве схема и не заметит потери б

Попал в ремонт блок питания на 12 Вольт без корпуса на плате надпись ps-65-r16vai заявления неисправность заниженное напряжение на выходе, Включил естественно через лампочку, проварил занижено да и скачет от 2 до 9 вольт, померил напряжение на конденсаторе питания ШИМ, тоже скачет , Выпаял и померил Конденсатор 100 мкф х 35 в он в порядке esr=0,1 ом куда лучше все равно поставил новый, а он все скачет.

Попробовал свой лайфхак, подал на выходные клеммы блока 12 Вольт с лабораторника, все норм, ничего н загорелось, оптопары срабатывают.

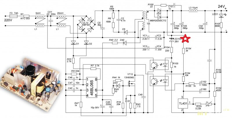
Тогда следующий лайхак , надо лезть к тому кто все знает , искать схему и опыт предыдущих мастеров. Все нашлось.

Схема позаимствована из открытых источников интернета сасибо она послужит благому делу.Схема принципиальная и  принципиально один к одному отличия не существенны для понимания логики работы
Схема позаимствована из открытых источников интернета сасибо она послужит благому делу.Схема принципиальная и принципиально один к одному отличия не существенны для понимания логики работы

Путем рассуждений и замеров, пришел к выводу неисправен диод Зенера по русски стабилитрон на схеме он отмечен звездочкой октябрятской. В моем случае он Z16C 16 вольт напряжение стабилизации. Измерения показали 30 Ом в прямом и обратном направлении. При его пробое и будут наблюдаться такие скачки а при обрыве схема и не заметит потери бойца, возможно в чем то не прав, поправьте. Фактически он должен срабатывать если напряжение скакнет выше 16+ 1 Вольта. Не нашлось походящего отдал пока без него. Будем надеяться. Оптопара как ни странно не пострадала или мне показалось.)

Вот такой опыт, возможно кому то пригодится. У того кто все знает нашел только одну фразу "сгорел зеннер от броска сетевого напряжения".

К сожалению, из-за отношения ТП к моему каналу, эту статью увидят только подписчики и из них меньше половины это может понадобится. Поэтому закругляюсь.

Читайте Подписывайтесь Комментируйте Рекомендуйте

14 июля исполняется два года с момента написания первой статьи на этом канале.