Добавить в корзинуПозвонить
Найти в Дзене

Vossloh-Schwabe ECXe 800.263 – блок питания светодиодов

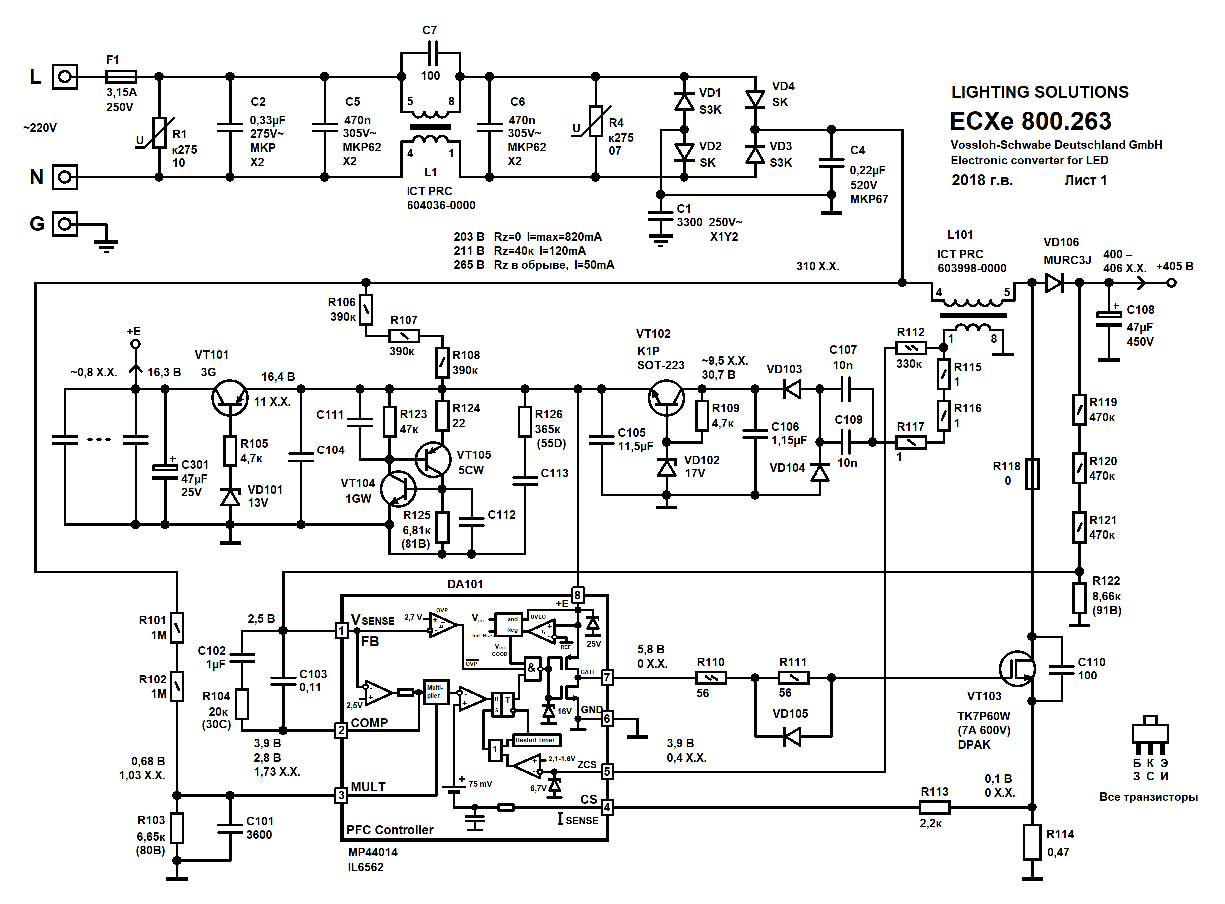
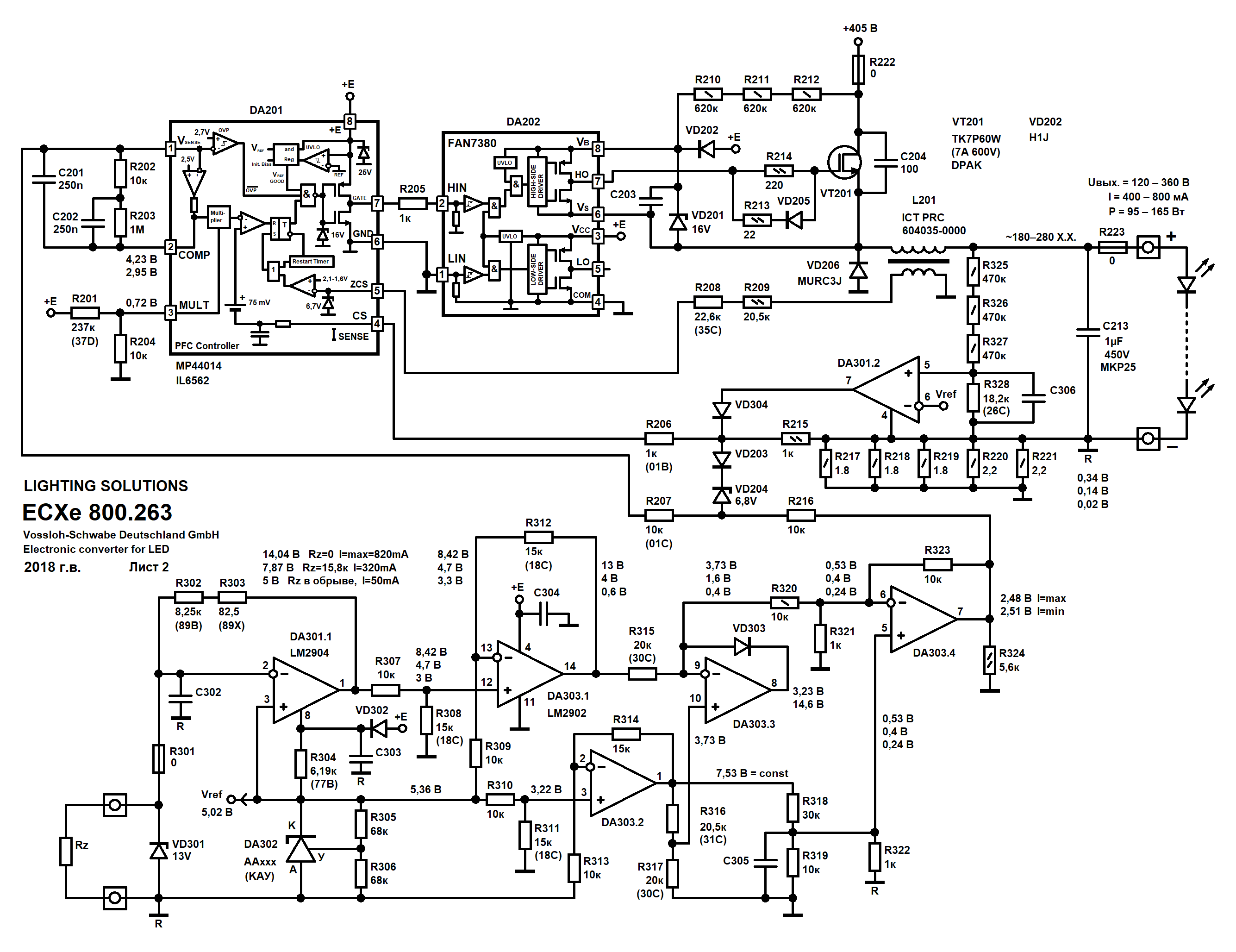
Блок питания (БП) ECXe 800.263 в целом является перенастройкой БП ECXe 800.262 [1] для получения более высокого максимального выходного напряжения, а значит для работы с более высокой мощностью – используются более мощные дроссели, увеличен габарит изделия, БП стал по размеру несколько длиннее. Изменены номиналы R103, R114 первичного повышающего преобразователя, чтобы при том же выходном напряжении обеспечивался более высокий выходной ток. Изменением параметров делителя R325 – R328 повышен максимум выходного напряжения БП. Вместе с тем, кроме чисто регулировок и установки более мощных дросселей, имеются некоторые отличия в схеме. Изменения внесены в узел питания ИМС DA101 с целью повышения надежности его работы. В БП ECXe 800.263 вместо стабилитрона VD104 установлен обычный диод. К выходу стабилизатора на транзисторе VT102 напряжения питания внутренней электроники, для защиты от перенапряжения, в случае пробоя VT102, подключены RC-цепочка R126 C113 и тиристорная структура на транзист

Блок питания (БП) ECXe 800.263 в целом является перенастройкой БП ECXe 800.262 [1] для получения более высокого максимального выходного напряжения, а значит для работы с более высокой мощностью – используются более мощные дроссели, увеличен габарит изделия, БП стал по размеру несколько длиннее.

-2

Изменены номиналы R103, R114 первичного повышающего преобразователя, чтобы при том же выходном напряжении обеспечивался более высокий выходной ток. Изменением параметров делителя R325 – R328 повышен максимум выходного напряжения БП.

Вместе с тем, кроме чисто регулировок и установки более мощных дросселей, имеются некоторые отличия в схеме. Изменения внесены в узел питания ИМС DA101 с целью повышения надежности его работы. В БП ECXe 800.263 вместо стабилитрона VD104 установлен обычный диод. К выходу стабилизатора на транзисторе VT102 напряжения питания внутренней электроники, для защиты от перенапряжения, в случае пробоя VT102, подключены RC-цепочка R126 C113 и тиристорная структура на транзисторах VT104, VT105. Когда RC-цепочка R126 C113 не справляется и бросок напряжения достигает 45В (максимальное напряжение к-э VT104, VT105) срабатывает тиристорная структура – транзисторы VT104, VT105 открываются, закорачивая источник питания внутренней электроники на сопротивление R124=22 Ом. Наличие сопротивления R124, а не короткого замыкания в цепи пробоя транзистора VT102 повышает вероятность обратимого пробоя, т.е. что транзистора VT102 не выйдет из строя при превышении его напряжения к-э выше максимально допустимого.

В остальном читайте описание схемы представленное в [1].

Ссылки:

1. Vossloh-Schwabe ECXe 800.262 – блок питания светодиодов. — Яндекс.Дзен, статья на канале «Ремонтнику промэлектроники», 10.07.2021

Илья Янушкевич

FT9151@gmail.com

Минск, Белоруссия