Добавить в корзинуПозвонить
Найти в Дзене
АДАКТ

О системе EVAP: устройство и принцип работы

Недавно рассказывали про возможные проблемы с адсорбером, теперь поговорим о системе EVAP в целом: для чего нужна и какие неполадки с ней бывают. Поехали! Система EVAP нужна для предотвращения выхода паров бензина из топливного бака и всей топливной системы в атмосферу. Цель — нейтрализовать выброс легких углеводородов, содержащихся в парах топлива, которые при взаимодействии с воздухом и солнечным светом образуют смог. Данные выбросы в виде испарений могут составлять до 15–20% всех загрязняющих выбросов, производимых транспортным средством. Основные компоненты системы EVAP Кратко о принципе работы: Также система периодически выполняет мониторинг утечек. Например, через некоторое время после выключения двигателя можно услышать, как работает диагностический насос. Возможные неисправности EVAP Система EVAP достаточно надежная, но поломки все же бывают. Из распространенных проблем: При неисправности системы загорится Check Engine. Чтобы установить место проблемы более точно, нужно считать
Оглавление

Недавно рассказывали про возможные проблемы с адсорбером, теперь поговорим о системе EVAP в целом: для чего нужна и какие неполадки с ней бывают.

Поехали!

Система EVAP нужна для предотвращения выхода паров бензина из топливного бака и всей топливной системы в атмосферу. Цель — нейтрализовать выброс легких углеводородов, содержащихся в парах топлива, которые при взаимодействии с воздухом и солнечным светом образуют смог. Данные выбросы в виде испарений могут составлять до 15–20% всех загрязняющих выбросов, производимых транспортным средством.

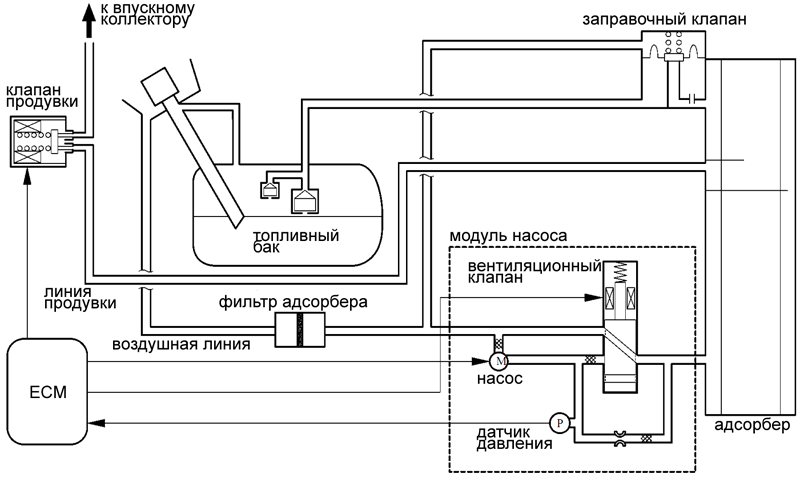
Основные компоненты системы EVAP

Устройство системы на Toyota и Lexus
Устройство системы на Toyota и Lexus
  • Адсорбер (канистра с активированным углем);
  • Электромагнитный клапан продувки N80;
  • Модуль диагностического насоса адсорбера: сам насос, датчик давления в адсорбере, электромагнитный вентиляционный клапан;
  • Электромагнитный заправочный клапан N115;
  • Топливный бак, датчик давления в баке, крышка горловины, сепаратор бензобака;
  • Трубки подачи воздуха/паров топлива.

Кратко о принципе работы:

  1. При заправке топливного бака в нем растет давление. Тогда открывается э/м клапан N115 и пары топлива поступают в адсорбер. Очищенный от паров воздух выходит из него наружу по воздушной линии.
  2. При продувке по сигналу блока управления открывается э/м клапан N80, чтобы перегнать скопившиеся в адсорбере пары топлива во впускной коллектор. В это время по воздушной линии в адсорбер поступает свежий воздух, обеспечивая сквозную продувку.

Также система периодически выполняет мониторинг утечек. Например, через некоторое время после выключения двигателя можно услышать, как работает диагностический насос.

Возможные неисправности EVAP

Система EVAP достаточно надежная, но поломки все же бывают. Из распространенных проблем:

  • неисправность клапанов (особенно клапана N80 в моторном отсеке — если он сломался или забился пылью, то начинает щелкать),
  • некорректно установленная крышка бензобака (проверить крышку следует в первую очередь),
  • утечки в шлангах (могут забиться, треснуть или отсоединиться),
  • поломки различных датчиков системы,
  • обрыв, короткое замыкание в проводке клапанов.
Тот самый клапан N80, проблемы с которым возникают чаще всего
Тот самый клапан N80, проблемы с которым возникают чаще всего

При неисправности системы загорится Check Engine. Чтобы установить место проблемы более точно, нужно считать коды неисправности сканером.

Частые ошибки при неисправности системы

  • P2420, P2421, P2422 — проблемы с электромагнитным клапаном N115 (завис в открытом или закрытом положении);
  • P0440 — неисправность системы;
  • P0441 — плохая продувка системы (расход при продувке);
  • P0442 — незначительная утечка в системе;
  • P0443 — неисправность в электрической цепи клапана продувки;
  • P0444 — обрыв цепи клапана продувки;
  • P0445 — короткое замыкание в цепи клапана продувки;
  • P0455 — серьезная утечка в системе;
  • P0456 — небольшая утечка.

По желанию автовладельцев партнеры АДАКТ проводят работы по отключению EVAP. Часто это обходится дешевле, чем ремонт или замена неисправных элементов в сервисе. Однако исправно работающую систему мы отключать не рекомендуем.

Оригинал материала размещен на сайте АДАКТ:
https://adact2.ru/a/evap-system