Добавить в корзинуПозвонить
Найти в Дзене
Лампа Электрика

Сумеречный выключатель с плавным включением – легко из шести деталей

Обычно сумеречные выключатели включают и выключают лампу скачком, когда освещенность фотодатчика достигнет определенного уровня. Темнеет, темнеет и хлоп, включилась лампа. И наоборот – светает, светает бац – лампа выключилась. Но в некоторых случая необходимо поддерживать постоянное освещение на объекте. Не хватает естественного освещения, нужно добавить искусственного. То есть сумеречный выключатель должен плавно разгораться и плавно гаснуть в зависимости от засветки фотодатчика. Именно такую конструкцию, собранную на одной микросхеме и пяти дополнительных деталях  мы и рассмотрим в этой статье. Микросхема КР1182ПМ1 Эта микросхема, представляющая собой фазоимпульсный регулятор мощности, будет сердцем нашего устройства. Ее основное назначение – плавное включение и выключение ламп накаливания или регулировка их яркости свечения, а также регулировка скорости вращения электродвигателей мощностью до 150 Вт. Типовые схемы включения КР1182ПМ1 приведены на рисунках ниже. В первом режиме регул
Оглавление

Обычно сумеречные выключатели включают и выключают лампу скачком, когда освещенность фотодатчика достигнет определенного уровня. Темнеет, темнеет и хлоп, включилась лампа. И наоборот – светает, светает бац – лампа выключилась.

Но в некоторых случая необходимо поддерживать постоянное освещение на объекте. Не хватает естественного освещения, нужно добавить искусственного. То есть сумеречный выключатель должен плавно разгораться и плавно гаснуть в зависимости от засветки фотодатчика. Именно такую конструкцию, собранную на одной микросхеме и пяти дополнительных деталях  мы и рассмотрим в этой статье.

Микросхема КР1182ПМ1

Эта микросхема, представляющая собой фазоимпульсный регулятор мощности, будет сердцем нашего устройства.

Микросхема КР1182ПМ1
Микросхема КР1182ПМ1

Ее основное назначение – плавное включение и выключение ламп накаливания или регулировка их яркости свечения, а также регулировка скорости вращения электродвигателей мощностью до 150 Вт. Типовые схемы включения КР1182ПМ1 приведены на рисунках ниже.

Типовая схема включения в режиме регулировки мощности 
Типовая схема включения в режиме регулировки мощности 
Типовая схема включения в режиме плавного пуска
Типовая схема включения в режиме плавного пуска

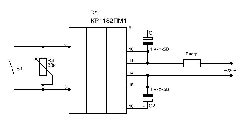
В первом режиме регулировка мощности осуществляется потенциометром R3, кнопка S1 позволяет подать на лампу или двигатель полную мощность. При повторном включении в сеть мощность, соответствующая положению движка резистора приложится к нагрузке скачком.

Во втором режиме мощность на нагрузку после включения плавно увеличивается от 0 до 100%. Скорость увеличения зависит от номинала конденсатора С3 и резистора R1.

От емкости C3 будет зависеть и скорость погасания лампы, поэтому начала нужно подобрать емкость по желаемой скорости погасания, а потом уже подбором номинала резистора R1  выставить желаемую скорость разгорания.

Предельно допустимые режимы эксплуатации КР1182ПМ1

-4

Дорабатываем типовую схему

Досконально разобравшись с типовой схемой включения, несложно ее превратить в сумеречный выключатель, который будет поддерживать постоянную освещенность на объекте. Для этого достаточно лишь изменить цепи управления в типовой схеме.

Схема сумеречного выключателя с плавной регулировкой
Схема сумеречного выключателя с плавной регулировкой

Как видно из схемы, нам пришлось лишь изменить номиналы элементов входной цепи и добавить фототранзистор. Теперь регулировка яркости будет зависеть от внешней освещенности. Резистор R1 служит для настройки на уровень освещенности, ниже или выше которого датчик начнет работать. С3 уменьшает реакцию схемы на резкую смену освещенности.

Это может быть необходимо, если фотодатчик периодически затеняют качающиеся ветки или время от времени на него в ночное время попадает свет фар автомобилей. Скорость реакции будет зависеть от номинала этого конденсатора. В качестве датчика T1 используется транзистор КТ3102 со спиленной крышкой.

Важно! Если вы решили вместо ламп накаливания установить светодиодные, той же суммарной мощностью, то проследите, чтобы они были диммируемые.

Увеличиваем мощность

Если по каким-либо причинам мощности микросхемы не хватает (скажем, вы решили сделать «вечный день» на своем приусадебном участке), то в схему можно добавить дополнительный силовой ключ на мощном симисторе.

Сумеречного плавного выключателя с мощным выходом
Сумеречного плавного выключателя с мощным выходом

При использовании симистора КУ208Г, указанного на схеме, общая мощность ламп может достигать 1 кВт. Симистор, конечно, должен быть установлен на радиатор с рассеиваемой площадью не менее 300 см2.

Фотодатчик Т1 должет быть расположен так, чтобы на него не падал прямой свет от лампы.

Надеюсь, этот несложный сумеречный выключатель, способный поддерживать постоянную освещенность на объекте будет кому-нибудь полезен. Да и типовые схемы включения КР1182ПМ1, думаю, кому-то могут пригодиться.