Найти в Дзене
Сергей Корчемахин

Почему БП от KCAS так любят и ненавидят

О, сколько же было споров про надëжности БП от Aerocool серии KCAS (сюда ещë можно добавить и VX, но там немного иная ситуация, могу рассказать об этом позже). Почему мои любимые блогеры так облизывают этот блок, а в интернете его все не советуют? Тут всë просто, это очень популярная тема в ПК сообществе и заработать на этом можно много. Раньше слово каждого хоть чуть-чуть популярного человека стоило много. Так один блогер его хвалил, говоря:"Вот тут дроссели, вот конденсаторы, щас потыкаю отвëрточкой, вы посмотрите и согласитесь. ". В общем сделал вывод не из чего. Тебе не нужно разбираться, если это подхватят в любом случае. А что по итогу в нëм такого плохого? Дело в том, что в блоках тоже есть прошивка, как на твоëм телефоне или ПК и в них тоже бывают баги или глитчи. БП работает на схеме PFC, в котором существует губительный баг. Транзистор открывается, чтобы передать энергию из накопительного дросселя в транзистор, ну а далее он просто не закрывается(а должен), происх

О, сколько же было споров про надëжности БП от Aerocool серии KCAS (сюда ещë можно добавить и VX, но там немного иная ситуация, могу рассказать об этом позже).

Почему мои любимые блогеры так облизывают этот блок, а в интернете его все не советуют?

Тут всë просто, это очень популярная тема в ПК сообществе и заработать на этом можно много. Раньше слово каждого хоть чуть-чуть популярного человека стоило много. Так один блогер его хвалил, говоря:"Вот тут дроссели, вот конденсаторы, щас потыкаю отвëрточкой, вы посмотрите и согласитесь. ". В общем сделал вывод не из чего. Тебе не нужно разбираться, если это подхватят в любом случае.

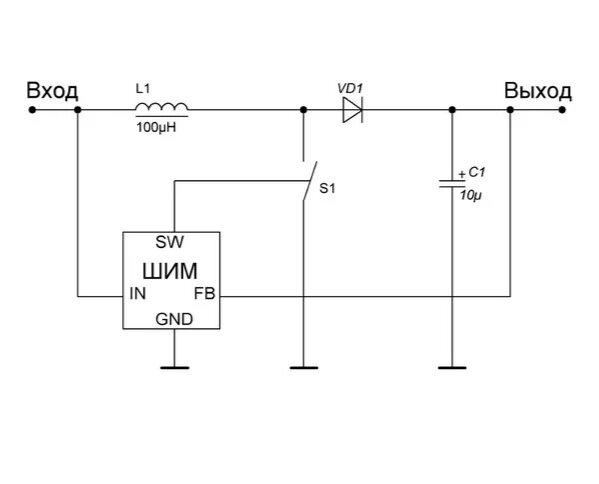
А что по итогу в нëм такого плохого?

Дело в том, что в блоках тоже есть прошивка, как на твоëм телефоне или ПК и в них тоже бывают баги или глитчи.

БП работает на схеме PFC, в котором существует губительный баг.

Транзистор открывается, чтобы передать энергию из накопительного дросселя в транзистор, ну а далее он просто не закрывается(а должен), происходит накопление "феноменального" количества мощности, а потом происходит небольшой бах💥.

Так вкратце работает PFC.
Так вкратце работает PFC.

Вот вам по традиции гипопотам

UwU
UwU