Найти в Дзене
Белый Шум

Двухдиапазонный УКВ-приёмник

Увлекаясь тематикой радиоприёмных устройств, в своё время я наткнулся на интересный вариант УКВ-приёмника, собранного целиком на микросхемах. Основой тюнера являются две микросхемы зарубежного производства: TEA5710 и TSA6057.
Смею предположить, что основной проблемой у автора являлась возможность плавной перестройки в диапазоне от 63 до 108 МГц (приёмник всё-таки двухдиапазонный). Проблема была решена с помощью созданной системы электронного переключения диапазонов. При этом использовались как индуктивные, так и емкостные резонансные контура. В прочем, оба варианта имеют право на существование. Однако вариант с переключением емкостных элементов несколько бо­лее прост по практической реализации, поэтому автор на нем и оста­новился. Как видно из рисунка, в контур на основе не перестраиваемой индуктивности L включены две независимые параллельные ветки емкостей, образованных С1 и VD1, а также С2 и VD2. Причем ветка С2—VD2 управляется напряжением настройки UHacTp плавно, а ветка C1—VD1 им

Увлекаясь тематикой радиоприёмных устройств, в своё время я наткнулся на интересный вариант УКВ-приёмника, собранного целиком на микросхемах. Основой тюнера являются две микросхемы зарубежного производства: TEA5710 и TSA6057.
Смею предположить, что основной проблемой у автора являлась возможность плавной перестройки в диапазоне от 63 до 108 МГц (приёмник всё-таки двухдиапазонный). Проблема была решена с помощью созданной системы электронного переключения диапазонов. При этом использовались как индуктивные, так и емкостные резонансные контура. В прочем, оба варианта имеют право на существование. Однако вариант с переключением емкостных элементов несколько бо­лее прост по практической реализации, поэтому автор на нем и оста­новился.

Рисунок 1 - Электронное переключение диапазонов
Рисунок 1 - Электронное переключение диапазонов

Как видно из рисунка, в контур на основе не перестраиваемой индуктивности L включены две независимые параллельные ветки емкостей, образованных С1 и VD1, а также С2 и VD2. Причем ветка С2—VD2 управляется напряжением настройки UHacTp плавно, а ветка C1—VD1 имеет только два значения емкости: минимальное и максимальное. Переключение осу­ществляется транзистором VT1 при помощи напряжения Unep, которое может формировать либо микроконтроллер, либо другой источник (в авторском варианте это сигнал с вывода 8 микросхемы TSA6057). С помощью приведенной схемы коэффициент перекрытия варикапов как бы возрастает в 2 раза.

Далее привожу схему самого тюнера:

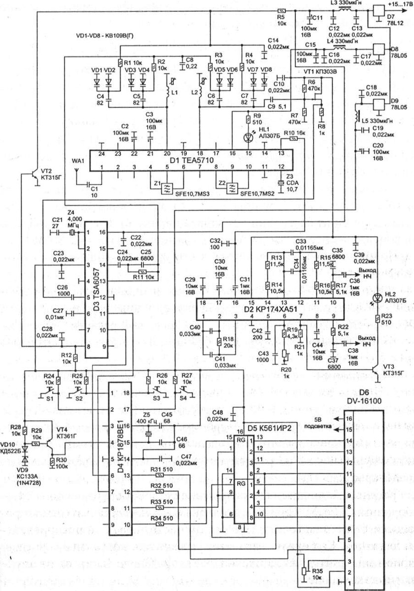
Рисунок 2 - Двухдиапазонный стереофонический тюнер. Схема электрическая принципиальная
Рисунок 2 - Двухдиапазонный стереофонический тюнер. Схема электрическая принципиальная

На микросхеме D1 собрана радиоприем­ная часть, содержащая в своем составе перестраиваемый усилитель радиосигнала (УРС), который усиливает сигнал с антенны WA1; гетеро­дин и усилитель промежуточной частоты с дискриминатором CDA Z3. Контуры перестраиваются варикапами VD1...VD8, причем вари­капы VD1, VD2, VD7, VD8 используются для переключения диапазнов, а варикапы VD3...VD6 — для плавной перестройки по диапазону. Индикатор точной настройки HL1 позволяет контролировать положение органов настройки и уровень входного ВЧ сигнала. Транзистор VT1 — истоковый повторитель, буферирующий сигнал гетеродина. Важно отметить, что в данном приемнике частота гетеродина выше частоты принимаемого сигнала на 10,7 МГц.

Микросхема D2 — стереофонический декодер, предназначенный для работы как в системе с "пилот-тоном", так и в системе с полярной модуляцией (ПМК). Резистор R20 осуществляет настройку частоты внут­реннего генератора, управляемого напряжением (ГУН). Элементы R13, R14, R15, R16, СЗЗ, С34 предназначены для коррекции предыскажений при декодировании сигналов с по­лярной модуляцией. В авторской схеме эти элементы взяты из имев­шихся в наличии со следующими допусками: резисторы с допуском ±0,25% (типа С2-29), конденсаторы — с допуском ±0,5% (типа К71-7). Вообще необходимую постоянную времени коррекции можно получить и при других значениях номиналов элементов. Важно лишь выдержать следующее соотношение:

тнч = (R13 + R14 + R15 + R16) × (СЗЗ + С34) = 1,0186 мс±1 %.

Суммарное сопротивление (R13 + R14 + R15 + R16) должно на­ходиться в диапазоне 20...50 кОм.

Индикатор точной настройки HL2 управляется ключом на биполярном транзисторе VT3. Цепи R17, С35 и R22, С37 — цепи коррекции предыскажений (демпфазиса).

Микросхема D3 — синтезатор частоты. На его вход поступают колебания частоты гетеродина (вывод 5), а выходным сигналом является напряжение настройки для варикапов (вывод 13). Особенностью включения микросхемы является использование вывода 8 (BS) для переключения диапазонов. Сигнал с этого вывода управляет ключом на транзисторе VT2.

Микросхема D4 — микроконтроллер, осуществляющий управление синтезатором частоты и жидкокристаллическим индикатором D6. Особенностей этот узел не имеет. Сдвиговый регистр D5 используется как вспомогательный для обеспечения работы индикатора D6.

Несколько слов о питании узлов тюнера. Схема питания построена на элементах D7, D8, D9. Причем стабилизатор D7 обеспечивает напряжение настройки (+12 В), стабилизатор D8 питает аналоговую часть, а стабилизатор D9 — цифровую. Каждая микросхема снабжена местным блокировочным конденсатором. Такая схема позволяет исключить наводки от работы цифровой части на малосигнальные аналоговые каскады.

При сборке рекомендуется сначала установить только микросхемы D7, D8, D9. Включив питание, проверить наличие напряжения +12 В на плюсовом выводе конденсатора С11, +5 В на тех же выво­дах конденсаторов С15 и С20. После этого установить микросхему D1, подключить внешний УНЧ к выводу 13 микросхемы, а также ан­тенну. Припаять временный переменный резистор сопротивлением 10...22 кОм, подключив его между напряжением +12 В и общим про­водом, а вывод движка — к верхнему (по схеме) выводу конденсато­ра С8. Базу транзистора VT2 подключить перемычкой к общему про­воду. После включения питания установить на движке переменного резистора напряжение 1,2...2,1 В (относительно общего провода). Вращением подстроечников в катушках L1 и L2 добиться приема са­мой «нижней» станции в FM диапазоне (в Минске это частота 87,5 МГц). Уровень сигнала контролировать по светодиоду HL1, добившись его максимального свечения. Можно также подключить параллельно светодиоду мультиметр, включенный на измерение напряжения, и добиться максимальных показаний. Благодаря применению готовых фильтров Z1 ...Z3 настраивать тракт ПЧ и частотный де­тектор не нужно.

После проведенных операций можно перестроиться по диапазону вращением резистора и проверить прием самой «верхней» станции диапазона FM (в Минске — 107,9 МГц). Сняв перемычку между базой транзистора VT2 и общим проводом, проверить перестройку по отечественному ЧМ диапазону. Отечественный диапазон имеет меньшую протяженность, чем диапазон FM, следовательно, он с за­пасом укладывается в отведенные границы перестройки. Восстановить перемычку у транзистора VT2 и смонтировать микросхему D2. Настроиться на станцию в диапазоне FM и вращением резистора R20 зажечь светодиод HL2. Звучание должно стать стереофоническим. Теперь можно снять перемычки с транзистора VT2 и настроиться на станцию в диапазоне ЧМ. Звучание (если, ко­нечно, станция вещает в стереорежиме) должно быть стереофоническим, светодиод HL2 должен сигнализировать об этом. Настройка аналоговой части закончена. Временный переменный резистор мож­но отпаять.

Устанавливаем микросхемы D4, D5 и индикатор D6. Естествен­но, микроконтроллер должен быть к этому моменту «прошит» про­граммой. Его желательно установить на «панельку». Имена файлов Termo_0801.sav — для 8-символьного индикатора, termo_1601.sav — для 16-символьного индикатора.

После включения питания на индикаторе должно появиться зна­чение частоты, установленное в первой ячейке ЭСППЗУ. Кнопками S1 («запись»), S2 («плавно/фиксир.»), S3 («-») и S4 («+») можно перемещаться по диапазону, переходить из режима плавной настройки в фиксированный режим и обратно, записывать в ЭСППЗУ фиксированные настройки (30 позиций). Занесение в память плавных настроек необходимо осуществлять по следующей схеме: вначале происходит настройка на желаемую частоту приема в режиме плавной на­стройки (номер плавной настройки между символами «>» и «<» не индицируется), затем устанавливается номер плавной настройки в режиме «фиксированные» и нажимается кнопка «запись». После от­пускания кнопки «запись» настройка обновляется, а ее значение сохраняется в энергонезависимой памяти МК. При переходе с диапазона на диапазон в левой части индикатора будет появляться значок «ЧМ» или «FM».

В самом конце нужно впаять микросхему D3 и убедиться, что тю­нер перестраивается по диапазону кнопками S3 и S4. Установите плату в подходящий корпус, закрепляйте органы управления и инди­кации. Тюнер готов к эксплуатации.

Спасибо за внимание!