Найти в Дзене

Установка сифона на кухню.

Установка сифона своими руками – операция настолько несложная, что приглашать ради нее мастера-сантехника нет смысла. Сифоны современной конструкции рассчитаны на сборку руками, лишь в некоторых случаях может понадобиться отвертка. Еще пригодится миниатюрный светодиодный фонарик для подсветки плохо видимых мест. Однако работа по установке сифона относится к числу опасных, и не зря: вам придется чистить канализационный патрубок и некоторое время держать его открытым. А чтобы в дальнейшем сифон не стал источником неприятностей, нужно использовать качественные материалы и точно соблюдать инструкцию по установке сифона. Меры предосторожности Фекальные воды и шлам – субстанция весьма ядовитая и химически агрессивная; канализационные газы, кроме того, еще и взрывоопасны. Опасность усугубляется тем, что ядовитые вещества могут проникать в организм через неповрежденную кожу. Сантехники-магистральщики прекрасно об этом знают и техникой безопасности отнюдь не пренебрегают. Сантехникам-бытови
Оглавление

Установка сифона своими руками – операция настолько несложная, что приглашать ради нее мастера-сантехника нет смысла. Сифоны современной конструкции рассчитаны на сборку руками, лишь в некоторых случаях может понадобиться отвертка. Еще пригодится миниатюрный светодиодный фонарик для подсветки плохо видимых мест.

Однако работа по установке сифона относится к числу опасных, и не зря: вам придется чистить канализационный патрубок и некоторое время держать его открытым. А чтобы в дальнейшем сифон не стал источником неприятностей, нужно использовать качественные материалы и точно соблюдать инструкцию по установке сифона.

-2

Меры предосторожности

Фекальные воды и шлам – субстанция весьма ядовитая и химически агрессивная; канализационные газы, кроме того, еще и взрывоопасны. Опасность усугубляется тем, что ядовитые вещества могут проникать в организм через неповрежденную кожу.

Сантехники-магистральщики прекрасно об этом знают и техникой безопасности отнюдь не пренебрегают. Сантехникам-бытовикам редко приходится иметь дело с большими массами отравляющих веществ или выбросами газа из трубы, но в каждом таком случае последствия бывают тяжелыми как раз из-за пренебрежения мерами предосторожности.

-3

Жильцам квартир бояться нечего: водяной затвор в колене сифона надежно запирает выход трубы. Но при замене сифона ее патрубок окажется открытым, и придется работать руками в непосредственной близости от налета шлама, и счищать его. Поэтому запаситесь латексными перчатками, пластиковым фартуком и респиратором-лепестком. Если вдруг на вашу долю придется тот самый 1 из 10 000 случаев, обойдется без вреда.

-4

Материал сифона

Сифоны для стоков изготавливаются в основном из хромированной латуни, ПВХ или пропилена (полиизопропилена). Латунные – самые дорогие, их применение может быть оправдано только с точки зрения эстетики и престижа. В остальном они по всем параметрам уступают пластиковым, включая стойкость: при случайном ударе пластиковый сифон отыграет или помнется, а латунный может сломаться или вывернуться из патрубка.

-5

ПВХ дешевле всего и имеет наименьшее гидравлическое сопротивление. Но при регулярном сливе горячей воды служит ПВХ сифон 5-7 лет. Пропиленовый сифон на 5-20% дороже аналогичного ПВХ, но при правильной установке продержится десятилетия. Гидравлическое сопротивление для сифона большой роли не играет, а прочный и химически стойкий пропилен можно многократно чистить крючком или тросиком, и миазмы из трубы его не разъедят. Особенно хорош пропилен для акриловой ванны: их коэффициенты температурного расширения практически равны.

При покупке пластикового сифона обязательно проверьте его комплектность и качество:

  1. Выпускной патрубок. Резьбовая вставка должна быть металлической.
  2. Резиновая прокладка выпускного патрубка (излива).
  3. Две пластиковые гайки диаметром 32/40/50 мм.
  4. Конусная резиновая манжета диаметром 32/40/50 мм.
  5. Установочная манжета с мягкой пластиковой юбкой диаметром 32/40/50 мм.
  6. Стяжной винт из нержавейки. Латунный, даже хромированный, позеленеет, а простой стальной проржавеет с любым покрытием.
  7. Декоративная накладка слива. Тоже из нержавейки.
  8. Прокладка слива. Материал – маслотермостойкая резина (белая) или силиконовый пластик. Полиэтиленовая прокладка отбраковывается без колебаний.
  9. Корпус сифона (бутылка или колено).
  10. Нижняя сифонная пробка с резиновой кольцевой прокладкой. Только для бутылочного сифона.
  11. Резиновая накладная пробка слива.
-6

Сливная труба

Сливные трубы применяются жесткие или гофрированные. С гофрированной трубой проще работать, особенно под ванной, но для кухонной мойки гофр не годится: во внутренних ложбинах гофра интенсивно накапливается шлам (слив с кухни самый грязный) и гофр внутри кухонного шкафа в соседстве с ведром или другими предметами легче повредить.

Присоединительные размеры

Присоединительные размеры канализационных парубков – 32, 40 и 50 мм. Перед покупкой сифона нужно промерить диаметр излива старого, и новый желательно брать с такой же посадкой. Если нет подходящего сифона нужного размера, придется покупать переходную манжету. Также в продаже имеются сифоны со ступенчатым концом излива, на все три размера. Лишнее отрезается, и нижний уплотнитель приобретается отдельно.

Уплотнительную манжету в последних двух случаях необходимо приобрести сразу же, пока сифон в руках, и тут же проверить, как она садится на излив, насколько упруга и прочна. Сифон с большими заусенцами на обрезе излива, не дающими посадить манжету, брать не следует: это говорит о низком качестве пластика. Производитель, скорее всего, «альтернативный» и штампует сантехнику из ПВХ общего назначения.

Подготовительные работы

Подготовка у установке сифона сводится к демонтажу старого и очистке внутренней поверхности канализационного парубка. Выполняя последнюю операцию, не стоит особо возиться в грязи: материал (специальная резина) манжеты рассчитан на посадку в шероховатое гнездо.

Сложности могут возникнуть, если меняется еще советский чугун, заделанный в патрубок на цементе. В таком случае придется поработать 50 г молотком и зубилом или стамеской, чтобы выдрать прежнее чудище и удалить остатки цемента из патрубка.

-7

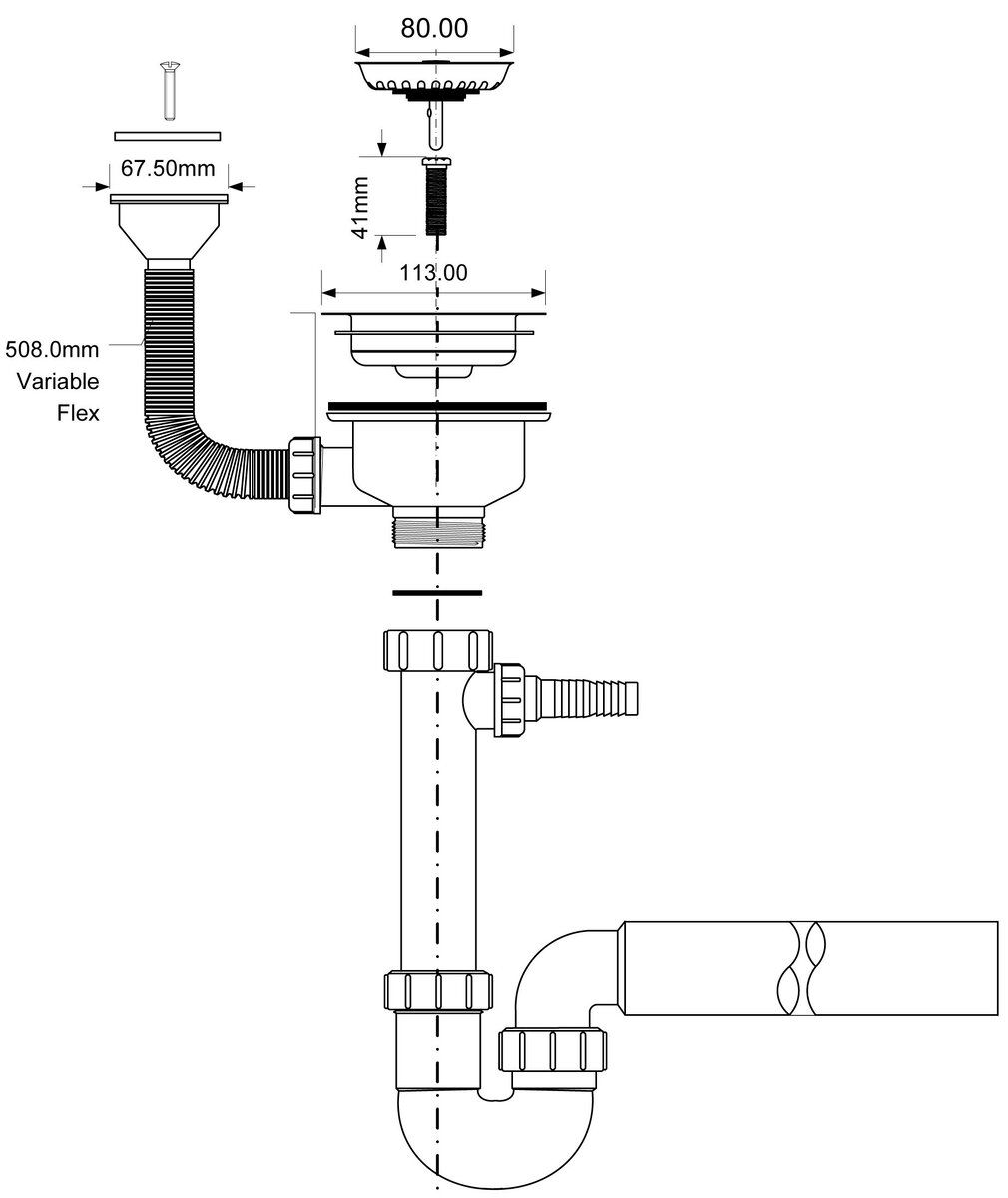
Установка сифона на кухне одновременно и проста и сложна. Проста – потому что патрубок и раковина довольно легко доступны. Сложна – потому что нужный кухонный сифон может оказаться довольно сложной конструкцией. Для стиральной машины нужен сифон с дополнительным штуцером. Если на кухне есть еще и посудомоечная машина – с двумя. На мойку, если она двойная, понадобится сифон с двойным сливом.

Кроме того, в новых домах патрубок канализации расположен на стене и выходит прямо в стояк; стояков в таком случае несколько на квартиру. С точки зрения санитарии и гигиены это отлично, но выпуск сифона пойдет уже не вниз, а назад или вбок. Некоторые виды кухонных сифонов показаны на рисунке; по схеме слева можно просчитать размеры свободного пространства под сифон.

-8

Инструкция по установке сифона на кухне

  • Проверяем посадку решетки слива в раковине мойки. Может оказаться, что выштамповка в раковине слишком мелка. Это недопустимо: лужица вокруг выступающей решетки быстро станет рассадником инфекции. На такой случай желательно при покупке договориться с продавцом о замене. В крайности – ставить решетку без прокладки, на герметик.
  • В канализационный патрубок ставим установочную манжету, смазанную герметиком. Установочная поверхность патрубка должна быть сухой.
  • Проверяем торцевые (стыковочные) поверхности корпусных резьб. Острым ножом срезаем заусенцы и облой (они могут повредить прокладки) и им же или шабровкой (римером) снимаем фаски в 0,5-1 мм.
  • Обрезаем в размер при необходимости выпускной конец сливной трубы, заводим в манжету, закрепляем. Если крепление – хомутом, понадобится отвертка, затянуть винт хомута. Резьбовый конец выпускной трубы должен быть обращен к телу сифона (бутылке или колену).
  • Если излив идет вниз, на верхний конец выпускной трубы на герметике сажаем угольник.
  • Монтируем в раковине мойки сливную решетку. Нижнюю прокладку из черной резины пока не ставим.
  • Укладываем в паз пробки тонкую кольцевую прокладку и смазываем герметиком с захватом корневой части резьбы на 2-3 витка. Заворачиваем пробку.
  • Вставляем в выпускной патрубок бутылки клапан, если он предусмотрен. Заслонка клапана должна открываться наружу.
  • Подсоединяем бутылку сифона к выпускной трубе: ставим на герметике коническую прокладку на выпуск узким концом к бутылке, заводим в бутылку, наворачиваем на резьбу боковую гайку бутылки. Натуго не затягиваем.
  • В канавку верхнего парубка бутылки на герметике укладываем нижнюю прокладку слива, подводим к сливному патрубку решетки слива, не туго заворачиваем верхнюю гайку бутылки.
  • Слегка покачивая бутылку, попеременно затягиваем верхнюю и боковую гайки бутылки натуго.
  • Если штуцеры стиралки и мойки пока не задействованы, заглушаем их резиновыми пробками, комплектными или подходящими по размеру. В противном случае – просто натягиваем на них сливные шланги.
-9

О клапане

В случае залива даже неухоженный, осклизлый клапан спасает квартиру: с ним дело обходится генеральной уборкой, а не ремонтом. Но клапан обрастает шламом, поэтому сифон с клапаном нужно периодически разбирать и чистить. Поэтому:

  1. На верхнем этаже, или в новых домах с раздельными стояками клапан вовсе не нужен: залить некому и/или невозможно.
  2. В 97% случаев при ненарушенной канализации заливается первый этаж. Здесь клапан необходим в любом случае.
  3. В остальных случаях ориентируйтесь по соседям СНИЗУ: насколько они аккуратны, добропорядочны и склонны к незаконной самодеятельности наподобие установки штыря-ловителя в стояк.

Спасибо, что читали. Оставайтесь с нами.