Найти в Дзене
ДКО Электронщик

Твердотельные МОП-реле для высоковольтных приложений

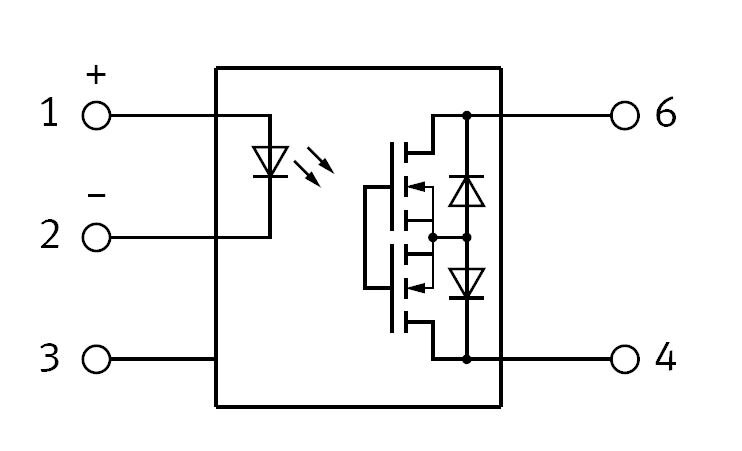
Компания Panasonic предлагает твердотельные реле AQV258H5, способные коммутировать напряжение до 1500 В при токе 20 мА. Они обеспечивают надежное управление высоковольтной нагрузкой и безопасное применение в системах мониторинга батареи (BMS), испытательной и измерительной аппаратуре, электроэнергетической и промышленной отраслях. Во многих приложениях стандартные электромеханические реле могут быть заменены на оптореле AQV258H5, что дает такие преимущества, как значительно более длительный срок эксплуатации, лучшая устойчивость к ударам и вибрации, малое сопротивление во включенном состоянии. AQV258H5 производятся в корпусах 8.8х6.4х3.6 мм для монтажа в отверстия или в SMD-исполнении с увеличенным расстоянием между выходными выводами. Особенности: Производители: Panasonic Разделы: Реле твердотельные

Компания Panasonic предлагает твердотельные реле AQV258H5, способные коммутировать напряжение до 1500 В при токе 20 мА. Они обеспечивают надежное управление высоковольтной нагрузкой и безопасное применение в системах мониторинга батареи (BMS), испытательной и измерительной аппаратуре, электроэнергетической и промышленной отраслях. Во многих приложениях стандартные электромеханические реле могут быть заменены на оптореле AQV258H5, что дает такие преимущества, как значительно более длительный срок эксплуатации, лучшая устойчивость к ударам и вибрации, малое сопротивление во включенном состоянии. AQV258H5 производятся в корпусах 8.8х6.4х3.6 мм для монтажа в отверстия или в SMD-исполнении с увеличенным расстоянием между выходными выводами.

Особенности:

  • Высокая надежность коммутации высоковольтных сигналов;
  • Конфигурация контактов: 1 Form A (SPST-NO);
  • Тип выхода: MOSFET;
  • Напряжение нагрузки: 1500 В (AC пик.);
  • Ток нагрузки: 20 мА;
  • Сопротивление во включенном состоянии: 315 Ом, тип;
  • Рассеиваемая мощность: 410 мВт;
  • Напряжение изоляции вход-выход: 5000 В СКЗ;
  • Увеличенное расстояние между выходными выводами;
  • Возможность коммутации высоковольтной нагрузки;
  • Подходит для мониторинга батарей и управления слаботочными сигналами;
  • Варианты упаковки: трубка и лента/катушка;
  • Соответствуют требованиям RoHS/REACH
Рис. 1. Внешний вид твердотельных реле AQV258H5
Рис. 1. Внешний вид твердотельных реле AQV258H5
 
Рис. 2. Структурная схема AQV258H5
Рис. 2. Структурная схема AQV258H5

Производители: Panasonic

Разделы: Реле твердотельные