Найти в Дзене

Восстановление ZX Spectrum (ленинград). Часть 3.

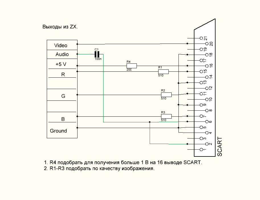
На моём Спектруме не был выведен сигнал AUDIO на разъём. Пришлось "кинуть провод" на разъём. Доработав свой кабель на СКАРТ, получил кабель, выводящий звук на ТВ. В разрыв подключил разделительную емкость. После подключения получаем звук на ТВ. Часть 1, часть 2.

На моём Спектруме не был выведен сигнал AUDIO на разъём. Пришлось "кинуть провод" на разъём. Доработав свой кабель на СКАРТ, получил кабель, выводящий звук на ТВ. В разрыв подключил разделительную емкость.

После подключения получаем звук на ТВ.

Часть 1, часть 2.