Добавить в корзинуПозвонить
Найти в Дзене
Электроэнергетик

ТЕМА 1. ДВИГАТЕЛИ ПОСТОЯННОГО ТОКА. ВОЗБУЖДЕНИЕ ДПТ (ПРОДОЛЖЕНИЕ 4)

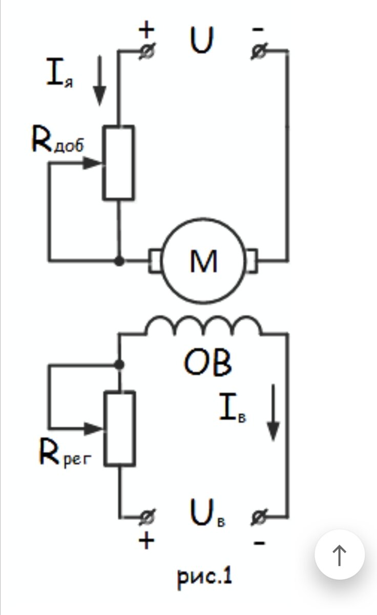
Благодаря тому, что двигатель постоянного тока имеет в своей конструкции обмотку возбуждения можно применять разные схемы ее подключения. В зависимости от способа питания обмотки возбуждения, ДПТ делятся на 2 вида: 1) ДПТ с независимым возбуждением; 2) ДПТ с самовозбуждением, куда входят следующие схемы возбуждения: - последовательное; - параллельное; - смешанное. 1 ДПТ с независимым возбуждением Независимое возбуждение ДПТ, как правило применяется в ДПТ большой мощности. В случае независимого возбуждения, обмотка возбуждения подключается к одному источнику питания, а обмотка якоря к другому. Таким образом, между обмоткой возбуждения и обмоткой якоря нет электрической связи друг с другом. Данная схема возбуждения ДПТ представлена на рис. 1. В некоторых случаях подключение обмотки возбуждения к отдельному источнику питания может быть связано с необходимостью получения разных напряжений между обмоткой якоря и обмоткой возбуждения. Изменяя количество витков обмотки возбуж

Благодаря тому, что двигатель постоянного тока имеет в своей конструкции обмотку возбуждения можно применять разные схемы ее подключения.

В зависимости от способа питания обмотки возбуждения, ДПТ делятся на 2 вида:

1) ДПТ с независимым возбуждением;

2) ДПТ с самовозбуждением, куда входят следующие схемы возбуждения:

- последовательное;

- параллельное;

- смешанное.

1 ДПТ с независимым возбуждением

Независимое возбуждение ДПТ, как правило применяется в ДПТ большой мощности.

В случае независимого возбуждения, обмотка возбуждения подключается к одному источнику питания, а обмотка якоря к другому. Таким образом, между обмоткой возбуждения и обмоткой якоря нет электрической связи друг с другом.

Данная схема возбуждения ДПТ представлена на рис. 1.

Независимое возбуждение ДПТ (фото из просторов интернета)
Независимое возбуждение ДПТ (фото из просторов интернета)

В некоторых случаях подключение обмотки возбуждения к отдельному источнику питания может быть связано с необходимостью получения разных напряжений между обмоткой якоря и обмоткой возбуждения.

Изменяя количество витков обмотки возбуждения можно регулировать ток возбуждения (соответственно чем больше витков обмотки тем ниже величина тока возбуждения). Как правило обмотку возбуждения делают с малым числом витков получая величину тока возбуждения 2-5 % от тока якорной обмотки.

2 ДПТ с параллельным возбуждением

В этом случае обмотка возбуждения получает питание от того же источника питания, что и обмотка якоря.

Подключение обмотки возбуждения непосредственно на напряжение источника питания, позволяет избежать влияние напряжения в пусковом сопротивление.

Параллельное возбуждение ДПТ представлено на рисунке 2.

Рис. 2 Параллельное возбуждение ДПТ (фото из просторов интернета)
Рис. 2 Параллельное возбуждение ДПТ (фото из просторов интернета)

Из плюсов данной схемы возбуждения безусловно является факт того, что в этом случае не требуется поиска отдельного источника питания для обмотки возбуждения.

3 ДПТ с последовательным возбуждением

Как можно понять из названия в этом случае обмотка возбуждения подключается последовательно обмотке якоря, и как следствие - ток якорной обмотки равен току возбуждения.

Данная схема возбуждения представлена на рисунке 3.

Рис. 3 Последовательная схема возбуждения ДПТ (фото из просторов интернета)
Рис. 3 Последовательная схема возбуждения ДПТ (фото из просторов интернета)

Благодаря такому соединению обмотки возбуждения с увеличением нагрузки на валу магнитный поток и вращающийся момент возрастают больше нежели при параллельном возбуждении, что сопровождается падением частоты вращения якоря ДПТ.

4 ДПТ со смешанным возбуждением

ДПТ предназначенный для смешанного возбуждения в своей конструкции имеет две обмотки возбуждения. Одну соединяют последовательно, а другую параллельно якорной обмотке.

Данную схему возбуждения ДПТ можно увидеть на рисунке 4.

Рис. 4 Смешанное возбуждение ДПТ (фото из просторов интернета)
Рис. 4 Смешанное возбуждение ДПТ (фото из просторов интернета)

Последовательная обмотка возбуждения ДПТ как уже было сказано выше с увеличением нагрузки на валу приводит к увеличению магнитного потока и вращающегося момента, что сопровождается снижением частоты вращения якоря.

Параллельная обмотка возбуждения с ростом нагрузки на валу напротив приводит к уменьшению магнитного потока и вращающегося момента, что ведёт уже к увеличению частоты вращения якоря.

Чтобы избежать нестабильной работы ДПТ со смешанным возбуждением, последовательную обмотку возбуждения делают с малым числом витков, с тем чтобы при росте нагрузки на валу - магнитный поток снижался незначительно.

Таким образом, Последовательная обмотка возбуждения создаёт большую намагничивающую силу, а параллельная обмотка возбуждения меньшую.

Путем наложения этих двух магнитных потоков друг на друга создаётся общий магнитный поток обмоток возбуждения.