Добавить в корзинуПозвонить
Найти в Дзене
TehnoPanda

Контроллер микропроцессорный ГАММА-8М УНКР.466514.011 РЭ

Настоящий документ содержит сведения, необходимые для эксплуатации контроллера микропроцессорного ГАММА-8М ТУ 4217-008-29421521-02 и предназначен для обучения обслуживающего персонала работе с ним и его эксплуатации. Материал технического паспорта взят из Базы данных промышленного оборудования "АИСТ" . В базе данных АИСТ содержится свыше 85 тысяч технических паспортов. При нынешнем темпе размещения в Яндекс.Дзен этого хватит на 170 лет.. УНКР.466514.011 РЭ-ЛУ ОКП 42 1715 СОДЕРЖАНИЕ Введение ОПИСАНИЕ И РАБОТА 1. Назначение 2. Технические данные 3. Комплектность 4. Общее устройство и принцип работы прибора 5. Устрйоство и работа составных частей прибора 6. Обеспечение взрывозащищенности прибора 7. Маркировка и пломбирование ИСПОЛЬЗОВАНИЕ ПО НАЗНАЧЕНИЮ 8. Общие указания по эксплуатации 9. Указания мер безопасности 10. Обеспечение взрывозащищенности при монтаже устранения 11. Подготовка к работе и порядок работы 12. Характерные неисправности и методы их устранения 13. Техническое обслужива

Настоящий документ содержит сведения, необходимые для эксплуатации контроллера микропроцессорного ГАММА-8М ТУ 4217-008-29421521-02 и предназначен для обучения обслуживающего персонала работе с ним и его эксплуатации.

Материал технического паспорта взят из Базы данных промышленного оборудования "АИСТ" .

В базе данных АИСТ содержится свыше 85 тысяч технических паспортов. При нынешнем темпе размещения в Яндекс.Дзен этого хватит на 170 лет..

УНКР.466514.011 РЭ-ЛУ

ОКП 42 1715

СОДЕРЖАНИЕ

Введение

ОПИСАНИЕ И РАБОТА

1. Назначение

2. Технические данные

3. Комплектность

4. Общее устройство и принцип работы прибора

5. Устрйоство и работа составных частей прибора

6. Обеспечение взрывозащищенности прибора

7. Маркировка и пломбирование

ИСПОЛЬЗОВАНИЕ ПО НАЗНАЧЕНИЮ

8. Общие указания по эксплуатации

9. Указания мер безопасности

10. Обеспечение взрывозащищенности при монтаже устранения

11. Подготовка к работе и порядок работы

12. Характерные неисправности и методы их устранения

13. Техническое обслуживание и поверка прибора

14. Правила хранения и транспортирования

ПРИЛОЖЕНИЯ

A Габаритные размеры прибора

B Схема соединений прибора и внешних устройств

ССЫЛОЧНЫЕ НОМАРТИВЫНЕ ДОКУМЕНТЫ

Введение

Настоящий документ содержит сведения, необходимые для эксплуатации контроллера микропроцессорного ГАММА-8М ТУ 4217-008-29421521-02, именуемого в дальнейшем “прибор”, и предназначен для обучения обслуживающего персонала работе с ним и его эксплуатации.

Документ состоит из двух частей. Разделы с 1 по 7, ОПИСАНИЕ И РАБОТА, содержат сведения о назначении, технических данных, составе, устройстве, конструкции и принципах работы прибора и его составных частей, обеспечении взрывозащищенности прибора, а также сведения об условиях эксплуатации, маркировке и пломбировании.

Разделы с 8 по 14, ИСПОЛЬЗОВАНИЕ ПО НАЗНАЧЕНИЮ, содержат требования, необходимые для правильной эксплуатации прибора и поддержания его в постоянной готовности к действию.

При изучении прибора дополнительно необходимо использовать документ “УНКР.466514.011-ХХХ РО Контроллер микропроцессорный ГАММА_8М. Руководство оператора”, где ХХХ - номер текущей версии программного обеспечения (ПО) прибора.

В содержание данного документа могут быть внесены изменения без предварительного уведомления.

Материал, представленный в настоящем документе, можно копировать и распространять при соблюдении следующих условий:

  • весь текст должен быть скопирован целиком, без каких бы то ни было изменений и сокращений;
  • все копии должны содержать ссылку на авторские права ЗАО “Альбатрос”;
  • настоящий материал нельзя распространять в коммерческих целях (с целью извлечения прибыли).

ГАММА-8М является товарным знаком ЗАО “Альбатрос”.

ОПИСАНИЕ И РАБОТА

1. Назначение

1.1 Контроллер микропроцессорный ГАММА-8М предназначен для подключения к нему двух датчиков уровня ультразвуковых ДУУ2 ТУ 4214-001-29421521-02, или датчиков уровня ультразвуковых ДУУ2М ТУ 4214-021-29421521-05, или датчиков температуры многоточечных ДТМ1 ТУ 4211-001-29421521-02, или датчиков температуры многоточечных ДТМ2 ТУ 4211-002-29421521-05, или датчиков избыточного давления ДИД1 ТУ 4212-001-29421521-02 производства ЗАО “Альбатрос” (далее “датчики”) любых модификаций в любой конфигурации и обеспечивает:

  • взрывозащищеное электропитание подключенных датчиков (датчики, подключаемые к прибору, могут размещаться на объектах в зонах В-1 и В-1а (по классификации главы 7.3 ПУЭ, шестое издание), где возможно образование смесей горючих газов и паров с воздухом категории IIB по ГОСТ 30852.11 температурного класса T5 включительно согласно ГОСТ 30852.0);
  • обработку поступающих от датчиков сигналов и расчет измеряемых параметров;
  • индикацию измеренных параметров;
  • управление внешними устройствами (четыре изолированных ключа с выходом типа “сухой контакт” и программируемыми привязками, порогами срабатывания и гистерезисами);
  • формирование стандартных токовых сигналов, пропорциональных измеряемым параметрам (два канала с программируемой привязкой), для работы с самопишущими и другими устройствами регистрации;
  • одновременного регулирования (позиционный или пропорциональный законы регулирования) по двум параметрам, измеряемым подключенными к прибору датчиками;
  • осуществление цифрового обмена по последовательному интерфейсу RS-485 с ЭВМ верхнего уровня в формате протокола Modbus RTU.

1.2 Прибор осуществляет индикацию измеренных параметров с помощью семисегментных светодиодных индикаторов.

1.3 Условия эксплуатации и степень защиты прибора

Номинальные значения климатических факторов - согласно ГОСТ 15150 для вида климатического исполнения УХЛ4, тип атмосферы II (промышленная).

Степень защиты оболочки прибора IP50 по ГОСТ 14254 (защита от пыли).

1.4 Прибор соответствует требованиям ГОСТ Р 51330.0, ГОСТ Р 51330.10, имеет для выходных цепей вид взрывозащиты “Искробезопасная электрическая цепь”, уровень взрывозащиты “Взрывобезопасный” для взрывоопасных смесей категории IIB по ГОСТ Р 51330.11, маркировку взрывозащиты “[Exib]IIB” и может применяться вне взрывоопасных зон помещений и наружной установки согласно требованиям главы 7.3 ПУЭ (шестое издание) и других нормативно-технических документов, регламентирующих применение оборудования во взрывоопасных зонах.

2. Технические данные

2.1 Число подключаемых датчиков - два.

2.2 Индикация измеренных параметров и вывод другой алфавитно-цифровой информации осуществляется на двух встроенных в прибор пятиразрядных семисегментных светодиодных индикаторах.

2.3 Прибор имеет четыре светодиода, индицирующих текущее состояние ключей, и пьезоэлектрический звонок.

2.4 Для программирования прибора пользователю предоставляется трехкнопочная клавиатура. Все программируемые параметры и константы запоминаются в энергонезависимом ОЗУ (ЭОЗУ) прибора и сохраняются при отключении питания. Ориентировочный срок хранения информации в ЭОЗУ прибора при выключенном питании - 10 лет.

2.5 Питание датчиков осуществляется постоянным напряжением с параметрами Uо≤12 B, Iо≤80 мА. Для связи с датчиками применяется экранированный четырехпроводный кабель. Нормальное функционирование обеспечивается при длине соединительного кабеля между прибором и датчиками не более 1,5 км. Разрешается применение экранированных контрольных кабелей со следующими параметрами: Rкаб≤ 100 Ом, Скаб≤0,1 мкФ, Lкаб≤2 мГн.

2.6 Предельные параметры ключей прибора на активной нагрузке:

  • коммутируемое напряжение постоянного или переменного тока не более 250 В;
  • допустимый ток коммутации ключа не более 1 А;
  • сопротивление ключа в замкнутом состоянии не более 1,2 Ом.

2.7 Характеристики интерфейса:

  • гальваническая развязка выходных цепей интерфейса от корпуса прибора и его внутренних цепей (прочность изоляции 1000 В постоянного тока в течение одной минуты);
  • тип интерфейса - RS-485;
  • программируемая скорость передачи до 19200 бит/с;
  • программируемый контроль четности;
  • логический протокол - Modbus RTU (программируемый адрес прибора).

2.8 Характеристики выходных токовых сигналов прибора:

  • число выходных токовых сигналов - два;
  • гальваническая развязка выходных цепей токовых сигналов от корпуса прибора и его внутренних цепей (прочность изоляции 1000 В постоянного тока в течение одной минуты);
  • независимое программирование выходной шкалы (0...5 мА, 0...20 мА, 4...20 мА) для каждого токового сигнала;
  • выходные токовые сигналы 0...5 мА обеспечиваются прибором на нагрузке не более 2 кОм, а 0...20 мА и 4...20 мА - на нагрузке не более 450 Ом;
  • пределы допускаемой приведенной погрешности выходных токовых сигналов 0,2 %.

2.9 Электрические параметры и характеристики

2.9.1 Питание прибора осуществляется от сети переменного тока напряжением от 180 до 242 В, частотой (50 1) Гц.

2.9.2 Мощность, потребляемая прибором от сети, не превышает 20 ВА.

2.9.3 По степени защиты от поражения электрическим током прибор относится к классу защиты I в соответствии с требованиями ГОСТ 12.2.007.0.

2.9.4 Электрическая изоляция в нормальных условиях применения выдерживает в течение одной минуты без пробоя и поверхностного перекрытия испытательное напряжение:

1) ~1500 В, 50 Гц - между цепью питания ~220 В, 50 Гц и металлическими частями контроллера, а также между искробезопасными цепями датчиков и цепью питания 220 В, 50 Гц;

2) ~500 В, 50 Гц - между выходными искробезопасными цепями контроллера, электрически не связанными между собой;

3) -1000 В - между выходными цепями интерфейса и корпусом прибора и его внутренними цепями;

4) -1000 В - между выходными цепями токовых сигналов и корпусом прибора и его внутренними цепями.

2.9.5 Время установления рабочего режима не более 30 с.

2.9.6 Прибор предназначен для непрерывной работы.

2.10 Надежность

2.10.1 Средняя наработка на отказ прибора с учетом технического обслуживания, регламентируемого данным руководством по эксплуатации не менее 40000 ч.

Средняя наработка на отказ прибора устанавливается для условий и режимов, оговоренных в пункте 1.3.

2.10.2 Критерием отказа является несоответствие прибора требованиям пунктов 2.1...2.8.

2.10.3 Срок службы прибора составляет 14 лет.

2.10.4 Срок сохраняемости прибора не менее одного года на период до ввода в эксплуатацию при соблюдении условий, оговоренных в разделе “Правила хранения и транспортирования”.

2.10.5 Среднее время восстановления прибора не более 8 ч.

2.11 Конструктивные параметры

Габаритные размеры прибора не превышают 124х142х348,5 мм. Масса не более 2 кг.

Габаритные размеры прибора приведены в приложении А.

3. Комплектность

2.1 В комплект поставки прибора входят:

  • контроллер микропроцессорный ГАММА-8М УНКР.466514.011- 1 шт.;
  • паспорт УНКР.466514.011 ПС - 1 шт.;
  • руководство по эксплуатации УНКР.466514.011 РЭ- 1 шт.;
  • руководство оператора УНКР.466514.011-ХХХ РО - 1 шт.;
  • методика поверки УНКР.466514.011 МП - 1 шт.;
  • жгут УНКР.685622.008 (для подключения к прибору датчиков)- 1 шт.;
  • вилка кабельная DB-9M с кожухом (для подключения к прибору устройств с токовыми входами и ЭВМ верхнего уровня)- 1 шт.;
  • розетка кабельная DB-15F с кожухом (для подключения к прибору устройств сигнализации)- 1 шт.;
  • тара транспортная УНКР.321312.019- 1 шт.

4. Общее устройство и принцип работы прибора

4.1 Контроллер микропроцессорный ГАММА-8М представляет собой микропроцессорный прибор на основе однокристальной микро-ЭВМ (ОМЭВМ) DS80C320 и выполняет функции вторичного преобразователя, индикации и управления. Прибор имеет в своем составе три узла: ячейка сопряжения с датчиками ЯСД4, ячейка вычислительная ЯВ3 и ячейка индикации ЯИ5.

ЯСД4 содержит блок питания, вырабатывающий напряжения, необходимые для работы всех остальных узлов прибора, источник искробезопасного питания датчиков, подключаемых к прибору, и узлы оптронной развязки сигналов связи прибора и датчиков, обеспечивающие согласование уровней сигналов и защиту искробезопасных цепей от искроопасных.

ЯИ5 осуществляет индикацию измеренных датчиками параметров и состояния ключей. На плате ЯИ5 расположена кнопочная клавиатура, позволяющая оператору программировать прибор. Кроме того, ЯИ5 выполняет функцию кросс-платы, связывающей ЯСД4 и ЯВ3.

ЯВ3 является центральным узлом прибора. В ее задачи входит осуществление опроса датчиков, расчет измеряемых параметров, формирование изолированных токовых и дискретных управляющих сигналов, хранение настроечной информации при отключении питания прибора, обеспечение обмена данными с ЭВМ верхнего уровня, а также управление работой ЯИ5.

4.2 Прибор выполнен в металлическом корпусе.

ЯВ3 и ЯСД4 крепятся к задней панели прибора и соединяются с ЯИ5 через врубные разъемы. Образованный ЯВ3, ЯСД4 и ЯИ5 блок вставляется в корпус по направляющим с задней стороны прибора.

На задней панели прибора расположены электрические разъемы для подключения датчиков и внешних устройств, сетевой выключатель, кабель питания и клемма защитного заземления прибора.

Передняя часть прибора закрыта панелью с декоративным шильдиком. Панель имеет окна для светодиодных индикаторов и клавиатуры, а также резьбовые отверстия с невыпадающими винтами, предназначенными для установки прибора на щит потребителя.

4.3 Органы управления и индикации прибора

4.3.1 Прибор имеет два режима работы:

  • режим измерений;
  • режим программирования.

В режиме измерений прибор осуществляет опрос подключенных к нему датчиков, производит вычисление и индикацию измеряемых параметров, а также формирует сигналы токовых выходов и управления ключами.

Режим программирования предназначен для настройки прибора. В этом режиме опрос датчиков не производится, а токовые выходы и ключи “замораживаются” в состояниях, в которых они находились непосредственно перед входом в режим программирования.

4.3.2 На передней панели прибора расположены два пятиразрядных семисегментных индикатора (далее “индикаторы”), на которые в режиме измерений выводятся значения измеряемых прибором параметров и/или диагностические сообщения о ходе процесса измерений.

В режиме программирования на индикаторы выводятся вспомогательные сообщения (названия меню, параметров настройки и т.п.), а также значения параметров настройки прибора.

4.3.3 Под каждым индикатором расположены два светодиода красного цвета, индицирующих состояние ключей прибора. Если светодиод горит, соответствующий ему ключ замкнут, иначе ключ находится в разомкнутом состоянии.

4.3.4 В нижней части передней панели прибора находятся три кнопки. Функции кнопок в различных режимах работы прибора описаны в руководстве оператора УНКР.466514.011 РО. Нажатие кнопок сопровождается звуковым сигналом.

5. Устройство и работа составных частей прибора

5.1 Прибор предназначен для подключения к нему двух датчиков производства ЗАО “Альбатрос”, поэтому вначале рассмотрим устройство и принцип работы датчиков.

Все датчики представляют собой устройства на базе микроконтроллеров и обмениваются с вторичным прибором с помощью асинхронного последовательного кода в полудуплексном режиме.

5.2 Устройство и принцип работы датчиков ДУУ2 и ДУУ2М

Измерение уровня или уровня раздела фаз основано на измерении времени распространения короткого импульса упругой деформации в стальной проволоке. По всей длине проволоки намотана катушка, в которой протекает импульс тока, создавая магнитное поле. В месте расположения поплавка с постоянным магнитом, скользящего вдоль проволоки, в ней под действием магнитострикционного эффекта возникает импульс продольной деформации, который распространяется по проволоке и фиксируется пьезоэлементом, закрепленным на ней.

Датчики исполнения 0 измеряют время, прошедшее с момента формирования импульса тока до момента приема сигнала от пьезоэлемента. Это позволяет вычислить расстояние до местоположения поплавка, определяемого положением уровня жидкости, при известной скорости звука.

Расстояние до поплавка определяется по следующей формуле

L = T * Vзв, (1)

где L - расстояние от пьезоэлемента датчика до контролируемой поверхности, м;

Т - время распространения в проволоке импульса звука от поплавка до пьезоэлемента, с;

Vзв - скорость звука в проволоке (значение приведено в паспорте датчика и вводится при программировании прибора), м/с.

Для датчиков исполнения 1 расстояние до поплавка вычисляется по формуле

L = Lэф * Т/Тпр, (2)

где Тпр - время распространения импульса упругой деформации от нижнего конца проволоки, с;

Lэф - эффективная длина (паспортное значение датчика), м.

Уровень H, м, измеряемый датчиком, рассчитывается по следующей формуле

H = B - L, (3)

где В - база установки датчика (расстояние от точки, на которой дальность принимается равной нулю, до поверхности, принятой за нулевой уровень), м;

L - значение дальности, рассчитываемое по формулам (1) или (2), м.

Измерение температуры в датчиках осуществляется с помощью цифрового интегрального термометра фирмы Maxim Integrated Products, Inc., расположенного на нижнем конце чувствительного элемента датчика.

Измерение давления в резервуаре осуществляется с помощью ячейки для измерения давления (ЯИД) фирмы M. K. Juchheim GmbH & Co. Сигнал, выдаваемый данной ячейкой, оцифровывается с помощью встроенного в микроконтроллер датчика аналого-цифрового преобразователя (АЦП).

Значение давления P, МПа, измеряемого датчиком, рассчитывается по следующей формуле

P = (WхC – PСМ)/1000, (4)

где W - вес бита АЦП измерения давления, мат/бит (паспортное значение датчика);

C - код, полученный с АЦП измерения давления, бит;

Pсм - начальное смещение характеристики датчика давления, ат (паспортное значение датчика).

5.3 Устройство и принцип работы датчиков ДТМ1 и ДТМ2

Измерение температуры в датчиках осуществляется с помощью цифровых интегральных термометров фирмы Maxim Integrated Products, Inc. (в зависимости от типа и модификации датчика число термометров может быть от одного до шестнадцати), расположенных на кабель-тросе датчика (места расположения термометров задаются потребителем при заказе).

5.4 Устройство и принцип работы датчиков ДИД1

Измерение давления основано на пьезорезистивном эффекте. Давление измеряемой среды воздействует на разделительную мембрану ЯИД. Разделительная мембрана передает давление через жидкостное заполнение на кремниевую мембрану с легированным мостом сопротивлений. Прогиб кремниевой мембраны под воздействием давления приводит к изменению сопротивлений измерительного моста, что вызывает изменение выходного напряжения моста, пропорциональное изменению давления. ЯИД оснащена датчиком температуры, который, в совокупности с двумя внешними резисторами, обеспечивает температурную компенсацию измерений давления.

В качестве ЯИД используется ячейка фирмы Sensortechnics GmbH. Расчет значения давления, измеряемого датчиком, осуществляется по формуле (4).

5.5 Работа составных частей прибора

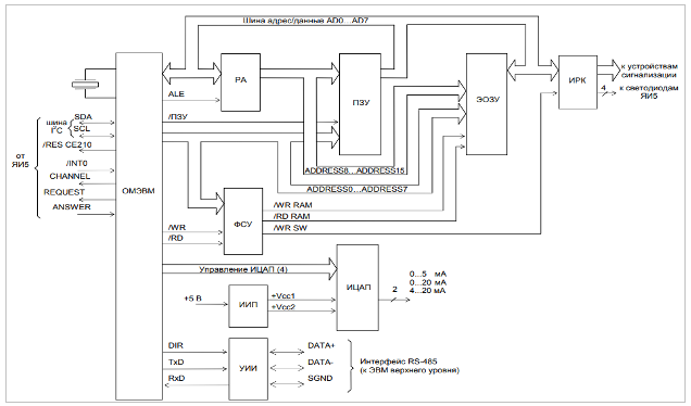
5.5.1 Ячейка вычислительная ЯВ3

Структурная схема ячейки приведена на рисунке 1. Схема содержит следующие узлы:

  • однокристальная микро-ЭВМ (ОМЭВМ);
  • постоянное запоминающее устройство (ПЗУ);
  • энергонезависимое оперативное запоминающее устройство (ЭОЗУ);
  • регистр адреса (РА);
Рисунок 1 – Структурная схема ячейки вычислительной ЯВ3
Рисунок 1 – Структурная схема ячейки вычислительной ЯВ3
  • формирователь сигналов управления (ФСУ);
  • изолированные релейные ключи (ИРК);
  • источник изолированного питания (ИИП);
  • изолированные цифро-аналоговые преобразователи (ИЦАП);
  • узел изолированного интерфейса (УИИ).

Ядром модуля является ОМЭВМ (БИС DS80C320-MCG фирмы Maxim Integrated Products, Inc., являющаяся расширением ОМЭВМ семейства MCS-51 фирмы Intel), управляющая остальными узлами прибора. Тактирование ОМЭВМ обеспечивается кварцевым резонатором (22,1184 МГц) и ее внутренним генератором.

ОМЭВМ имеет отдельные пространства для памяти программ и памяти данных (ЭВМ гарвардского типа). ПО хранится в ПЗУ объемом 32 Кбайт, обращение к которому осуществляется сигналом /ПЗУ.

РА с помощью сигнала ОМЭВМ ALE выделяет из мультиплексной шины адрес/данные ОМЭВМ младший байт адреса, необходимый для выбора данных из ПЗУ и ЭОЗУ.

ЭОЗУ предназначено для хранения информации о конфигурации прибора (параметры датчиков, тип токовых выходов и т.п.), а также временного хранения данных, необходимых в процессе осуществления прибором опроса датчиков и вычисления значений измеряемых параметров.

Пространство данных ОМЭВМ (64 Кбайт) делится между ЭОЗУ и ИРК. ФСУ формирует из сигналов адресной шины, записи (/WR) и чтения (/RD) ОМЭВМ сигналы записи и чтения ЭОЗУ (/WR RAM и /RD RAM соответственно) и сигнал записи ИРК /WR SW.

ИРК формируют гальванически развязанные сигналы типа “сухой контакт” для управления устройствами сигнализации, которые могут подключаться к прибору, а также сигналы управления светодиодами состояния ключей, расположенных на плате ЯИ5.

ИИП вырабатывает для узла ИЦАП изолированные напряжения +VСС1 и +VСС2.

Узел ИЦАП решает задачу формирования выходных токовых сигналов по командам ОМЭВМ (два независимых гальванически изолированных от цепей прибора канала).

УИИ осуществляет гальваническую изоляцию и преобразование сигналов встроенного в ОМЭВМ универсального асинхронного приемопередатчика (УАПП) в сигналы интерфейса RS-485. Направление передачи информации по интерфейсу задается ОМЭВМ с помощью сигнала DIR.

Связь ЯВ3 с ЯИ5 осуществляется по шине I(2)C фирмы Philips Semiconductors, программно реализуемой в ОМЭВМ. При этом ОМЭВМ является ведущим устройством, а ЯИ5 - ведомым. Кроме того, ЯВ3 формирует сигнал сброса ЯИ5 /RES CE210, а ЯИ5 при нажатии кнопок, расположенных на ее плате, формирует сигнал /INT0, поступающий на вход прерывания ОМЭВМ.

ОМЭВМ имеет два УАПП. Первый используется в УИИ, с помощью второго УАПП прибор осуществляет связь с датчиками. Сигналы связи с датчиками транслируются через ЯИ5 на ЯСД4. Сигнал CHANNEL задает адрес датчика, на линии REQUEST формируются команды опроса датчиков. Информация с датчиков снимается на линии ANSWER.

5.5.2 Ячейка сопряжения с датчиками ЯСД4

Структурная схема ЯСД4 приведена на рисунке 2. Схема содержит следующие узлы:

  • выключатель (ВЫКЛ);
  • блок питания, устанавливаемый на плате ЯСД4;
  • источник питания датчиков (ИПД);
  • узлы сопряжения с датчиками (УСД).
Рисунок 2 - Структурная схема ячейки сопряжения с датчиками ЯСД3
Рисунок 2 - Структурная схема ячейки сопряжения с датчиками ЯСД3

Сетевое напряжение ~220 В, 50 Гц через выключатель поступает на блок питания, выдающий напряжения +5 В (необходимо для работы ЯВ3, ЯИ5 и УСД), +12 В и -12 В (необходимы для работы ИПД).

ИПД вырабатывает искробезопасное питание датчиков, подключаемых к прибору (два канала), и включает в себя искрозащитные элементы.

УСД, в соответствии с значениями сигнала CHANNEL, выполняют функцию демультиплексирования сигнала запроса датчика REQUEST на два канала, мультиплексируют сигналы ответа датчиков на одну линию (ANSWER) и обеспечивают согласование уровней и гальваническую развязку сигналов опроса и ответа датчиков.

5.5.3 Ячейка индикации ЯИ5

Структурная схема ЯИ5 приведена на рисунке 3. Схема содержит следующие узлы:

  • контроллер клавиатуры и дисплея (ККД);
  • разрядные ключи (РК);
  • сегментные ключи (СК);
  • семисегментный индикатор (СИ);
  • светодиоды состояния ключей (ССК);
  • клавиатура (К).

Основным узлом ЯИ5 является ККД, осуществляющий вывод информации на СИ, опрос кнопок клавиатуры и формирование звуковых сигналов. Вид выводимой на СИ информации задается ЯВ3, сканирование индикатора осуществляет непосредственно ККД, что позволяет разгрузить ОМЭВМ ЯВ3 от выполнения данной работы.

Рисунок 3 - Структурная схема ячейки индикации ЯИ5
Рисунок 3 - Структурная схема ячейки индикации ЯИ5

Как было уже отмечено выше, связь ЯИ5 с ЯВ3 осуществляется по двунаправленной шине I² C. При этом ЯВ3 выдает по шине команды управления ККД и данные для вывода на СИ, а ЯИ5 - коды нажатых кнопок и информацию о состоянии ККД.

РК и СК умощняют слаботочные сигналы ККД, для того чтобы обеспечить необходимую яркость СИ.

ССК управляются сигналами ЯВ3 и индицируют текущее состояние ИРК.

6. Обеспечение взрывозащищенности прибора

6.1 Обеспечение взрывозащищенности измерительных систем на основе прибора достигается ограничением соответствующих токов и напряжений до искробезопасных значений. Искрозащитные элементы имеют маркировку и размещены с выполнением требований ГОСТ 30852.10.

6.2 Задачу ограничения выходных токов и напряжений прибора до искробезопасных значений решают блок питания и ячейка сопряжения с датчиками ЯСД4.

6.2.1 Блок питания, подключенный непосредственно к сети ~220 В, 50 Гц, обеспечивает напряжение изоляции между входными и выходными цепями 3000 В, а между входными цепями и корпусом прибора - 1500 В промышленной частоты. Входные цепи блока питания снабжены токовой защитой - плавкими предохранителями, доступ к которым ограничен путем пломбирования корпуса прибора.

6.2.2 Питание датчиков, подключенных к прибору, вырабатывается преобразователями напряжения, изоляция которых выдерживает постоянное напряжение 3000 В.

Входные цепи преобразователей напряжения защищены от повышенного напряжения с помощью предохранителей и защитных диодов.

Питание на датчики поступает через барьеры искрозащиты, обеспечивающие напряжение холостого хода не более +12 В и ток короткого замыкания не более 80 мА. Пути утечки и электрические зазоры искробезопасных цепей питания датчиков относительно друг друга составляют не менее 2 мм.

6.2.3 Сигналы от датчиков поступают в схемы прибора через оптроны марки 4N35, расположенные на плате ЯСД4, обеспечивающие напряжение изоляции 1500 В промышленной частоты.

Цепи, связанные с датчиками, отделены от цепей, связанных с питанием прибора, печатным экраном шириной 1,5 мм по ГОСТ Р 51330.10, соединенным с корпусом прибора.

6.2.4 Разъем для подключения искробезопасных цепей обеспечивает предохранение от размыкания и не допускает ошибочной коммутации. Кроме того, данный соединитель имеет маркировку “Датчики. Искробезопасная цепь. Uо≤ 12 V; Iо≤80 mА; Lо≤22 mH; Cо≤5,1μF; Rкаб≤100Ω; Lкаб≤2 mH; Cкаб≤0,1 µF.”.

6.3 Напряжение питания +5 В, вырабатываемое блоком питания прибора и использующееся для питания внутренних узлов, защищено от появления повышенных напряжений с помощью предохранителей и защитных диодов, расположенных на плате ЯСД4.

6.4 Сигналы интерфейса и токовых выходов прибора защищены от появления на них повышенных напряжений с помощью предохранителей и защитных диодов, расположенных на плате ЯВ3.

7. Маркировка и пломбирование

7.1 На передней панели прибора нанесены следующие знаки и надписи:

  • товарный знак предприятия-изготовителя;
  • знак сертификации;
  • знак утверждения типа средств измерений;
  • тип прибора;
  • маркировка светодиодов состояния ключей (надписи “Ключ 1”+“Ключ 4”);
  • маркировка кнопок клавиатуры;
  • надпись “Сделано в России”.

7.2 На задней панели прибора нанесены следующие знаки и надписи:

  • тип прибора;
  • товарный знак предприятия-изготовителя;
  • год выпуска;
  • порядковый номер прибора по системе нумерации предприятия;
  • степень защиты по ГОСТ 14254;
  • маркировка взрывозащиты “[Ехib]IIB”;
  • обозначение разъема ключей прибора с характеристикой их цепей (надпись “Ключи. Umaкс=250 V, Imaкс=1 А, Rвых=1,2 Ω”) и цоколевкой контактов;
  • обозначение разъема токовых выходов прибора и подключения интерфейса с характеристикой их цепей “Токовые выходы. 20 mА/450 Ω, 5 mА/2 кΩ. RS-485” и цоколевкой контактов;
  • обозначение разъема для подключения датчиков “Датчики. Искробезопасная цепь. Uо≤12 V; Iо≤80 mА; Lо≤22 mH; Cо≤5,1 µF; Rкаб≤100 Ω; Lкаб≤2 mH; Cкаб≤0,1 µF.”;
  • параметры питания;
  • маркировка клеммы заземления прибора;
  • надпись “Открывать, отключив от сети!”.

7.3 Прибор пломбируется предприятием-изготовителем мастичной пломбой по ГОСТ 18678, для чего на его задней панели предусмотрена пломбировочная чашка.

ИСПОЛЬЗОВАНИЕ ПО НАЗНАЧЕНИЮ

8. Общие указания по эксплуатации

8.1 На всех стадиях эксплуатации руководствуйтесь правилами и указаниями, помещенными в соответствующих разделах данной части.

8.2 Перед началом эксплуатации провести внешний осмотр прибора, для чего проверить:

  • отсутствие механических повреждений на корпусе по причине некачественной упаковки или неправильной транспортировки;
  • комплектность прибора согласно разделу “Комплектность” паспорта УНКР.466514.011 ПС;
  • состояние лакокрасочных, защитных и гальванических покрытий;
  • отсутствие отсоединяющихся или слабо закрепленных элементов внутри прибора (определите на слух при наклонах);
  • наличие и состояние пломбы предприятия-изготовителя.

8.3 В случае большой разности температур между складскими и рабочими условиями, полученный со склада прибор перед включением выдерживается в рабочих условиях не менее четырех часов.

8.4 После длительного хранения или транспортирования в условиях повышенной влажности прибор выдерживается в нормальных условиях не менее восьми часов.

8.5 Установка прибора

8.5.1 Прибор устанавливается в помещении с искусственным освещением для обеспечения возможности круглосуточной работы. Установка прибора производится на щит потребителя. Рекомендуемое посадочное место для установки прибора приведено на рисунке 4.

Рисунок 4 - Рекомендуемое посадочное место для установки прибора
Рисунок 4 - Рекомендуемое посадочное место для установки прибора

8.5.2 В месте установки прибора необходимо наличие розетки для подключения прибора к сети питания ~220 В, 50 Гц и заземляющего контура.

8.6 Для подключения датчиков используется жгут, входящий в комплект поставки. Для подключения внешних устройств изготовить гибкие кабельные перемычки, используя входящие в комплект поставки ответные части разъемов. Распайку произвести согласно схеме соединений (см. приложение B). Далее подключить жгут и перемычки к разъемам прибора и промежуточным клеммным соединителям. Кабели, подключаемые к разъемам прибора, должны закрепляться с помощью винтов, входящих в конструкцию ответных частей.

8.7 До включения прибора ознакомьтесь с разделами “Указание мер безопасности” и “Подготовка к работе и порядок работы”.

9. Указание мер безопасности

9.1 К монтажу (демонтажу), эксплуатации, техническому обслуживанию и ремонту прибора должны допускаться лица, изучившие руководство по эксплуатации, прошедшие инструктаж по технике безопасности при работе с электротехническими установками и радиоэлектронной аппаратурой и изучившие документы, указанные в разделе 10 “Обеспечение взрывозащищенности при монтаже прибора”.

9.2 В приборе имеются цепи, находящиеся под опасным для жизни напряжением ~220 В. Категорически запрещается эксплуатация прибора при снятых крышках и кожухах, а также при отсутствии заземления корпуса прибора.

9.3 Все виды монтажа и демонтажа прибора производить только при отключенном от сети переменного тока кабеле питания.

9.4 Не допускается эксплуатация прибора при незакрепленных кабелях связи с датчиками и внешними устройствами.

9.5 Запрещается использование в качестве нагрузки для ключей прибора ламп накаливания мощностью более 60 Вт и индуктивной нагрузки без устройств демпфирования напряжения.

10. Обеспечение взрывозащищенности при монтаже прибора

10.1 При монтаже прибора необходимо руководствоваться:

  • “Инструкцией по монтажу электрооборудования, силовых и осветительных сетей взрывоопасных зон ВСН332-74/ММСС СССР”;
  • “Правилами устройства электроустановок” (ПУЭ, шестое издание);
  • настоящим документом и другими руководящими материалами (если имеются).

10.2 Перед монтажом прибор должен быть осмотрен. При этом необходимо обратить внимание на следующее:

  • маркировку взрывозащиты и предупредительные надписи;
  • отсутствие повреждений оболочки прибора;
  • наличие всех крепежных элементов.

10.3 Прибор должен быть заземлен с помощью клеммы заземления.

3.4 По окончании монтажа должно быть проверено сопротивление заземляющего устройства, которое должно быть не более 4 Ом.

11. Подготовка к работе или порядок работы

11.1 Прибор обслуживается оператором, знакомым с работой радиоэлектронной аппаратуры, изучившим руководство по эксплуатации, руководство оператора, прошедшим инструктаж по технике безопасности при работе с электротехническим оборудованием, а также инструктаж по технике безопасности при работе с взрывозащищенным электрооборудованием.

11.2 Коммутация датчиков и внешних устройств, подключаемых к прибору, производится согласно схеме соединений, приведенной в приложении B.

11.3 Если прибор коммутируется с ЭВМ верхнего уровня и является наиболее удаленным в сети, построенной на основе интерфейса RS-485, на плате ячейки вычислительной ЯВ3 необходимо установить терминальный резистор, согласующий сопротивление соединительного кабеля (данный резистор имеет на плате ЯВ3 позиционное обозначение R23).

Номинальное сопротивление резистора зависит от сопротивления соединительного кабеля и обычно составляет от 100 до 200 Ом.

11.4 Включите прибор в сеть 220 В.

11.5 Проверьте работоспособность прибора и произведите его программирование согласно разделу “Режим программирования” руководства оператора. При использовании интерфейса связи с ЭВМ верхнего уровня запрограммируйте адрес прибора по протоколу Modbus.

11.6 При обнаружении неисправности прибора необходимо отключить его от сети. По методике раздела “Характерные неисправности и методы их устранения” устранить возникшую неисправность. После устранения неисправности и проверки прибор готов к работе.

11.7 Дальнейшую работу с прибором производить согласно руководству оператора.

12. Характерные неисправности и методы их устранения

12.1 Перечень характерных неисправностей прибора и методы их устранения приведены в таблице 1.

12.2 В остальных случаях для ремонта составных частей прибора следует руководствоваться диагностическими сообщениями, выводимыми прибором на его индикаторы, и разделoм 5 настоящего документа.

Таблица 1

13. Техническое обслуживание и поверка прибора

13.1 Техническое обслуживание проводится с целью обеспечения нормальной работы и сохранения эксплуатационных и технических характеристик прибора в течение всего срока его эксплуатации.

13.2 Во время выполнения работ по техническому обслуживанию необходимо выполнять указания, приведенные в разделах 9 и 10.

13.3 Ежегодный уход предприятием-потребителем включает:

  • очистку прибора от пыли;
  • проверку надежности присоединения, а также отсутствие обрывов или повреждений изоляции соединительных кабелей;
  • проверку прочности крепежа составных частей прибора;
  • проверку качества заземления корпуса прибора.

13.4 Поверка прибора производится совместно с датчиками, подключаемыми к прибору, по соответствующим методикам поверки на измерительные системы, в состав которых входит прибор.

Поверка токовых выходов прибора осуществляется по методике поверки УНКР.466514.011 МП, входящей в комплект поставки прибора.

14. Правила хранения и транспортирования

14.1 Прибор в упаковке пригоден для транспортирования любым видом транспорта с защитой от прямого попадания атмосферных осадков, кроме негерметизированных отсеков самолета.

14.2 Хранение прибора осуществляется в упаковке, в помещениях, соответствующих условиям хранения 5 ГОСТ 15150.

В документе приняты следующие сокращения:

АЦП - аналого-цифровой преобразователь;

БИС - большая интегральная схема;

ВЫКЛ - выключатель;

ДИД - датчик избыточного давления;

ДТМ - датчик температуры многоточечный;

ДУУ - датчик уровня ультразвуковой;

ЗАО - закрытое акционерное общество;

ИИП - источник изолированного питания;

ИМС - интегральная микросхема;

ИПД - источник питания датчиков;

ИРК - изолированные релейные ключи;

ИЦАП - изолированные цифро-аналоговые преобразователи;

К - клавиатура;

ККД - контроллер клавиатуры и дисплея;

ОЗУ - оперативное запоминающее устройство;

ОМЭВМ - однокристальная микро-ЭВМ;

ПЗУ - постоянное запоминающее устройство;

ПО - программное обеспечение;

ПУЭ - правила устройства электроустановок;

РА - регистр адреса;

РК - разрядные ключи;

СИ - семисегментный индикатор;

СК - сегментные ключи;

ССК - светодиоды состояния ключей;

УАПП - универсальный асинхронный приемопередатчик;

УИИ - узел изолированного интерфейса;

УСД - узлы сопряжения с датчиками;

ФСУ - формирователь сигналов управления;

ЭВМ - электронная вычислительная машина;

ЭОЗУ - энергонезависимое оперативное запоминающее устройство;

ЯВ - ячейка вычислительная;

ЯИ - ячейка индикации;

ЯИД - ячейка для измерения давления;

ЯСД - ячейка сопряжения с датчиками;

/ - признак низкого активного уровня сигнала.

ССЫЛОЧНЫЕ НОРМАТИВНЫЕ ДОКУМЕНТЫ

-7

_______________________________________________________________

Изготовитель: ЗАО Альбатрос, Москва

_______________________________________________________________

Материал технического паспорта взят из Базы данных промышленного оборудования "АИСТ".

В базе данных АИСТ содержится свыше 85 тысяч технических паспортов. При нынешнем темпе размещения в Яндекс.Дзен этого хватит на 170 лет..