Добавить в корзинуПозвонить
Найти в Дзене
Сергей Гайдук

ЭЛЕКТРОНИКА + ЕСКД

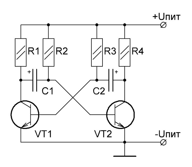
Здравствуйте мои читатели! И особенно начинающие электронщики!!! Продолжаем изучение транзисторов и каскадов на транзисторах. И в этом материале так же пойдет речь о каскаде, полученным соединением двух каскадов с ОЭ в замкнутое кольцо. И как Вы догадались – это обыкновенный мультивибратор! И опять же схема и вся теория расчета мультивибратора пришла из ламповой техники. В интернете о работе мультивибратора показано и рассказано очень много, поэтому остановлюсь на самом простом и самом главном – как мультивибратор начинает работать и как он работает. При подаче питающего напряжения на мультивибратор вступает в силу неравенство параметров радиоэлементов схемы, а так как схема включена «в кольцо» любые шумы и флуктуации токов транзисторов усиливаются и процесс усиления по кольцу происходит лавинообразно. И первым откроется транзистор, у которого больше коэффициент усиления. Предположим, что это VT1, следовательно, транзистор VT2 закроется и конденсатор С2 начнет заряжаться по цепи +Uпит

Здравствуйте мои читатели! И особенно начинающие электронщики!!!

Продолжаем изучение транзисторов и каскадов на транзисторах.

И в этом материале так же пойдет речь о каскаде, полученным соединением двух каскадов с ОЭ в замкнутое кольцо. И как Вы догадались – это обыкновенный мультивибратор!

Рис 1. Классический мультивибратор на двух биполярных транзисторах.
Рис 1. Классический мультивибратор на двух биполярных транзисторах.

И опять же схема и вся теория расчета мультивибратора пришла из ламповой техники. В интернете о работе мультивибратора показано и рассказано очень много, поэтому остановлюсь на самом простом и самом главном – как мультивибратор начинает работать и как он работает. При подаче питающего напряжения на мультивибратор вступает в силу неравенство параметров радиоэлементов схемы, а так как схема включена «в кольцо» любые шумы и флуктуации токов транзисторов усиливаются и процесс усиления по кольцу происходит лавинообразно. И первым откроется транзистор, у которого больше коэффициент усиления. Предположим, что это VT1, следовательно, транзистор VT2 закроется и конденсатор С2 начнет заряжаться по цепи +Uпит – R4 – C2 – база VT1 - - Uпит. Транзистор полностью открывается, при этом транзистор VT2 закрыт отрицательным напряжением конденсатора С1. И как только конденсатор разрядится и напряжение на базе VT2 достигнет напряжения отпирания, транзистор VT2 начинает открываться и далее происходит лавинообразный процесс – транзистор VT2 открывается, а транзистор VT1 закрывается отрицательным напряжением заряженного конденсатора С2. Процесс повторяется как и при открывании транзистора VT1. Временные диаграммы приведены на Рис 2.

Рис 2. Временные диаграммы работы транзисторов в мультивибраторе.
Рис 2. Временные диаграммы работы транзисторов в мультивибраторе.

Откуда берется отрицательное напряжение? Очень просто! Когда транзистор закрыт – конденсатор заряжается, как написано выше почти до напряжения питания, плюс напряжения со стороны коллектора, но после открывания транзистора плюс подключается к линии минус Uпит, а минус с конденсатора оказывается на базе противоположного транзистора.

Процесс повторяется, пока на мультивибраторе есть напряжение питания! Как рассчитать длительность импульсов и частоту повторения мультивибратора приводить не буду, в интернете приведено очень много формул расчета и приведено множество электронных калькуляторов.

Мультивибраторы находят широкое применение в электронных устройствах, а схемных мультивибраторов очень много, начиная от самых простейших до сложных, всё зависит от функций, выполняемых мультивибраторами.

Рис 3. Простой мультивибратор с регулируемой длительностью импульсов с индикацией светодиодами.
Рис 3. Простой мультивибратор с регулируемой длительностью импульсов с индикацией светодиодами.

Приведенная схема позволяет понять основы настройки мультивибратора, светодиоды попеременно излучают световые импульсы, длительность которых можно изменять резистором R5.

Работа данного мультивибратор будет рассмотрена в одном из практических занятий.

Кроме симметричных мультивибраторов есть несимметричные мультивибраторы.

Рис 4. Простой несимметричный мультивибратор.
Рис 4. Простой несимметричный мультивибратор.

Основное применение несимметричных мультивибраторов – вырабатывание коротких импульсов для запуска других устройств.

Мы выяснили, что основой мультивибратора является каскад с общим эмиттером – ОЭ, а количество каскадов, проводимость транзисторов и количество конденсаторов определяют, какой получится мультивибратор…

Рис 5. Основа мультивибратора – каскад с общим эмиттером.
Рис 5. Основа мультивибратора – каскад с общим эмиттером.

Назначение резисторов понятно, а конденсатор Ct – время задающий, от его ёмкости зависит время в течении которого транзистор будет закрыт. Если соединить два таких каскада в «кольцо» получается обычный мультивибратор.

Рис 6. Мультивибратор из трёх одинаковых каскадов.
Рис 6. Мультивибратор из трёх одинаковых каскадов.

Соединив три и более каскадов в «кольцо» получаем многофазный мультивибратор, каскадов может быть много, но чем больше каскадов, тем труднее обеспечить настройку устройства для получения импульсов последовательно на ВЫХОДАХ каскадов.

Но можно построить симметричный мультивибратор на транзисторах разной проводимости.

Рис 7. Мультивибратор на транзисторах разной проводимости.
Рис 7. Мультивибратор на транзисторах разной проводимости.

Очень интересная схема, работает очень хорошо с транзисторами «P – N – P» практически любого типа и мощности. Именно на таком мультивибраторе с дополнительными элементами много лет назад был сделан прибор, позволяющий «на слух» проверять транзисторы любой проводимости не выпаивая из схемы, а так же диоды и конденсаторы.

Рис 8. Схема малогабаритного прибора для проверки радиоэлементов.
Рис 8. Схема малогабаритного прибора для проверки радиоэлементов.

Прибор испытан временем, показал отличные эксплуатационные характеристики и за 38 лет работает безотказно.

Вот коротко о мультивибраторах, выполненных на каскадах с ОЭ и можно бы остановиться, но не так давно в интернете попалась на глаза схема, выполненная «не по правилам» - на каскадах с общей базой!!! Точнее я её охарактеризовать не могу!!!

Рис 9. Очень интересная схема мультивибратора, а параметры ещё интересней!!!
Рис 9. Очень интересная схема мультивибратора, а параметры ещё интересней!!!

Кто автор этой публикации и где она была опубликована ( в какой книге) установить пока не получилось, но надеюсь, что найду. Очень интересная схема и она будет подробно исследована, о чём я подробно расскажу своим читателям.

В следующем материале будет информация о ждущих мультивибраторах.

Если материал понравился, и Вы нашли в нём полезное для себя не посчитайте за труд и оставьте свой отзыв! Очень буду рад прочитать Ваши комментарии.

Чаще заходите на мой канал, подписывайтесь! Информация учебного и познавательного характера будет регулярно пополняться!

Желаю Всем читателям здоровья и успехов в творчестве!!!