Добавить в корзинуПозвонить
Найти в Дзене

Прибор для электромагнитной терапии и размагничиватель металлических предметов. Простая схема

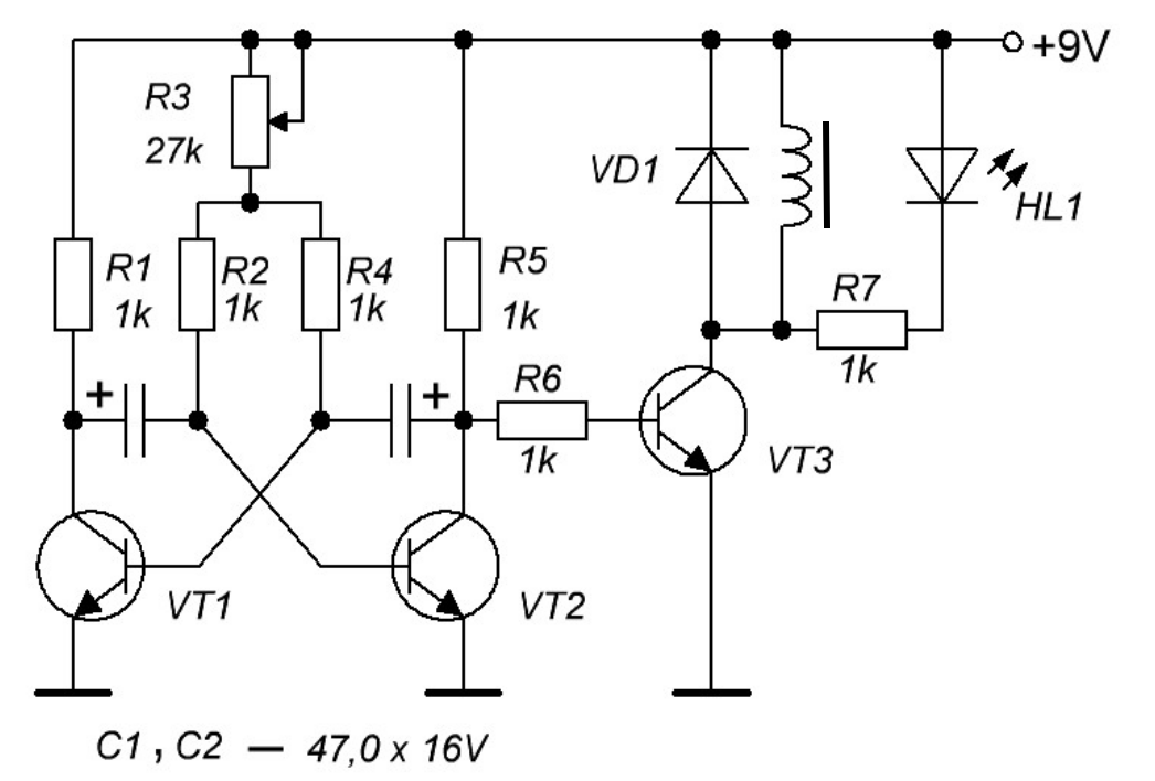
Этот прибор представляет собой устройство, способное вырабатывать электромагнитные импульсы различной частоты и интенсивности, в зависимости от конкретного назначения В основе устройства лежит простой мультивибратор, собранный по стандартной, всем известной схеме на двух транзисторах VT1, VT2. Частота вырабатываемых импульсов зависит от сопротивления резисторов и ёмкости конденсаторов. При указанных на схеме номиналах этих элементов, частота импульсов составляет от нескольких единиц до десятков Герц и может регулироваться при помощи переменного резистора R3. Генерируемая частота визуально отображается с помощью вспышек светодиода HL1: Транзистор VT3 служит для усиления мощности импульсов и подачи их на электромагнитный излучатель – катушку с сердечником (электромагнит). В качестве катушки можно использовать, например, готовую, от электрического звонка или реле. Если делать катушку самостоятельно, нужно намотать на каркас как можно большее количество витков обмоточного провода типа ПЭВ
Этот прибор представляет собой устройство, способное вырабатывать электромагнитные импульсы различной частоты и интенсивности, в зависимости от конкретного назначения

В основе устройства лежит простой мультивибратор, собранный по стандартной, всем известной схеме на двух транзисторах VT1, VT2. Частота вырабатываемых импульсов зависит от сопротивления резисторов и ёмкости конденсаторов. При указанных на схеме номиналах этих элементов, частота импульсов составляет от нескольких единиц до десятков Герц и может регулироваться при помощи переменного резистора R3. Генерируемая частота визуально отображается с помощью вспышек светодиода HL1:

Схема-рисунок Автора
Схема-рисунок Автора

Транзистор VT3 служит для усиления мощности импульсов и подачи их на электромагнитный излучатель – катушку с сердечником (электромагнит). В качестве катушки можно использовать, например, готовую, от электрического звонка или реле. Если делать катушку самостоятельно, нужно намотать на каркас как можно большее количество витков обмоточного провода типа ПЭВ (ПЭЛ) диаметром порядка 0,15...0,25 мм (около 1500 витков или больше). Сердечник может быть из трансформаторного железа. Транзисторы VT1, VT2 - любые маломощные соответствующей структуры, например КТ315 или аналогичные импортные, VT3 может быть типа КТ805, КТ815, КТ817, его желательно установить на небольшой теплоотвод. Диод VD1 – любой выпрямительный низковольтный, светодиод типа АЛ307 или любой другой маломощный. Переменный резистор R3 может быть сопротивлением от 10 до 100 кОм, от этого будет зависеть диапазон регулировки генерируемых импульсов. Питание может быть от 5V и выше (в соответствии с этим нужно выбирать используемые в схеме транзисторы и конденсаторы)

Катушка должна быть примерно такой...
Катушка должна быть примерно такой...

О применении такого прибора в медицинских целях вы можете найти информацию в соответствующих источниках (сайты о медицине). Автор не является доктором Айболитом и слабо разбирается в этом вопросе. Могу сказать лишь как дилетант то, что, например, с помощью подобных приборов возможно лечение ушибов, заживление ран, переломов и ещё некоторых “болячек”…

Зато могу сказать определённо, что при помощи такого устройства вполне возможно производить размагничивание небольших металлических предметов – отвёрток, пинцетов, ножниц, магнитных головок магнитофонов и т.д. Величина размагничиваемых предметов зависит от мощности излучения, которое, в свою очередь, зависит от величины напряжения питания и размеров (количества витков) катушки. При размагничивании следует устанавливать максимально возможную частоту генерации для большей эффективности процесса.

Для размагничивания следует максимально приблизить торцом катушку к предмету, включить прибор и медленно, плавно удалить его на расстояние более 30-40 см. При необходимости процесс можно повторить.

Силу электромагнитного излучения можно проверить, если поднести к сердечнику катушки работающего прибора небольшой металлический предмет. Он будет примагничиваться к сердечнику с частотой генерируемых импульсов.

Спасибо за уделённое внимание, буду благодарен за лайки!

С уважением, Андрей Барышев

Также, Вам может быть интересно: