Найти в Дзене
Лампа Электрика

Качественный четырехканальный УНЧ с расширенной регулировкой на двух микросхемах

Еще 15-20 лет назад построение качественного усилителя низкой частоты было достаточно сложной задачей, требующей немалого опыта и специальных измерительных приборов. С появлением специализированных микросхем все существенно упростилось. Теперь построить УНЧ с хорошими характеристиками и широким функционалом под силу даже начинающему радиотехнику. В этой статье описывается простой четырехканальный
Оглавление

Еще 15-20 лет назад построение качественного усилителя низкой частоты было достаточно сложной задачей, требующей немалого опыта и специальных измерительных приборов. С появлением специализированных микросхем все существенно упростилось. Теперь построить УНЧ с хорошими характеристиками и широким функционалом под силу даже начинающему радиотехнику. В этой статье описывается простой четырехканальный УНЧ с расширенной регулировкой, который пригодится любителям качественного звука как дома, так и в автомобиле.

Блок регулировок и предварительного усиления

Узел собран на специализированной микросхеме MPC1892, представляющей собой предварительный усилитель с узлом регулировки громкости,  тембра НЧ, ВЧ и баланса. Дополнительно микросхема позволяет преобразовать стандартный стереофонический сигнал в псевдоквадрофонический. Два дополнительных канала подключаются к фронтальным и тыловым громкоговорителям. Для регулировки баланса «тыл»/«фронт» и глубины псевдоквадроэффекта служат отдельные потенциометры.

Схема предварительно усиления и регулировок
Схема предварительно усиления и регулировок

Входной стереосигнал подается на выводы 25, 25 микросхемы через разделительные конденсаторы. Выходной стереосигнал снимается с выводов 14 и 12 правый и левый соответственно. При активации псевдоквадрорежима дополнительно задействуются выводы 13 и 9 для подключения фронтального и тылового УНЧ. Назначение регуляторов и переключателей узла следующее:

  • R3 – тембр ВЧ;
  • R5 - тембр НЧ;
  • R7 – общая громкость;
  • R8 – баланс фронтально-тыловой;
  • R11 – баланс;
  • R13 – глубина псевдоквадроэффекта;
  • S1 – тонкоррекция;
  • S2 – режим стерео/квадро.
Не следует путать режим «псевдоквадро» с «квадро». В первом случае фронтальный и тыловой сигнал синтезируется из сигналов правого и левого каналов за счет фазосдвигающих цепей (в простейшем случае вычитанием правого сигнала из левого). Для достижения настоящего квадрозвука необходима четырехканальная фонограмма и соответствующий четырехканальный предварительный усилитель.

Все органы управления питаются от собственного стабилизатора, собранного на стабилитроне D1 и резисторе R1. Сама микросхема питается от нестабилизированного источника питания напряжением 8-18 В через фильтр, образованный L1 и С16.

Выходной усилитель мощности

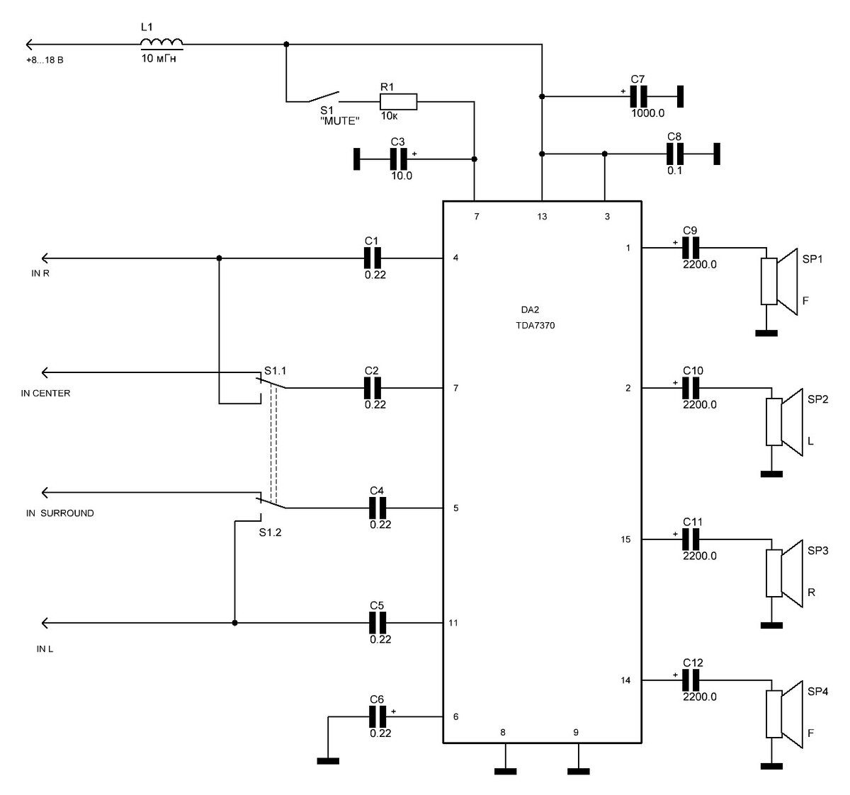
Четырехканальный усилитель мощности собран на микросхеме TDA7370, имеющей в своем составе четыре оконечных усилителя мощностью 20 Вт каждый.

Блок оконечных усилителей
Блок оконечных усилителей

Питается микросхема от нестабилизированного источника питания 8…18 В через фильтр L1, С7, С8. Переключатель S1 служит для переключения режимов «стерео»/«квадро». В первом случае фронтальный и тыловой громкоговорители дублируют сигнал левого и правого канала соответственно. Переключатель S1 переводит усилитель в режим ожидания, отключая воспроизведение.

Конструкция устройства произвольная, но микросхему усиления мощности необходимо поместить на радиатор, в качестве которого можно использовать металлическое шасси устройства.

Вот и все об этом простом в сборке и налаживании устройства. Будем надеяться, что эта статья поможет начинающим радиотехникам насладиться качественным звуком как дома, так и в автомобиле.