Добавить в корзинуПозвонить
Найти в Дзене
Сергей Гайдук

ЭЛЕКТРОНИКА + ЕСКД

Здравствуйте мои читатели! И особенно начинающие электронщики!!!
Продолжаем изучение диодов, а точнее электрических схем, где они применяются.
И начнем с самого простого – с выпрямителей! Выпрямители применяются практически во всех блоках питания.
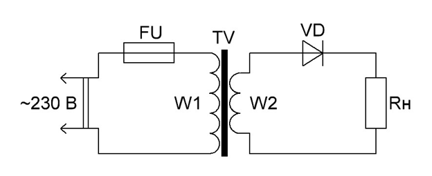
Рис 1. Самый простой выпрямитель – однополупериодный.

Здравствуйте мои читатели! И особенно начинающие электронщики!!!

Продолжаем изучение диодов, а точнее электрических схем, где они применяются.

И начнем с самого простого – с выпрямителей! Выпрямители применяются практически во всех блоках питания.

Рис 1. Самый простой выпрямитель – однополупериодный.
Рис 1. Самый простой выпрямитель – однополупериодный.
Рис 2. Работа диода при положительным и отрицательным полупериодах напряжения с вторичной обмотки трансформатора.
Рис 2. Работа диода при положительным и отрицательным полупериодах напряжения с вторичной обмотки трансформатора.

Как видно из Рис 2. а) – диод заменён красной линией – он открыт и практически всё напряжение ( за исключением падения на диоде ) при положительном полупериоде приложено к нагрузке, б) – при отрицательном полупериоде диод запирается и представляет собой конденсатор маленькой ёмкости, а так же через диод протекает обратный ток, величина обратного тока обычно зависит от типа и мощности диода и несоизмеримо мала по сравнению с прямым током. Но работать с таким пульсирующим напряжением очень непросто – для получения сглаженного напряжения требуются конденсаторы большой ёмкости, дроссели большой индуктивности. Чтобы облегчить задачу сглаживания пульсаций применяются двухполупериодные выпрямители.

Рис 3. Стандартная схема двухполупериодного выпрямителя.
Рис 3. Стандартная схема двухполупериодного выпрямителя.
Рис 4. Так работает двухполупериодный выпрямитель на четырёх диодах по мостовой схеме.
Рис 4. Так работает двухполупериодный выпрямитель на четырёх диодах по мостовой схеме.

Красными стрелками показано направление тока через открытые диоды ( показаны красными линиями ), теперь оба полупериода отдают ток в нагрузку. Проблема сглаживания значительно упрощается.

Для получения стабилизированного напряжения применяются различные схемы, самым простым считается параметрический стабилизатор, выполненный на стабилитроне и балластном резисторе. Раньше для этих целей применяли ламповые стабилитроны ( напряжения таких стабилизаторов было «ламповое», соответствующее анодному напряжению).

Рис 5. Схемы параметрических стабилизаторов на простом стабилитроне и на двуханодном.
Рис 5. Схемы параметрических стабилизаторов на простом стабилитроне и на двуханодном.

Стабилизированное напряжение определяется маркой ( типом ) стабилитрона и может быть выбрано в очень широких пределах, достаточно задаться этим параметром и выбрать требуемый стабилитрон. Второй параметр – рабочий ток нагрузки который обеспечивает стабилизатор и он зависит от мощности стабилитрона и величины балластного резистора Rб. Расчет Rб простой и мы на нем остановимся, когда будем рассматривать конкретные схемы, где применяются параметрические стабилизаторы.

Рис 6. Самый простой вариант подключения варикапа к контуру.
Рис 6. Самый простой вариант подключения варикапа к контуру.

При подключении варикапа к контуру надо соблюдать два основных правила: а) – резистор R1 должен иметь сопротивление достаточной величины, исключающей шунтирование контура, снижающее его добротность; б) – конденсатор Ср предотвращает «замыкание» регулирующее напряжение варикапа на «землю» индуктивностью контура, но дополнительно С6 также участвует в суммарной ёмкости контура и требует подбора по ёмкости. Хочу добавить, что переменное напряжение в контуре, а именно его величина на варикапе должно быть минимально! Для входных контуров это соблюдается просто ( принимаемый сигнал имеет маленькую величину), а вот в генераторных контурах это надо учитывать, так как контурное напряжение, а оно переменное и будет влиять на величину емкости варикапа, ухудшая форму сигнала контура.

Рис 7. Выпрямитель на диодах Шоттки.
Рис 7. Выпрямитель на диодах Шоттки.

Работа диодов Шоттки в выпрямителях не отличается от обычных диодов. Основное отличие диодов Шоттки : они лучше работают при выпрямлении переменного напряжения практически прямоугольной формы в высокочастотных преобразователях ( блоки питания компьютеров, сварочные инверторы, зарядные устройства…) и имеют меньшее падение напряжения на открытом диоде при максимальных токах, что существенно повышает КПД преобразователей. Но у диодов Шоттки есть один существенный «минус» - это меньшее обратное напряжение по сравнению с простыми диодами. Есть диоды Шоттки с большим обратным напряжением, но они существенно дороже.

Рис 8. Тунельный  и обращенный диоды.
Рис 8. Тунельный и обращенный диоды.

Применение тунельных диодов и, особенно, обращенных очень специфическое и для начала достаточно знать, что такие диоды существуют. За долгие годы работы с электроникой мне приходилось эксплуатировать аппаратуру где они применялись и выход из строя этих элементов за редким исключением не наблюдал.

Рис 9. Определение напряжение «пробоя» динистора.
Рис 9. Определение напряжение «пробоя» динистора.

Динистор – диод, открывающийся при определенном напряжении. Процесс открывания динистора обычно называют «пробоем», ток через диод резко возрастает, и он открывается до минимального напряжения, но если ток из-за зарядной цепи уменьшает напряжение меньше минимального, диод закрывается и процесс повторяется. На динисторе и конденсаторе получается «пилообразное» напряжение, но форма пилы нелинейна и на самом деле является экспонентой. Когда форма пилы особого значения не имеет, а важна частота повторения является основным параметром – схема «подкупает» своей простотой. В основном применяется в регуляторах мощности для активной нагрузки ( нагреватели, коллекторные электродвигатели, паяльники и тому подобные нагрузки ). Для регулирования напряжения в цепи первичных обмотках трансформаторов применятся очень редко, но применяются!

Рис 10. Тиристорный и симисторный регуляторы напряжения.
Рис 10. Тиристорный и симисторный регуляторы напряжения.

В отличии от симисторного регулятора, в тиристорном устанавливается диодный мост из-за того, что тиристор работает только при положительном напряжении на аноде и многие тиристоры даже не допускают подачи отрицательного напряжения на анод. Мощность таких регуляторов может быть различной и зависит от параметров симисторов или тиристоров с диодным мостом. Схемы с такими регуляторами имеют существенный недостаток – они создают импульсные помехи в сети в момент открывание симистора или тиристора. И для подавления таких помех применяют дроссели и конденсаторы.

Рис 11. Светодиод и фотодиод.
Рис 11. Светодиод и фотодиод.

Светодиод и фотодиод очень интересная область электроники. Светодиоды при подаче на них напряжения прямой полярности ( плюс на аноде) излучают свет. Длина волны ( цвет ) и мощность излучения зависят от типа диода. Рабочее напряжение светодиода также зависит от типа диода.

Фотодиоды отличаются от обширной области полупроводников наличием прозрачного окна в корпусе диода для проникновения на «P – N» переход. При обратной подаче напряжения ( минус на аноде) фотодиод заперт, но при попадании на диод света определённой длины волны обратный ток резко возрастает и сопротивление фотодиода резко уменьшается.

И как у всех «P – N» переходов – фотодиод при попадании на него света сам становится источником напряжения, величина напряжения незначительна и обычно составляет десятки миллиВольт, но если соединить много ( очень много ) «P – N» переходов, получается солнечная батарея.

Рис 12. Применение оптронов.
Рис 12. Применение оптронов.

Если расположить светодиод против окна на фотодиода и заключить эту конструкцию в светонепроницаемый корпус из изоляционного материала получается оптрон. Оптрон – устройство, позволяющее развязать или разделить источник сигнала от приёмника сигнала. В большинстве случаев – это необходимо для борьбы с помехами, требованиями техники безопасности, а также управление блоками, находящимися под высоким напряжением. Скорость работы ( рабочая частота ) оптрона зависят от типа светодиода и применяемого фотоприёмника. Фотоприёмником в оптроне может быть не только фотодиод, но и другие фотоприёмники: фоторезисторы, фототранзисторы, фотодинисторы, фототиристоры и фотосимисторы.

И ещё об одном очень важном оптроне хочу рассказать особо!

Очень интересный оптрон и по размерам имеет очень большую длину от нескольких метров до десятков и даже сотен километров!!!

Надеюсь Вы догадались – это оптико-волоконные линии связи!!! Скорость работы таких линий очень высокая – сотни мегабит и даже выше. С одной стороны установлен передатчик – лазер, выполненный по особой технологии светодиод, подающий световые импульсы определенной длины волны непосредственно в оптическое волокно заданной длины ( определяется расположением приёмника). На приёмной стороне установлен фотоприемник ( так же особой технологии! ), подключенный непосредственно к оптическому волокну. Вот и получился канал связи в одну сторону. Но для нормальной работы требуется канал обратной связи и поэтому делается аналогичный канал, только передатчик и приёмник меняются местами. Иногда канал связи выполняют по одному волокну, но из-за потерь в разветвителях перерешли на два волокна в линии связи. Само оптическое волокно очень тонкое – диаметр примерно 50 микрон, но для его защиты само волокно помещено в специальную оболочку. И в итоге каждый канал представляет собой особопрочную пластиковую нить диаметром около миллиметра или чуть больше. В магистральный кабель таких волокон можно расположить очень много – зависит от ёмкости ( пропускной способности ) кабеля. Из-за ограниченной прочности оптического волокна жилы не допускают сильного изгиба, отдельное волокно можно изогнуть плавно с радиусом изгиба не менее 300 мм. Но это уже другая история и монтажники оптических линий связи свою работу знают!!!

Если материал понравился, и Вы нашли в нём полезное для себя не посчитайте за труд и оставьте свой отзыв! Очень буду рад прочитать Ваши комментарии.

Чаще заходите на мой канал, подписывайтесь! Информация учебного и познавательного характера будет регулярно пополняться!

Желаю Всем читателям здоровья и успехов в творчестве!!!