Добавить в корзинуПозвонить
Найти в Дзене

Электронная геометрия

Как и было обещано в начале, продолжаем разговор про обратноходовой преобразователь и электронную геометрию. На картинке обложки этой статьи вверху представлена упрощенная до безобразия схема обратноходового преобразователя. Внизу, под схемой нарисованы временные диаграммы его работы в установившемся режиме. Это так называемый режим CCM - когда магнитный поток в сердечнике магнитного элемента не падает до нуля. Есть еще два режима - DCM и критический (квазирезонансный), но эти режимы выходят за рамки этой заметки. Что же мы видим на схеме? А видим мы, что на вход преобразователя подается постоянное напряжение зеленого цвета (Uвх) с полярностью, указанной на картинке. Это напряжение фильтруется входным конденсатором Свх и подается на включенные последовательно первичную обмотку трансформатора TV и ключ Sк. Ключ управляется контроллером ШИМ сигнала, который на схеме изображен в виде квадрата. Параллельно первичной обмотке TV1 приделан загадочный квадрат с не менее загадочной надписью ДЦ
Временные диаграммы
Временные диаграммы

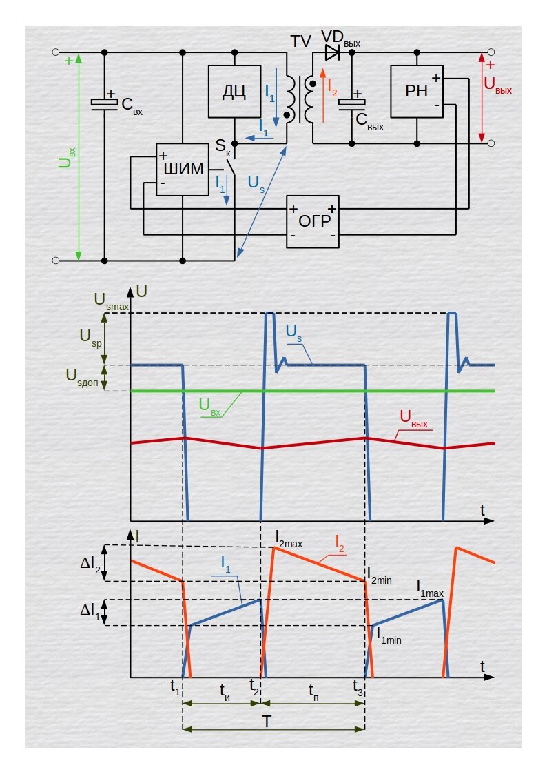
Как и было обещано в начале, продолжаем разговор про обратноходовой преобразователь и электронную геометрию. На картинке обложки этой статьи вверху представлена упрощенная до безобразия схема обратноходового преобразователя. Внизу, под схемой нарисованы временные диаграммы его работы в установившемся режиме. Это так называемый режим CCM - когда магнитный поток в сердечнике магнитного элемента не падает до нуля. Есть еще два режима - DCM и критический (квазирезонансный), но эти режимы выходят за рамки этой заметки.

Что же мы видим на схеме? А видим мы, что на вход преобразователя подается постоянное напряжение зеленого цвета (Uвх) с полярностью, указанной на картинке. Это напряжение фильтруется входным конденсатором Свх и подается на включенные последовательно первичную обмотку трансформатора TV и ключ Sк. Ключ управляется контроллером ШИМ сигнала, который на схеме изображен в виде квадрата. Параллельно первичной обмотке TV1 приделан загадочный квадрат с не менее загадочной надписью ДЦ внутри него. Это демпфирующая цепь первичной обмотки - обязательный атрибут любого обратноходового преобразователя. Без этой цепи - никак. Выполнена ДЦ может быть по-разному, поэтому пока пусть будет просто квадрат. Вторичная обмотка трансформатора TV через выходной выпрямительный диод VDвых подключена к выходному конденсатору Cвых, который сглаживает пульсации выходного напряжения красного цвета Uвых. Здесь же расположен регулятор напряжения, изображенный в виде квадрата с надписью РН внутри. Его задача - отслеживать выходное напряжение Uвых и управлять ШИМ контроллером через оптическую гальваническую развязку (квадрат с надписью ОГР внутри). Полярность управляющего сигнала указана в каждом из блоков преобразователя.

Работу преобразователя начнем рассматривать с момента времени t1 на временной диаграмме, когда ключ Sк замыкается. Синий ток I1 начинает протекать по пути, указанному синими же стрелками на схеме. Крутой наклон в начале обусловлен индуктивностью рассеяния первичной обмотки трансформатора, а более пологий - индуктивностью намагничивания этой же обмотки. Диод VDвых на этом этапе закрыт за счет обратной полярности, приложенной к нему (обращаем внимание на точки, поставленные на обмотках трансформатора). В момент времени t2 на временной диаграмме ключ Sк размыкается и наша схема разваливается на две части - первичную и вторичную. В первичной части мы наблюдаем резкий спад тока, а во вторичной резкое же его нарастание. Это связано с тем, что накопленный за время tи магнитный поток в сердечнике трансформатора скачком измениться не может, а продолжает течь в том же направлении. Он изменяет полярность напряжения на вторичной обмотке трансформатора на противоположную за счет ЭДС самоиндукции, диод VDвых открывается и начинается этап передачи энергии, накопленной в сердечнике трансформатора, в нагрузку. При этом возникает оранжевый ток I2, направление которого показано оранжевой стрелкой на схеме. Этот ток заряжает конденсатор Cвых и попадает в нагрузку, которая приделана к выходным клеммам и на схеме не показана. В момент времени t3 ключ Sк снова открывается и весь процесс повторяется. Из изложенных выше фактов следует вывод, что данная схема накапливает энергию на прямом ходу (tи) и транслирует ее в нагрузку на обратном ходу (tп). Отсюда и название преобразователя - обратноходовой. Изменяя длительность tи этапа накопления можно регулировать ток и напряжение на нагрузке Этим и занимаются устройства РН и ШИМ в процессе работы через ОГР.

Синее напряжение Us на закрытом ключе превышает входное напряжение на величину Usдоп. Это явление обусловлено магнитной связью обмоток трансформатора. Когда ключ Sк закрыт на вторичной обмотке действует напряжение равное сумме выходного напряжения и падения напряжения на открытом диоде. Из-за этого на первичной стороне наводится дополнительное напряжение и складывается с напряжением питания. Кроме этого из-за действия индуктивностей рассеяния первичной и вторичной обмоток процесс переключения токов - не мгновенный и за счет этого получается дополнительный всплеск напряжения на закрывающемся ключе Sк величиной Usp. Ограничение величины этого всплеска до разумной величины Usmax возложено на демпфирующую цепь.

Обычно роль ключа Sк выполняет полевой транзистор. Трансформатор TV, по сути, представляет собой много обмоточный дроссель, сердечник которого выполняется либо из материала с распределенным магнитным зазором, либо на ферритовом сердечнике с сосредоточенным зазором.

В нашем варианте ШИМ контроллер и ключ находятся в одном корпусе. А трансформатор, судя по минимальной цене, выполнен на феррите с сосредоточенным зазором.

С геометрией на сегодня все. В следующий раз займемся электронной арифметикой с учетом того, что трансформатор у нас - данность, а не изготавливаемый руками компонент. Да и выбор параметров ключа у нас ограничен тем, что есть в микросхеме.

Прошу прощения за много букв. Но иначе у меня не вышло. Картинка, кстати, нарисована полностью средствами, предоставляемыми ОС Ubuntu 20.04 LTS "из коробки". Много времени это не заняло.