Добавить в корзинуПозвонить
Найти в Дзене
СхемоДелки

Arduino в металле

Рубашка для Arduino.
Для чего. В данной статье в очередной раз акцентирую внимание на тему Arduino совместимых устройств. Данные платы предназначены по для макетирования, в адльнейшем же Arduino Uno легко упаковывается в нужный конструктив, в данном случае корпус из металла необычной формы.
Шаг 1. Пишем и отлаживаем программу до полностью рабочего состояния, отладка ведется на стандартной плате,

Рубашка для Arduino.

Для чего. В данной статье в очередной раз акцентирую внимание на тему Arduino совместимых устройств. Данные платы предназначены по для макетирования, в адльнейшем же Arduino Uno легко упаковывается в нужный конструктив, в данном случае корпус из металла необычной формы.

Шаг 1. Пишем и отлаживаем программу до полностью рабочего состояния, отладка ведется на стандартной плате, проверяем функционал и качество работы скетча.

Скетч на Arduino в процессе отладки
Скетч на Arduino в процессе отладки

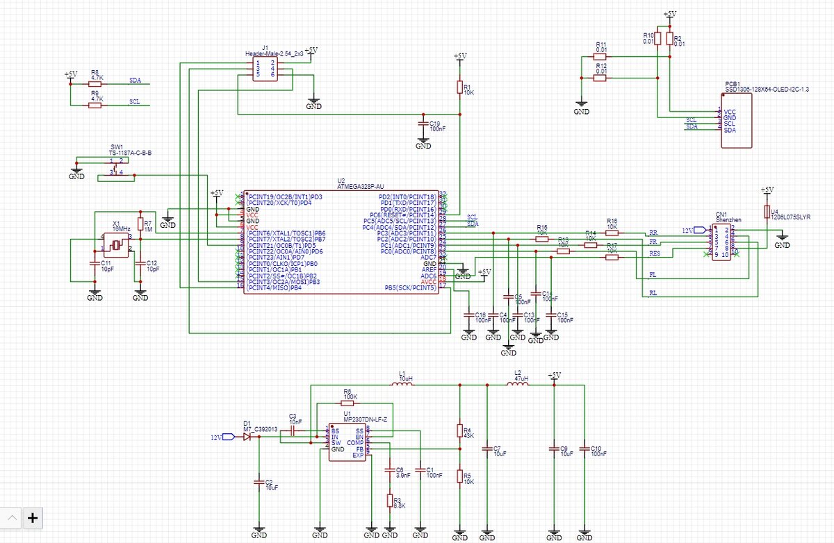
Шаг 2. Рисуем схему с учетом всех внешних компонентов, таких как модуль, питания, кнопка, экран.

Схема Arduino Uno с дополнением необходимыми компонентами
Схема Arduino Uno с дополнением необходимыми компонентами

Шаг 3. Творчески рисуется печатная плата, используем один из бесплатных редакторов. В данном случае плата круглая, это показывает, что практически никаких ограничений в форме печатной платы не существует

ПРоект печатной платы в редакторе
ПРоект печатной платы в редакторе

Шаг 4. Проект платы отправляется на завод, в интернете много продолжений по производству печатных плат как в России, так и за рубежом поэтому с этим никаких проблем быть не должно

Плата пришедшая с завода
Плата пришедшая с завода

Шаг 5. На готовую плату через самодельный или заводской трафарет наносится паяльная паста для последующего нанесения SMD деталей. Затем стандартно раскладываются детали согласно схемы. Оптимальным типоразмером пассивных компонентов для ручного монтажа являются компоненты 0805, их можно легко брать пинцетом

Трафарет для нанесения паяльной пасты
Трафарет для нанесения паяльной пасты

Плата с нанесенной через трафарет паяльной пастой
Плата с нанесенной через трафарет паяльной пастой

Шаг 6. После раскладки SMD компонентов можно произвести пайку феном или же на утюге.

Фото платы с напаяными элементами

Шаг 7. На завершающих этапах производится сборка конструкции

СОбранная плата
СОбранная плата

Шаг 8. В данном проекте выбран был корпус из алюминиевого сплава, выточенный на токарном станке, с заказом таких изделий также нет проблем. Данный выбор обусловлен схожестью данного типа корпуса с автомобильными приборами в стиле ретро.

Полностью собранная плата со всеми компонентами
Полностью собранная плата со всеми компонентами
Устройство в сборе с защитным стеклом
Устройство в сборе с защитным стеклом
Проверка работы
Проверка работы

Шаг 9. После сборки и установки стекла можно проверить работу устройства. В данном случае осталось только затонировать стекло чтобы не было видно компонентов устройства и можно ставить.

Надеюсь статья поможет любителям схемотехники смелее действовать в части создания устройств на базе платформы Arduino в конструктивно законченном виде.

Спасибо что дочитали статью.