Добавить в корзинуПозвонить
Найти в Дзене
Праздникотерапия

Слезы хранят воспоминания?

Несколько дней она плакала... по самым разным поводам.
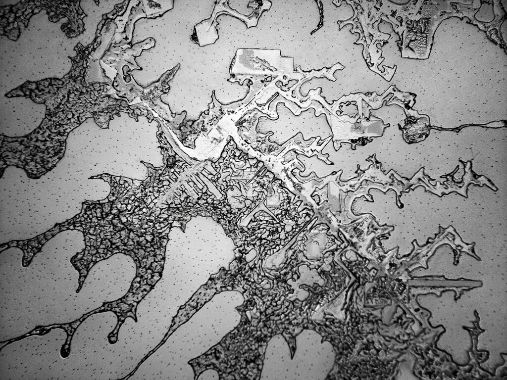
Роуз-Линн Фишер плакала по разным поводам и фотографировала свои слезы под микроскопом. Но её ждало открытие: слезы в каждом из случаев имели свою картину (см. галерею).
встреча после долгой разлуки
Что это может значить? Почему слезы радости, горя, возможностей, измены разные по своей структуре?

Несколько дней она плакала... по самым разным поводам.

Роуз-Линн Фишер плакала по разным поводам и фотографировала свои слезы под микроскопом. Но её ждало открытие: слезы в каждом из случаев имели свою картину (см. галерею).

Что это может значить? Почему слезы радости, горя, возможностей, измены разные по своей структуре?

Может ли это значить, что вместе со слезами уходят воспоминания и мы тем самым отпускает это прошлое, заключённое в слезы?

Если быть скептиком и не верить в прекрасный способ освободиться от прошлого, то можно сказать, что слезы нейтрализуют гормоны, такие как лейцин-энкефалин и пролактин, накапливающиеся в организме из-за длительного стресса. Плач естественным образом снижает уровень марганца, который вызывает беспокойство, эмоциональную нестабильность и агрессию. Именно поэтому после слез мы чувствуем себя много лучше.

Но это так скучно, чопорно и не романтично. Мне хочется верить в особую "формулу счастья" и его образ.

Хочется понимать, что слезы это не только антибактериальное и антивирусное средство, поражающее в среднем за десять минут около 95% вредных бактерий, но и волшебное очищение, не требующее дорогих психологов и таблеток.

Мы живем в мире, где эмоции стоят под запретом, а слезы - непозволительно роскошь. Мне очень хочется, чтобы мы позволили себе их, стирли все условности и позволили возникнуть пространству необыкновенной близости и глубины.

Опустить условности-разрешить плакать-разрешить чувствовать-разрешить ЖИТЬ. Разрешить избавляться от стресса просто.

Может тогда вокруг станет легче открываться, быть настоящим и не надевать маски условностей.

Как ты относишься к слезам других людей?