Добавить в корзинуПозвонить
Найти в Дзене
Ретро Техника

Как из 220 Вольт получить 110 вольт: самый простой способ.

Данный способ не нов, и не претендует на открытие, но часто люди ищут как из 220V получить 110V. Постараюсь рассказать коротко и просто.
Много хорошей аудио техники из Японии или Штатов выпускают для сети 110 вольт. Дорогие фирменные преобразователи и инверторы на 110 v стоят достаточно дорого. Как вариант использовать старый стабилизатор с механической регулировкой, но в хорошем состоянии найти трудно и цена будет
достаточно высокой. Как просто решить эту задачу? Идем на барахолку (или к себе в сарай) и находим там трансформатор от старого лампового телевизора или приемника. типа такого. Часто старая аппаратура была рассчитана на 220, 127, 110 вольт питающей сети. Этим мы и воспользуемся.
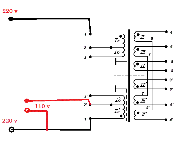
как соединить обмотки? Стоит такой трансформатор от 100 до 500 рублей, в зависимости от мощности и жадности продавца.
Если трансформатор имеет обозначение ТС-270, это значит 270 Вт его мощность, и вы смело можете запитать от него усилитель или музыкальный центр. Получается дешево и сердито..

Данный способ не нов, и не претендует на открытие, но часто люди ищут как из 220V получить 110V. Постараюсь рассказать коротко и просто.
Много хорошей аудио техники из Японии или Штатов выпускают для сети 110 вольт. Дорогие фирменные преобразователи и инверторы на 110 v стоят достаточно дорого.

Как вариант использовать старый стабилизатор с механической регулировкой.
Как вариант использовать старый стабилизатор с механической регулировкой.

Как вариант использовать старый стабилизатор с механической регулировкой, но в хорошем состоянии найти трудно и цена будет
достаточно высокой.

Как просто решить эту задачу? Идем на барахолку (или к себе в сарай)

и находим там трансформатор от старого лампового телевизора или приемника. типа такого.

Он может выглядеть по разному)
Он может выглядеть по разному)

Часто старая аппаратура была рассчитана на 220, 127, 110 вольт питающей сети. Этим мы и воспользуемся.
как соединить обмотки?

Это типичная схема включения.
Это типичная схема включения.

Стоит такой трансформатор от 100 до 500 рублей, в зависимости от мощности и жадности продавца.
Если трансформатор имеет обозначение ТС-270, это значит 270 Вт его мощность, и вы смело можете запитать от него усилитель или музыкальный центр. Получается дешево и сердито...
Если для проверки, то можно собрать "колхозный" вариант, типа этого.

-4
-5
-6

Но можно окультурить и смонтировать в каком нибудь корпусе.
У меня валялся корпус от старого стабилизатора, трансформатор встал туда как раз.
Вот что получилось:

-7
Подсветку специально сделал на 'теплых' лампах накаливания)
Подсветку специально сделал на 'теплых' лампах накаливания)

Чуть не забыл, если надо 127 вольт, то можно попробовать напряжение снять с 3 вывода, вместо 2.

Всем спасибо.
Подписывайтесь, будет много интересного.