Найти в Дзене
Для Студента

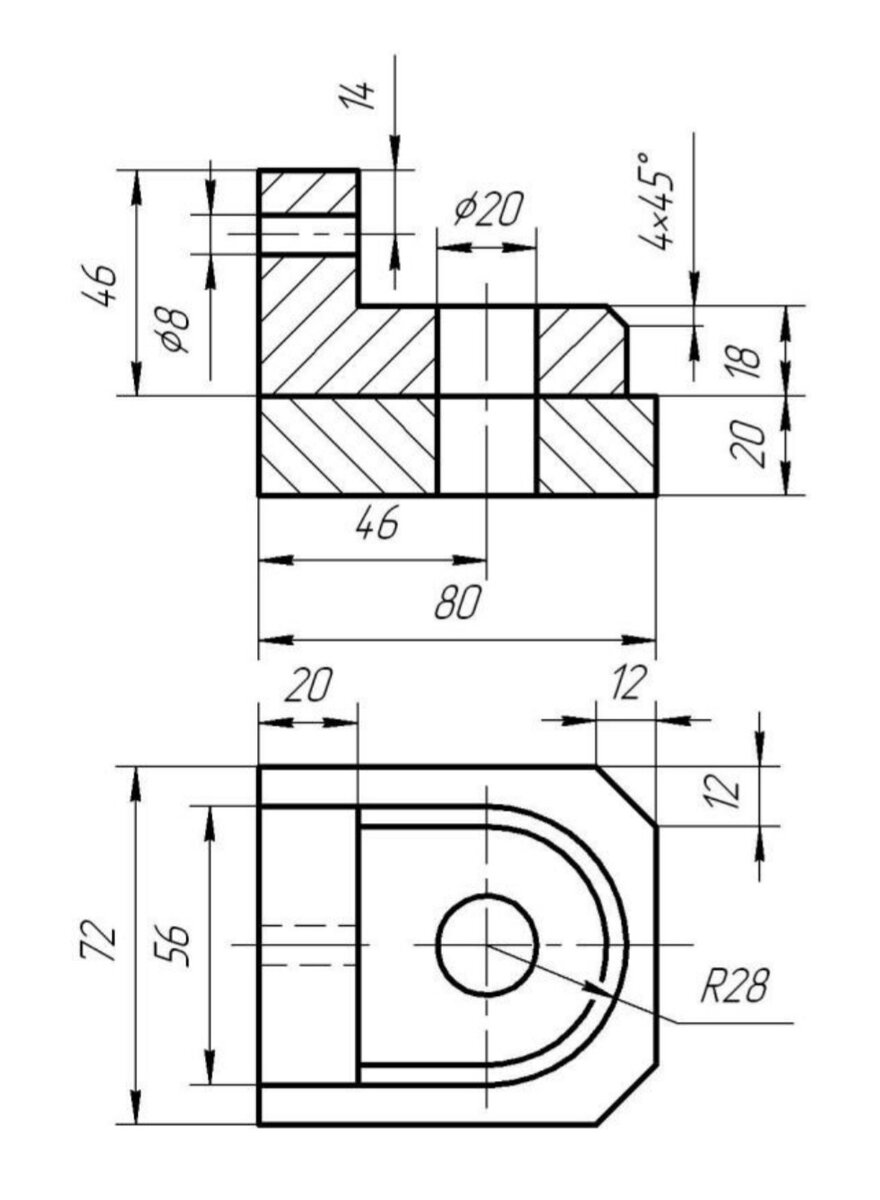
Соединение болтом

Задание: Выполнить изображения соединения деталей болтом, нанести размеры  и необходимые надписи. ♦ Чертеж выполняется на заказ с данными вашего варианта ♦ Софт: Компас (.cdw) ♦ Софт: Автокад (.dwg) ♦ Софт: jpeg (с подробными размерами и линиями построения); ♦ Расчет болтового соединения ♦ Для заказа пишите нам на почту: student-you@mail.ru ; Чертежи на сайте: http://www.student-you.ru/boltovoe-soedinenies.php Наш сайт с готовыми чертежами: www.student-you.ru Наш канал с видео уроками: https://www.youtube.com/channel/UCBoWdiloEeqhOm4aLBFzzuQ

Задание:

Выполнить изображения соединения деталей болтом, нанести размеры 

и необходимые надписи.

♦ Чертеж выполняется на заказ с данными вашего варианта

♦ Софт: Компас (.cdw)

♦ Софт: Автокад (.dwg)

♦ Софт: jpeg (с подробными размерами и линиями построения);

♦ Расчет болтового соединения

♦ Для заказа пишите нам на почту:

student-you@mail.ru ;

Чертежи на сайте: http://www.student-you.ru/boltovoe-soedinenies.php

Наш сайт с готовыми чертежами: www.student-you.ru
Наш канал с видео уроками: https://www.youtube.com/channel/UCBoWdiloEeqhOm4aLBFzzuQ