Добавить в корзинуПозвонить
Найти в Дзене
Veter-Mix

Автоматическая схема управления водоснабжения и отопления. Снижения расхода на эл. энергию.

При создании схемы управления я преследовал цель снижения расхода эл. энергии.
Например, при использовании воды из крана давление в системе, созданная насосной станции, уменьшается и насос вновь включается и создает давление в системе. Но, например мы длительно не используем воду, давление в системе снижается и вновь насос включается. Это если система не герметична. В итоге получаем, что, когда
Оглавление

При создании схемы управления я преследовал цель снижения расхода эл. энергии.

При использовании воды давление в системе уменьшается, насос включается и создает давление в системе. Если длительно не использовать воду, а давление в системе постепенно снижается, то насос вновь включается. А если система не герметична, то это происходит намного чаще. В итоге получаем, что когда нас нет, насос периодически включается и тратит электроэнергию в пустую.

Еще, допустим, в трубе водоснабжения имеется течь, в системе давление падает и насос начинает работать. У дешёвой насосной станции нет других датчиков, кроме датчика давления, и он будет качать воду пока его не выключат. А это значит, что вода из колодца будет в доме.

Решение есть - можно поставить датчики от протечек и т.д., но это другая история. Я же хотел, чтобы подачу воды контролировал я сам.

Или, например, можно использовать вместо насосной станции обычный погружной насос, однако при длительной работе он обязательно сломается. Его необходимо отключать постоянно. Но так мы можем не волноваться за то, что где-то что-то прорвет, когда нас нет дома, т. к. мы, уходя из дома, его отключаем. А по-итогу мы забываем включить или отключить этот насос.

Мои размышления привели меня к тому, а почему бы не использовать временное реле с задержкой на отключение?. Нажал на кнопку, насос работает 10 мин, я сделал свои дела и насос отключился. Это подойдет, как для насосной станции так и для обычного погружного насоса в колодец.

Погружной насос «Малыш» может довольно долго работать при закрытом кране. Это проверено мной, когда забыл его отключить, он проработал порядка 3-х часов и ничего с ним не случилось.

Так же необходимо автоматизировать работу водонагревателя и отопления. Цель была прежней - снизить электропотребление. Для отопления дома установлен комбинированный котел. Его плюсы в том, что он твердотопливный и электрический. В зимнее время дом топится дровами до нужной температуры, а при снижении температуры включается эл. нагреватель (тэн).

"Кто топит просто дровами знает, что такие котлы быстро остывают и приходится ночью вставать и подкидывать дрова в топку."

В моем случае на помощь приходит электричество. В ночное время котел автоматически включается при снижении в нем температуры. Есть проблема - он включается и днем. А днем тариф на электроэнергию выше, а потребляет он не мало. Я решил, что если днем нет никого дома, то и топить не надо, дом быстро не остынет, придешь - натопишь, а ночью нужно спать спокойно. Решил, что выходом будет реле времени (таймер), пусть работает котел от электричества только в ночное время, а днем подкину дрова в топку сам. Водонагреватель тоже пусть только ночью нагревает, он достаточно долго держит тепло. Вроде бы все решил, но появилась еще проблема: а что, если будет большой расход горячей воды и в бойлере она закончится. Это решилось само собой - он будет включатся вместе с насосом днем, по команде от реле, или вместе с отоплением в ночное время.

"Конечно, для отопления лучше использовать газ (газовый котел), но бесплатная газификация идет так быстро, что, видимо, проскочила мимо нас." =)

А что делать, если есть необходимость включить отдельно насос (насосную станцию)? Допустим, что мне нужно использовать воду долгое время, например стиральная машина, не бегать же нажимать кнопку каждые 10 мин. Тут я решил обойти реле времени обычным выключателем - включил и насос будет работать пока его не отключишь. Шунтирующий выключатель - он будет включать реле насоса и водонагревателя.

Можно было бы сделать так, чтобы включать только насос, но для этого пришлось бы ставить еще реле и усложнять схему.

Таким же образом я решил обойти реле времени (таймер). Если есть необходимость, я смогу включить отдельно отопление и водонагреватель.

Тут я решил разделить 2-мя выключателями. Если нужно объясню.

В итоге, мы получаем, что просто так насос (насосная станция) не работает, отопление и водонагреватель работает только ночью по низкому тарифу. Для защиты от аварий у нас есть: автоматические выключатели, штатные датчики температуры на нагревателях; давление в системе будет только по команде, когда это будет нам необходимо.

Ниже я описал принцип работы схемы и подключение.

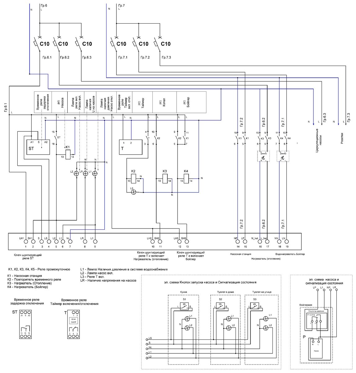
Схема запуска насоса (насосной станции).

Временное реле с задержкой отключения (на схеме обозн. ST ). В нормальном состоянии на реле ST постоянно подается напряжение на контакты A 1 и A 2, контакт 15 и 18 (Н/О). На контакт 15 подается фаза от питающей линии, а на контакт 18 (Н/О) подключается реле К1 (к контакту №13). При подаче напряжения на контакт S , реле ST замыкает контакты 15 и 18, подается напряжение на реле К1. Реле К1 замыкает силовые контакты 10/6 ( N ) и 9/5 ( L ). На насосную станцию подается напряжение. На контакт S подается напряжение через кнопку без фиксации ( S 1, S 2, S 3), кратковременно (1 с), реле ST замыкает свои контакты на программируемое время (10 мин). В течении этого времени насосная станция работает и поддерживает давление в системе водоснабжения. По истечении запрограммированного времени, реле ST размыкает контакты 15 и18, тем самым снимая напряжение с реле К1 и насосная станция отключается. Реле ST ожидает следующий сигнал на контакт S . В самой насосной станции есть датчик давления, который отключает насос при достижении заданного давления и включает при его снижении. Это стандартная схема, применяемая на всех насосных станций, и описывать её работу я тут не буду.

После первого сигнала на контакт S, последующий многократный сигнал на контакт S, реле ST, не изменит за программируемое время замыкание контактов 15 и 18.

Для блокировки времени работы насосной станции используется шунтирующий ключ ST (выключатель). С шунтирующего ключа подается напряжение напрямую на реле К1, обходя реле времени ST .

Реле К1 участвует в цепи включения реле К4 (Бойлер). Это необходимо для поддержки температуры в бойлере на время работы насосной станции, а также при длительной работе насосной станции.

Схема запуска котла отопления и бойлера.

Временное реле - таймер (на схеме обозн. T). В нормальном состоянии на реле T постоянно подается напряжения на контакты 1 и 2. Контакты 5 и 4 Н/О. На контакт 5 подается фаза от питающей линии, а на контакт 4 подключается реле К2 контакт 13. При достижении установленного времени включения, реле T замыкает контакты 5,4 и напряжение подается на реле К2. Контакты 10/6 и 9/5 реле К2 подают напряжение на силовые реле К3 (котел) и К4 (бойлер).

При достижении установленного времени отключения, реле Т размыкает контакты 4/5 тем самым отключает реле К2, К3, К4 - нагрузку.