Найти в Дзене

Многоуровневые повышающие системы электропитания постоянного тока

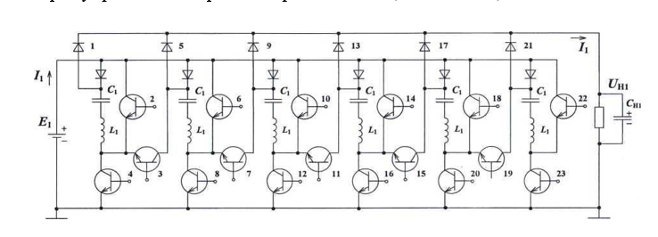
Принципиальная схема СЦ простейшей двухуровневой повышающей системы электропитания постоянного тока (СЭПТ) показана на рисунке Схема состоит из N (шести) идентичных ИКЦ, которые соединены друг с другом через управляемые транзисторные ключи (3,7,11,15,19).
Работа СЭПТ основана на изменении ее структуры путем создания групп повышающих преобразовательных модулей (ПВПМ) с переключаемым количеством

Принципиальная схема СЦ простейшей двухуровневой повышающей системы электропитания постоянного тока (СЭПТ) показана на рисунке Схема состоит из N (шести) идентичных ИКЦ, которые соединены друг с другом через управляемые транзисторные ключи (3,7,11,15,19).

Работа СЭПТ основана на изменении ее структуры путем создания групп повышающих преобразовательных модулей (ПВПМ) с переключаемым количеством ИКЦ. Перестройка структуры СЭПТ сопровождается изменением ее свойств: выходной мощности, коэффициента преобразования, а также коэффициента гармоник входного и выходного токов. Изменение структуры СЭПТ осуществляется за счёт определенного алгоритма коммутации транзисторных ключей ее СЦ. В результате образуются группы из N1 ИКЦ, которые представляют собой ПВПМ, с коэффициентами преобразования, которые равны.

Далее ПВПМ объединяются в одинаковых повышающих многотактных резонансных преобразователей (ПВМРП) с тем же коэффициентом преобразования. Параметр, равный количеству ПВМРП в составе двухуровневой СЭПТ представляет собой кратность ее состояния. Таким образом, каждое из возможных состояний в котором может находиться СЭПТ описывается набором из трех параметров. В частности, при условии, что все элементы СЦ принимают участие в преобразовании, СЭПТ, может находиться в восьми различных состояниях

Например, третье состояние СЭПТ реализуется закрыванием транзисторных ключей (2,7,10,15,18), а шестое состояние - закрыванием транзисторных ключей (3,7,11,15,19). Если закон изменения структуры задан, то силовая цепь СЭПТ упрощается. Например, если требуется обеспечить ее работу только в третьем и шестом состояниях, то из силовой цепи СЭПТ исключаются транзисторные ключи, а транзисторные ключи заменяются диодами.

Общее количество ИКЦ одноуровневой СЭПТ N связано с параметрами ее состояний выражением, представленным ниже:

m k N 1 1 1 N . (4.1.2)

Знак равенства показывает, что все ИКЦ, входящие в состав одноуровневой СЭПТ, участвуют в процессе преобразования. Неравенство значит, что часть ИКЦ находится в резерве. Преимущество кратных состояний проявляется, когда количество ИКЦ - N , которое участвует в процессе преобразования является четным, а количество ПВПМ в составе ПВМРП, т.е. параметр k1 ≥3 нечетным числом. В таком случае применение кратных состояний позволяет не только значительно снизить коэффициент гармоник входного и выходного токов СЭПТ, но и в два раза увеличить частоту пульсации их первой гармоники по сравнению с состоянием, которое имеет кратность m1 =1. Последнее обстоятельство дает возможность двукратно уменьшить выходную емкость CH1 .