Добавить в корзинуПозвонить
Найти в Дзене
Laser Family

Автоподача воздуха для лазерного станка (Air Assist)

Всем привет. Сегодня погорим о воздухе!
Воздух одна из важных вещей для лазерной резки. От давления (чем лучше обдув, тем чище рез) и качества воздуха (чем меньше в воздухе воды и масла, тем чище линза).
В большинстве случаев в заводских станках стоят маленькие насосы для аквариумов (пердунки) и их работа не как автоматизирована, включил в начале работы тумблер, он потом работает все время.

Всем привет. Сегодня погорим о воздухе!

Воздух одна из важных вещей для лазерной резки. От давления (чем лучше обдув, тем чище рез) и качества воздуха (чем меньше в воздухе воды и масла, тем чище линза).

В большинстве случаев в заводских станках стоят маленькие насосы для аквариумов (пердунки) и их работа не как автоматизирована, включил в начале работы тумблер, он потом работает все время. Автоматизация решает эту проблему, то есть включается во время реза.

Для автоподачи существуют готовые комплекты, которые можно купить на АлиЭкспресс Air Assist, обзор на такой комплект чуть ниже.

Плюс от этого комплекта, что он позволяет управлять включением компрессора и переключать на меньший поток для гравировки.

Минус этого комплекта это его цена! такой же комплект можно собрать из реле и клапанов.

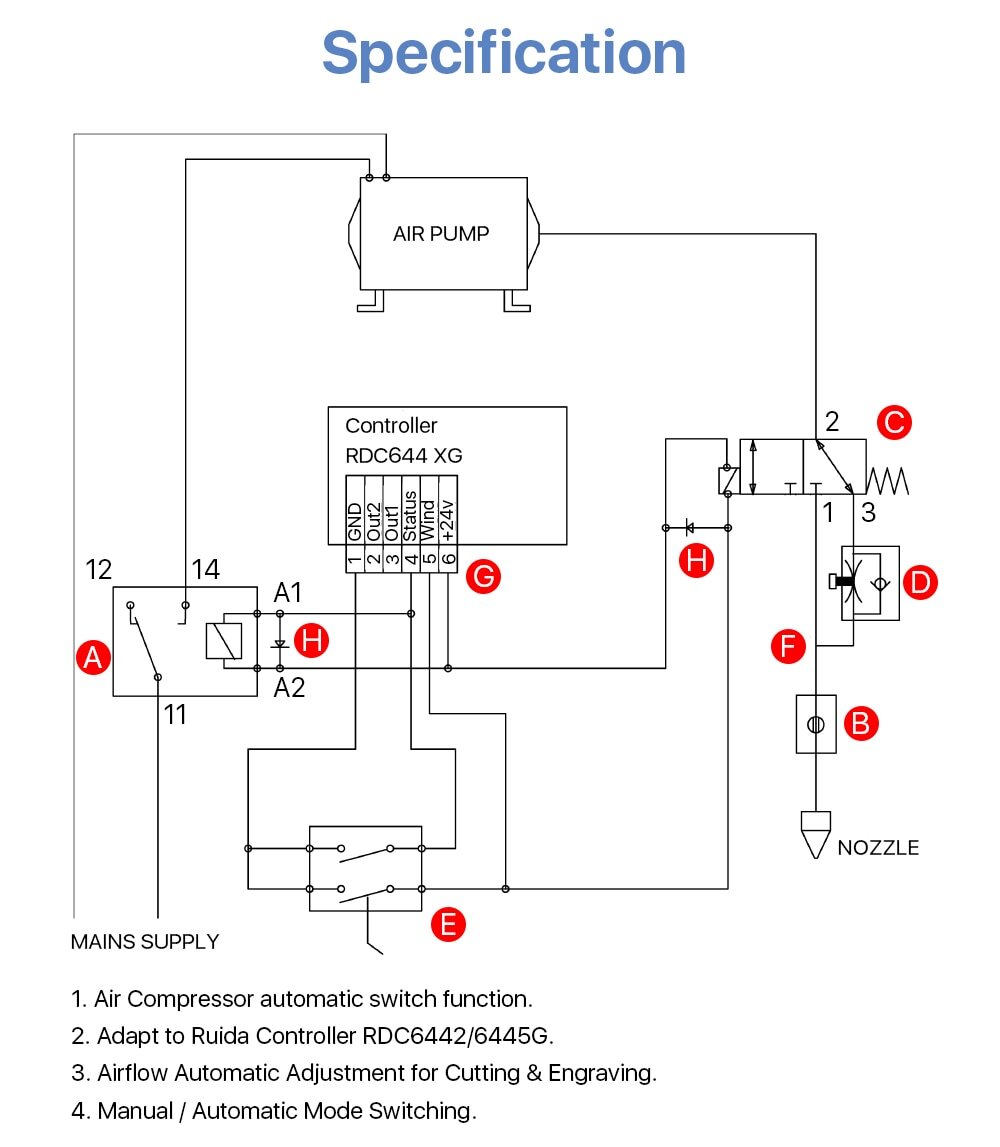
Подключение и процесс работы данного устройства

Схема подключения и фото подключений в галереи.

Дорогие мои читатели. Если вам понравилась данная статья и вы хотите, что бы я нарисовал схему подключения для производственного компрессора, то напишите комментарий и поставьте пожалуйста лайк.

А так же подписывайтесь дальше будет интереснее.