Добавить в корзинуПозвонить
Найти в Дзене

Стиральная машинка-автомат без водопровода

Живу я в частном доме, а по прихоти судьбы досталась мне стиральная машинка-автомат. Но водопровода у меня нет...

Живу я в частном доме, а по прихоти судьбы досталась мне стиральная машинка-автомат. У тёщи она сломалась (обороты барабана при включении любого режима шли "в разнос" и через несколько секунд уходила в защиту), обратилась в мастерскую (единственную в нашем посёлке), там определили - двигатель под замену (но это не точно и без гарантии), и цену зарядили в полцены новой. Ну и купила она себе новую, а старую нам отдала.

Централизованного водопровода у меня нет. Точнее проходит он в 50 метрах, но Водоканал так кушать хочет, что цена подключения дикая. Сосед сам траншею копал (нанимал экскаватор) и трубы купил, и то порядка 30 000 Водоканалу отдал в 2004 году. Я купил этот дом в 2001 году, до меня здесь 7 лет жили квартиранты, за водой они ходили на колонку. Огород они не сажали, хотя для полива был колодец. Он был заброшенный, вода цвела всё лето, я на второй год его просто засыпал, И пробурил скважину. Неглубокую, у нас второй водоносный горизонт на глубине 7 метров, скважина глубиной 8,5 м. Бросил в неё вибрационный насос, и проблема с питьевой водой и поливом была решена.

Но "не было у бабы печали, да купила порося"(с) Стиралка требует воды под напором. Покупать водную станцию я не собирался, ставить напорный бак на чердак - зимой промёрзнет. Зато есть третий вариант - пусть стиралка сама включает насос, когда ей нужно.

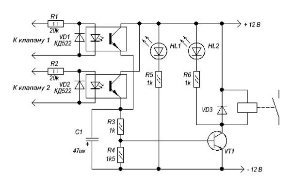
А как она это скажет? При потребности в воде она включает клапаны (их два), вот по появлению напряжения на них и будем запускать насос.

Схема
Схема

На клапаны подаётся 220 вольт, для гальванической развязки применил пару оптронов (наковырял из блоков питания). При срабатывании любого из оптронов открывается транзистор и включает реле. Оно подаёт питание на насос. Поскольку вибрационный насос - нагрузка сильно индуктивная, то были опасения, что контакты реле будут искрить при отключении и подгорать. Поэтому изначально параллельно контактам поставил снаббер (последовательно резистор 47 Ом и конденсатор 0,1 мкФ на 600 вольт). Но года через три конденсатор снаббера пробился, я его просто выкусил. И в таком виде схема живёт по сей день (девятый год). Пережила уже и ту стиралку (ТЭН прогорел и подшипник шуметь начал, решил, что проще выкинуть, ей уже лет 12 было), третий год с новой работает.

Внешний вид
Внешний вид
Вид на с трашненький монтаж
Вид на с трашненький монтаж

Питается от 12 вольт (первый попавшийся трансформатор с подходящим напряжением, диодный мостик, да конденсатор 1000 мкФ на 16 вольт), подключается к стиралке шестью проводами (сеть - сразу с сетевого фильтра стиралки, и по два подпаяны к клапанам). Для подключения насоса выведен провод с розеткой.

Кстати, если интересно - как отремонтировал тёщину стиралку. Скачал сервис-мануал с расшифровкой кодов ошибок. Стиралка же умная, она светодиодами моргает, номер ошибки сообщает. По коду - неисправность датчика тахометра. Нашёл я этот датчик (прикреплён к заднице двигателя), прозвонил - действительно, в обрыве. Снял датчик и пошёл с ним в мастерскую, купить такой же или подходящий по крепежу. Мастер смотрел на датчик, как баран на новые ворота, и долго не мог понять - что это и откуда. Пришлось ему на похожей машинке, находящейся в ремонте, показать. Оказывается, этих датчиков отдельно не продают, только в сборе с мотором! Сам датчик копеечный, устроен примитивно - катушка на магнитомягком сердечнике. Правда, неразборный, целиком залит пластмассой. Пришлось дома аккуратно ножовкой и стамеской выковырять старую обмотку, похожим по диаметру проводом намотать каркас до заполнения. Так он и проработал шесть лет.