Добавить в корзинуПозвонить
Найти в Дзене
Лампа Электрика

Сверхэффективный способ преобразования электрической энергии в механическую.

Описание создания электрогидравлического эффекта и способов его применения.
Оглавление

Все новое, как известно это хорошо забытое старое. Для меня было очень интересно узнать о способе преобразования электрической энергии в механическую, который был открыт более чем 90 лет назад и забыт по прошествии времени.

История изобретения

Впервые способ преобразования электрической энергии в механическую посредством электрогидравлического эффекта (ЭГЭ) был открыт советским ученым Львом Александровичем Юткиным в 30-х годах 20 века. Но несмотря на высокую эффективность такого способа преобразования электроэнергии, о нем забыли на долгое время.

Самого автора, спустя некоторое время после открытия, обвинили в измене родины по 58-й статье уголовного кодекса РСФСР. Обвинили изобретателя в подготовке к взрыву моста с использованием открытого эффекта. Только в 1950 году была подана заявка на изобретение.

Впоследствии было подано более 200 заявок на изобретения, основанные на электрогидравлическом эффекте с помощью которых можно дробить, бурить, раскалывать различные твердые горные породы, а также производить обработку других материалов и штамповку металлов.

Описание эффекта

Открытый эффект основывается на выделении значительного количества энергии в жидкой среде при образовании в ней электрических разрядов высокого напряжения.

Импульс высокого напряжения в жидкой среде приводит к появлению разных физических эффектов — импульса сверхвысокого давления, сопровождающегося электромагнитным излучением с разным частотным спектром и эффектами кавитации.

Иными словами, можно сказать, что в воде образуется «взрыв», который приводит к появлению очень высокого давления.  Благодаря этому возможно с большой эффективностью дробить различные материалы, находящиеся в воде, например твердые породы камня. Также возможно производить прессование и штамповку металлов или использовать эффект для преобразования электрической энергии в механическую.

Фото электрического разряда в жидкости
Фото электрического разряда в жидкости

Способ получения ЭГЭ

Основным условием для получения вышеописанного эффекта является наличие крутого переднего фронта напряжения, которое прикладывается в жидкости между двумя электродами. В противном случае, то есть при наличии пологого фронта напряжения эффект не возникнет.

Количество энергии, выделяющейся за период, во время которого происходит нарастание импульса определит появление явлений, которые сопровождают разряд. Мощность самого импульса определяется током, который в свою очередь зависит от продолжительности переднего фронта.

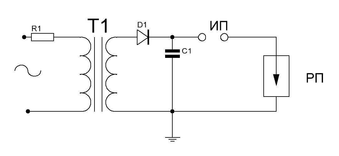
Для того, чтобы получить импульс требуемой продолжительности, Юткин применил газовый разрядник (ИП). Накопление электрической энергии, необходимой для работы установки происходило в конденсаторе (С1).

При работе устройства, воспроизводящего эффект, в конденсаторе (С1) совершается накопление электроэнергии. Далее, когда напряжение достигнет требуемой величины, происходит пробой газового разрядника (ИП), в следствие чего происходит пробой промежутка между двумя электродами в жидкой среде (РП). Причем одним из электродов может служить сама металлическая ёмкость.

Уровень пробивного напряжения в рабочем промежутке (РП) может зависеть как от формы электродов, так и от полярности на электродах. При положительной полярности  в технической воде разница между величиной пробивных напряжений может возрасти более, чем в 10 раз.

Рисунок 1.
Рисунок 1.

 Рисунок 1. Электрическая схема установки для воспроизведения электрогидравлического эффекта. (R1 — зарядное сопротивление, Т1 — трансформатор, D1-выпрямитель, ИП — искровой промежуток, РП — рабочий искровой промежуток в жидкости, С1-конденсатор).

Юткин доработал схему установки и добавил второй разрядник. Это позволило увеличить эффективность установки за счет увеличения крутизны фронтов импульса и значительно упростить ее настройку.

Рисунок 2
Рисунок 2

Рисунок 2.  Электрическая схема установки для воспроизведения электрогидравлического эффекта с двумя искровыми промежутками. (R1 — зарядное сопротивление, Т1 — трансформатор, D1-выпрямитель, ИП1 — искровой промежуток №1, ИП2 — искровой промежуток №2, РП — рабочий искровой промежуток в жидкости, С1-конденсатор).

Сфера применения  эффекта

Благодаря высокому КПД, ЭГЭ может применятся в различных областях:

  • Разные способы очистки поверхностей.
  • Штамповка.
  • Сварка.
  • Дробление.
  • Обеззараживание поверхностей.
  • Двигатели.
  • Создание различных конструкций молотов или вибраторов.
  • Эмульгация и деэмульгация.
  • В медицине для дробления камней в почках.

Благодаря тому, что при появлении этого эффекта происходит значительное повышение температуры жидкости, которое значительно больше затрат электрической энергии, становится возможным создание высокоэффективных нагревательных приборов.