Найти в Дзене
Лампа Электрика

Схемы управления светом, которые должен знать каждый электрик

Для управления освещением в быту и не только существует большое количество технических решений.
Оглавление

Для управления освещением в быту и не только существует большое количество технических решений. Начнём с простых.

Выключатели

Чтобы просто включить и выключить свет, используются выключатели. Для дома/квартиры обычно используется четыре вида выключателей.

  1. Одноклавишный;
  2. Двухклавишный, трёхклавишный;
  3. Проходной выключатель;
  4. Выключатель с регулятором яркости (диммер).

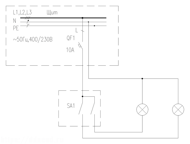
Одноклавишный выключатель устанавливают там, где достаточно одного уровня освещённости. Это может быть кладовка, коридор, тамбур. В светильниках, включаемых одноклавишным выключателем, обычно находится одна лампочка.

Схема одноклавишного выключателя
Схема одноклавишного выключателя

Двух- и трёхклавишные выключатели ставят для светильников с большим количеством лампочек, т.е. там, где уровень освещённости нужно менять, включая одну группу лампочек или несколько групп. Например, в гостиной или спальне часто используются двухклавишные выключатели.

Схема двухклавишного выключателя
Схема двухклавишного выключателя

Если, к примеру, ванная комната, туалет и кухня находятся в непосредственной близости друг от друга, то для удобства рекомендуется использовать трёхклавишный выключатель.

Схема трёхклавишного выключателя
Схема трёхклавишного выключателя

Проходные выключатели применяют в тех случаях, когда необходимо включение/выключение света с двух и более мест. Например, можно использовать такие выключатели в спальне. Один располагается на входе, а второй у кровати. Заходя в спальню, свет включается на входе, а выключается уже возле кровати и наоборот. Это очень удобно. Также проходные выключатели можно установить в длинных коридорах.

Схема управления освещением с двух мест (проходные выключатели)
Схема управления освещением с двух мест (проходные выключатели)

Если необходимо плавно регулировать свет, то устанавливают выключатель с регулятором яркости, так называемый диммер. Используя диммер, можно менять свечение от самого яркого уровня до очень низкого. Следует знать, что не каждый вид лампочек подойдёт для включения через диммер. Если обычную лампу накаливания можно использовать, то, к примеру, «экономка» уже не подойдёт.

Диммер
Диммер
Важно! На выключатель необходимо подключать фазный провод. Т.е. выключатель разрывает фазу. А нулевой провод подключается напрямую в светильнике.

К более сложным вариантам управления можно отнести включение/отключение света при помощи фотореле и датчиков движения.

Фотореле

Для автоматического включения/отключения наружного освещения используется фотореле. Его ещё называют сумеречное реле. В комплекте с ним поставляется фотодатчик, реагирующий на свет. Смысл работы в том, что при наступлении темноты или светового дня фотодатчик даёт сигнал на фотореле, которое в свою очередь включает или отключает свет.

Схема управления освещением при помощи сумеречного реле и выносного фотодатчика
Схема управления освещением при помощи сумеречного реле и выносного фотодатчика

Датчик движения

Датчик движения представляет собой реле маленького размера, которое включает свет замыканием своего контакта при обнаружении движения в определённой зоне. Такие датчики часто используются на лестничных площадках подъездов многоквартирных домов.

Схема управления освещением при помощи датчика движения
Схема управления освещением при помощи датчика движения

Для информации

Кроме стандартных и часто используемых вариантов управления светом в быту, применяются также другие схемы и устройства. Нижеприведённые варианты обычно применяют на производстве:

  1. Управление при помощи импульсного реле;
  2. Управление с использованием магнитных пускателей или контакторов;
  3. Управление при помощи реле времени (таймера);
  4. Управление при помощи контроллеров.