Найти в Дзене
ING250 Николай Иванов

Прославленный магнитофон Гинтарас.

Здравствуйте, уважаемые любители старинной техники!
Перед вами магнитофон Гинтарас, который выпускался заводом Эльфа в Вильнюсе начиная с 1960 года. Иначе он назывался Эльфа-19.
Это представитель целой серии магнитофонов с почти одинаковыми лентопротяжными механизмами и схемой. До этого был Спалис Эльфа-10, с 1962года - Айдас Эльфа 20, который получил заметно лучшие головки, а после 1966 года это

Здравствуйте, уважаемые любители старинной техники!

Перед вами магнитофон Гинтарас, который выпускался заводом Эльфа в Вильнюсе начиная с 1960 года. Иначе он назывался Эльфа-19.

Это представитель целой серии магнитофонов с почти одинаковыми лентопротяжными механизмами и схемой. До этого был Спалис Эльфа-10, с 1962года - Айдас Эльфа 20, который получил заметно лучшие головки, а после 1966 года это уже Айдас -9М Эльфа 65 который выпускался до 1970 года.

-2

Завод существует до сих пор, но называется уже совсем иначе. И про Эльфу не вспоминает. Имя Гинтарас наделяет своего владельца показателем характера, которому подходит определение «вещь в себе». То есть это вне нас находящийся предмет наших чувств, но о том, каков он сам по себе, мы ничего не знаем: мы знаем его только как явление, то есть он непосредственно дан нам как представление, которое он в нас производит, воздействуя на наши чувства. Если вы так и не поняли, что это такое, рекомендуется почитать работы Канта. Только не на ночь.

-3

Этот магнитофон стоил порядка 100 рублей, т.е. вдвое дешевле своего современника Кометы, за что был любим и уважаем народом. Лентопротяжный механизм таких Эльф можно назвать удачным за свои деньги.

-4

Мощный двигатель КД-2 обеспечивал быструю и уверенную перемотку на катушках размера 18, это означает их диаметр в сантиметрах. Магнитофоны Чайка и Комета имели катушки 15 и мотали заметно хуже.

-5

Протяжка Эльф работала надёжно и бесшумно. Однако частенько рвала и тянула ленту. Дело в том, что в конструкции её не было предусмотрено тормозов, кроме тех слабеньких фетровых, которые находились в блоке головок.

-6

Кроме того, удобным магнитофон назвать никак нельзя. При заправке ленты, вращая одну катушку, вы непременно будете вращать и другую, при этом лента непременно вырвется у вас из рук. Для правильной работы на клавишах Эльф требуется тренировка, иначе обрыва ленты не избежать. Клавиши управляли работой протяги через велосипедные тросы.

-7

Кто имел дело с такими тросами,
вряд ли хорошо о них отзовётся. Настроить их не каждому по плечу. В магнитофоне два пассика круглого сечения. Один крутит тонвал, другой всё остальное, при этом он очень длинный. Резина была неважнецкая, трескалась, растягивалась и рвалась. После длительного простоя магнитофон если и работал, то уже плохо. Звук плыл, перемотки не тянули. Пассики были в большом дефиците. Чтобы заменить длинный пассик, требовалась непростая разборка механизма. А короткий пассик на тонвал надо было добыть строго нужного сечения, иначе изменялась скорость, и драгоценные записи либо буратинили, либо тянули за душу. Так что любовь к этим магнитофонам подвергалась суровым испытаниям и не всегда была взаимной. Тем не менее, магнитофон пользовался успехом у мужской части населения.

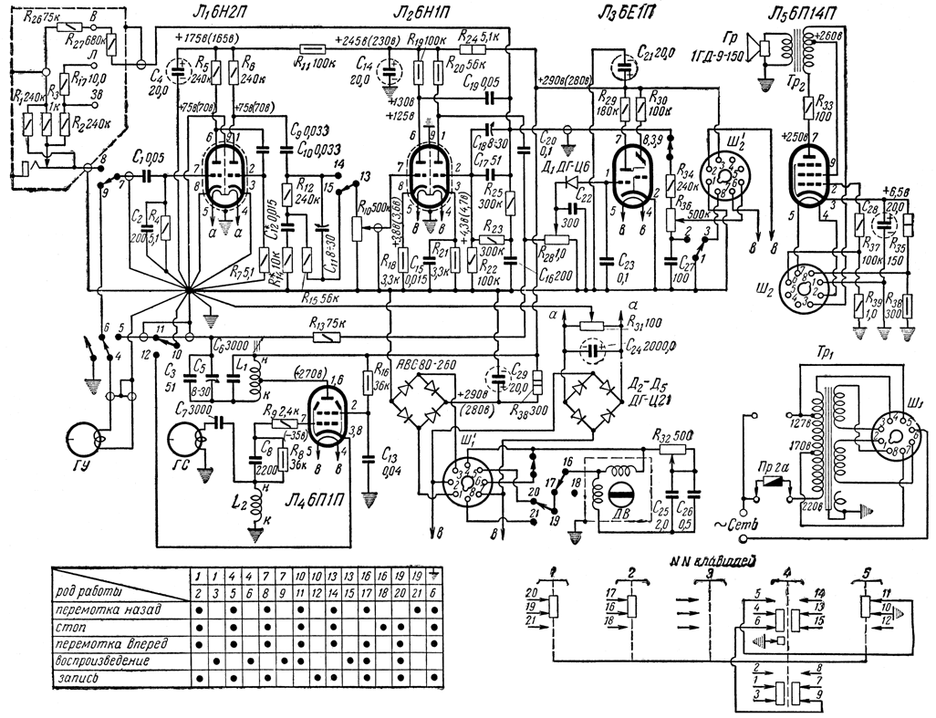
Схема магнитофона отличается от других подобных мощным генератором стирания и подмагничивания на отдельной лампе 6П1П.

-8

Это хорошее решение: стирание у других магнитофонов нередко было неполное. Питание этой лампы в режиме воспроизведения отключается. А при записи приходилось переводить выходной усилитель на пониженное потребление и мощность, чтобы не перегрузить выпрямитель. Это не очень хорошо, т.к. препятствовало качественному сравнению записи и оригинала.

Гинтарас выпускался на скорость ленты 19 см\сек, так что расходы на ленту были немалые. Всё это ведёт к тому, чтобы назвать этот магнитофон полным противоречий, но всё же удачным. У меня с этим магнитофоном связано много хороших воспоминаний, но только не с той внешностью, которую вы в начале статьи видели. Обычно крышки головок снимались, трескались и терялись, а винты панели откручивались для оперативного доступа внутрь.

-9

Спросите - а зачем лазить внутрь? А затем, чтобы покачать лампы, если не контачат, подвернуть вышеупомянутые тросы управления, проследить за пассиками, чтобы масло не попало, хорошо ли они натянуты и нет ли трещин. Как видим, с самостоятельностью у этого Гинтараса были некоторые проблемы. Се ля ви. Это не Акай.

Спасибо за внимание, до новых встреч на ютубе.